最好的电子音响科技diy制作网站

haoDIY_音响电子电脑科技DIY小制作发明

当前位置: 主页 > 音响DIY > 功放DIY > 后级DIY >

挑战狭小空间--刺猬PASS F5小甲类功放完成了,上报告

时间:2012-10-01 10:06来源:hifidiy.net论坛 作者:惩戒 点击:
要在上面的机箱内装F5小甲,机箱尺寸16宽X10高X25长cm,空间狭
要在上面的机箱内装F5小甲,机箱尺寸16宽X10高X25长cm,空间狭小。
原来是用来装了一台运放驱动的20W小甲,装得不是很好,有一定杂音,只要是因为牛和电容转载机箱下面,板子装在机箱上面的散热板上,机箱上下板打开时需要一定空间,电源、信号、喇叭的连线都很长,干扰大。现在打算将功放板、牛、电容都装在机箱上面的板子上,下面的板空着,这样就不用长连线了。
F5有个好处是板子小,装在上面还可以剩下空间装牛,如下如:

挑战狭小空间--刺猬PASS F5小甲类功放完成了,上报告

挑战狭小空间--刺猬PASS F5小甲类功放完成了,上报告


挑战狭小空间--刺猬PASS F5小甲类功放完成了,上报告
看看上面的板子:
挑战狭小空间--刺猬PASS F5小甲类功放完成了,上报告
热敏电阻最后用热溶胶固定。
挑战狭小空间--刺猬PASS F5小甲类功放完成了,上报告
但是电容就没有地方了。空间有限,需要搭棚,用两块铝块加木条作为电容的固定支架。如下图:
挑战狭小空间--刺猬PASS F5小甲类功放完成了,上报告
看看最终的内部图:
挑战狭小空间--刺猬PASS F5小甲类功放完成了,上报告

大家看到牛周围是什么?大家先猜猜,看看有没有猜对的。


调试时用一对小一点的电容进行调试:
挑战狭小空间--刺猬PASS F5小甲类功放完成了,上报告

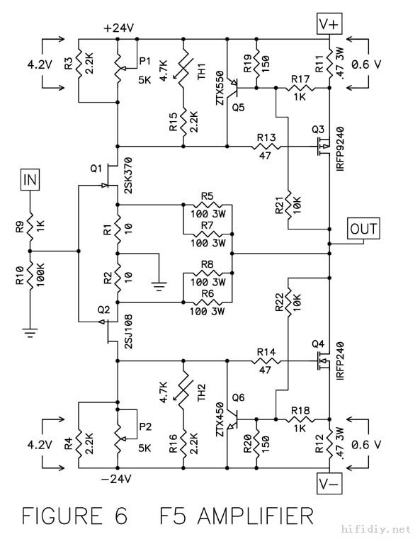
不装大管,先把可调电阻P1/2调小一点,测试R3/R4电阻小于600欧(需要装上热敏电阻),再装上大管,测试中点电压和R11/R12压降,调整P1/2使中点接近为0,R11/R12压降为0.6v。注意:调整任何一个可调电阻,两个管子的电流都是同时变化的,需要两个电阻配合调整,如中点为100mv,压降为0.6v,则需要加大一边的电阻,减小另一边的电阻使中点接近0mv,压降维持0.6v。调试比较花时间,最后细调时,调试一下需要观察10分钟,再进行调整。
按照PASS F5的参考数值,大管最终调试到的电流约为1.23A(0.47电阻压降约为580mv),R3/R4一个为4.56v左右,另一个为4.91v左右,中点电压有一定漂移,一边约在-8mv至5mv之间,另一边约在-17mv至15mv之间。
走线坚持强弱电分离的原则,电源线走一边,信号线走另一边。喇叭的地线原来从牛的上面走过,导致电流声很大,把这条线改道一下,远离牛,电流声和杂音基本上就没有了,耳朵贴着喇叭才能听到一点,5cm外是听不到的。功放接了电位器,直接当合并式功放使用。
PASS F5的声音还是挺爽的,韵味足、有感情,整体控制里很好,低音比较沉和足够,不足之处是低音层次不够清晰(相比于它的功率已经很好了),高音略有一点粗,不知道和滤波电容有没有关系。


不知为何,我就喜欢小空间挤满东西的小钢炮。散热是很热,冬天用刚好可以取暖。哈哈
(责任编辑:admin)
织梦二维码生成器
顶一下
(1)
100%
踩一下
(0)
0%
------分隔线----------------------------
发表评论
请自觉遵守互联网相关的政策法规,严禁发布色情、暴力、反动的言论。
评价:
表情:
用户名: 验证码:点击我更换图片
栏目列表
推荐内容