|
平衡式放大电路在高端音响中经常可见,它比一般非平衡传输信号放大电路能获得更高的信噪比、更大的动态和更细致的分析力。在早期的刊物里所见到的平衡放大电路只是简单的把两路电路机构和性能相同的放大器通过非平衡电路转为平衡电路,分别放大正相和反相信号。其实这样得出的效果比单个放大器并没有明显地提升,反而会使音感到更生硬、更呆板。如果单个放大器采用非大环路反馈形式还会产生自激,或完全不能正常工作(见图1)。
目前高音质的平衡放大电路是由两个放大器交叉连接而成,就是常说的我中有你,你中有我结构。这种双平衡设计有效地抑制了共模噪声与失真(见图2)。本机前级电路的输入采用差分结构(见图3)。差分放大电路由于具有共模抑制能力,因此电源波动或滤波不干净的信号进入输入级后便可得到有效地抑制。当电路采用平衡输入时,正负输入信号线感应的交流噪声也是一种共模信号,也可被差分电路抵消,从而使整个放大电路的信噪比得到明显改善。当输出到扬声器时,失真与噪声再一次被抵消,使得信号还原度极高。电压放大级在这里采用镜像恒流源负载,非平衡转为平衡电路采用BB公司专用转换集成电路DRV134(见图4)。 一般用分立元件和运放电路构成的转换电路形式比较复杂,对外围电路参数配对要求严格,对于DIY制作有一定的难度,而DRV134无外围元件,输出正负波形对称性也很完美,这对于制作高素质的平衡放大器扫除一大障碍。
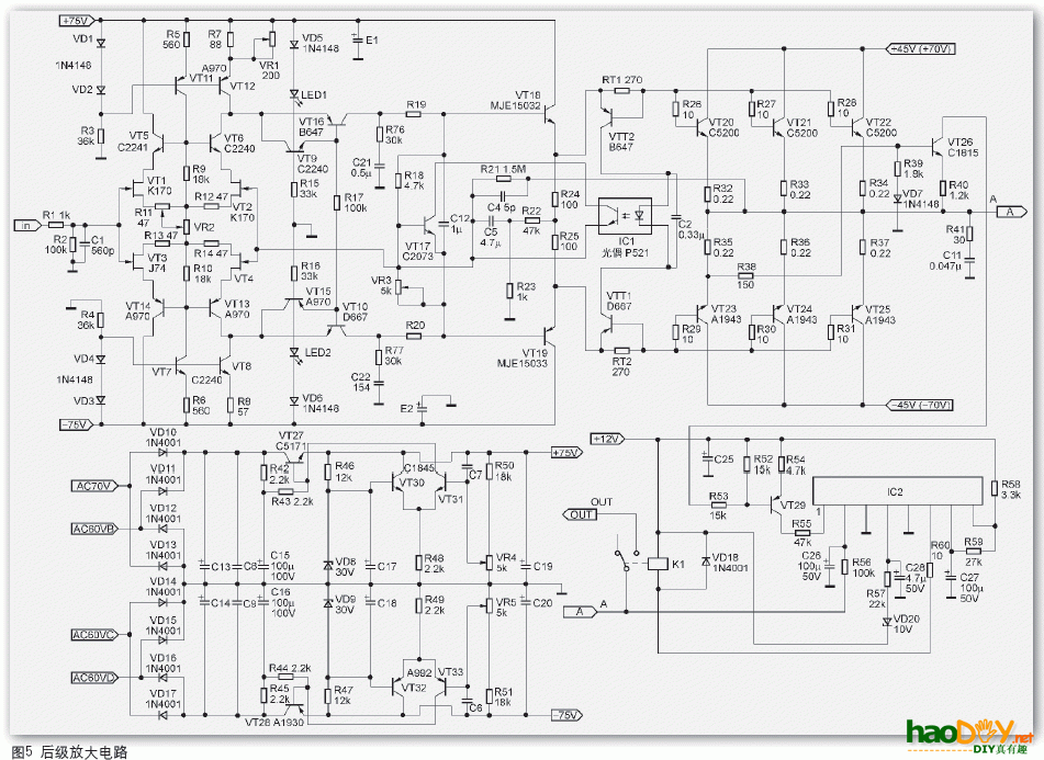
后级放大电路主体电路采用夏文卡顿的一款经典电路(见图5和图6),相信很多朋友十几年前就对这个电路有所熟悉了。 为了消除非线性失真和抑制中点漂移,一般放大器都加有大环路负反馈。由于晶体管极间电容的存在,功放的输出信号相位滞后于输入信号,加入大环路负反馈后,输出和输入波形的不同步,更会产生比较大的失真波形,也就是常说的TIM失真(晶体管声)。这种失真通过超前补偿可得到一定改善,但电路总的相移会因频率的不同而不同,使得补偿难以准确到位,效果也不尽人意。我们可以注意到,整个电路的级间电容主要是在输出级的晶体管上,若使反馈电路避开输出级,TIM失真可望得到明显地改善,同时,还可防止扬声器的感应反电动势窜入输入级,引起调制失真,所以,该电路反馈信号取自推动级,同时取消到地大容量反馈电容,使TIM失真得到进一步改善。但这时中点的漂移量会大幅增加,我们也可以采用中点伺服电路来解决。现在流行的有源伺服和无源伺服,为了对这两种电路的性能效果进行比较,在实际的印制板制作过程中我把这两个电路都给做上去了。有源伺服中点非常稳定,在2mV内基本不动,无源伺服有15mV左右的漂移,但无源伺服电路比用运放的有源伺服更耐听,有源伺服电路本身并不能完全滤除信号得到纯直流成分,这样必定对输入信号产生调制,结果采用无源伺服电路的声音相对于会显得干硬些和毛糙些,所以最终还是选择了无源伺服。
把输出级脱离反馈就必须尽量降低输出级的失真,让其工作于甲类是个不二的选择。但是一直顾忌纯甲类的高静态电流会对电源和散热的要求过高,还有其过高的耗电量,动态甲类即超甲类偏置可算是同时解决了这两个难题。在各类动态偏置中有一种光耦控制电流偏置是其中佼佼者,在图5电路中,对功放管的基极电流取样通过光耦反馈到推动管的基极,达到偏流的自动控制。光耦本身具有良好的隔离作用不会对信号产生调制,在控制端没有一般恒压偏置的上下臂电阻,不会对电压放大级的输出分流,而且采样与控制就在推动级的输入和输出上,反应迅速。其唯一的局限就是输出级必须采用双极性三极管,场效应管由于是电压控制器件在这里而不能受控。不过在板上预留了恒压偏置的元件位,这样在装机时可有多种选择。 整个功放采用了3份稳压电源,这是十分必要的。所有信号的放大能源都是来自电源,实质就是信号的主要成分,电源是否纯净直接影响声音的还原度。前级和后级的小信号放大级采用稳压电源是我们常用的做法。这里我们把输出级的电源也进行了稳压(见图7),滤波采用ELNA为健伍定制的音频专业电解电容。制作中把一套用料完全相同未采用稳压电源的功放做了比较:采用稳压电源的功放音乐背景更干净、音乐更流畅、层次更清晰。该稳压电路的调整管采用3级达林顿结构,最后一级用2对A1943/C5200并联,具有相当高的稳定度和带负载能力。只要稳压电源的输入电压高于输出电压3V以上,则输出电流为0~10A,输出电压的变化量不超过0.2V。当然这要建立在变压器容量充足的情况下,同时还具有过流保护功能,以正电源为例,R7、R9是取样电阻,当负载电流过大时,VT6导通,电源调整管截止,电源电压通过R3、R5加在负载上,这样降低输出电压,起到限流保护作用。就是在负载完全短路的情况下,稳压电源也不会烧毁,一旦负载正常,稳压电源便能及时提供正常输出电压。在制作中要注意A1943/C5200的配对,同极性间的配对要高一些,使2个管的负载电流尽量平均分配。
在制作过程中,尽量采用品质较好的元器件。差分输入对管,镜像恒流源要求严格配对,其他全对称电路部分还需要讲究异极性的配对。各级的偏置电阻要采用温漂小的金属膜电阻,信号通道的电阻对音色的改变比较明显,可根据个人的口味选用不同材质和不同品牌的电阻。 先把各级的稳压电源元件安装好并调整到正确电压值,再安装好其他元器件,全部安装完毕,检查正确无误后便可通电。前级和后级的静态电流都已经确定好了,只要元件安装无误,不用担心有烧毁输出管的危险。最后调整前级和后级的输出中点,使其尽量接近零电位,通电几分钟无异常便可连线试音了。 整机制作共采用7块板子,机箱采用立式结构,它有几个优点:变压器、电源、放大器可以分层放置(见图8~图10),互相隔离,减少干扰,这相对于同体积的卧式机箱而言可以得到更大的散热面积。不过其缺点就是装配比较繁琐,单个机器可以作普通双声道合并机来使用,每声道3对管可输出150W×2/8Ω的不失真功率,这对于大多数的家庭是够用了,也可以经面板按键选择到BTL或平衡输入模式,由两台机器组成双单声道平衡放大器,这时的额定功率就是450W×2/8Ω。
经过多次实验、调整,单个机器的声音已相当不错了。整个音域表现比较宽松,人声韵味相当好,细节表达清楚,高频泛音细腻、丰富丝毫没有毛糙的感觉,大鼓震撼,但不是那种压迫心脏直冲脑门的攻击,鼓皮余震的谐波也刻画的相当真实。当用两台机器组成平衡放大时,声场变得更加开阔,聆听者好像是摆脱了房间的束缚,仿佛置身于音乐当中。整体音色会向中性有所靠拢,解析力,控制力进一步提高。可以完全感觉到超低频已经脱离了音箱沿着地表袭来。
|




























