我的SF----106N终于成功了!
曾几何时一直渴望有一天自己也能装出一台功放来听。于是,搜集功放图片、精选图片。。。。。。
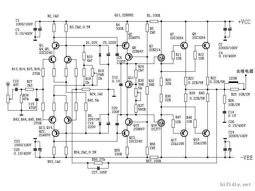
功夫不负有心人,在众多图片中我看好了hifiaudio(肖兄)设计的SF----106N,据说是其电路很成熟,声音甜美,既是是无休止的听耳朵也不不会疲劳;而且也利于焊接调试,元件好找;既然那么多的优点,那还挑什么!汇米买之。。。。。。。
对于我这只以前从没玩过这东东的菜鸟来说,此工程历经数月很不稀奇!哈哈!不瞒您说,在这之前就连有的元件的名字我都叫不上来,就别说开工了;那么漂亮功放板回头再虾米在我的手上,............? 后来,在肖兄的鼓励下我终于敢开工了,于是也就有好多好多无知的问题要问,于是呼,也就有很多幼稚的、菜的不能再菜的问题随之而来。呵呵!在此,我最想说的还是那句话: 感谢肖兄不厌其烦的答疑解难,感谢坛子里那些热心帮助的朋友们,没有您们的帮助也就没有今天的成果,谢谢了!!!!!!!!!!!!!!!!
不说了,上图!
施工




肖大师的“慢性子”成品软启,很好用!角上那个黑东东,据说能滤波,小日本的,很贵!


继续上图,请大师们多多指教,多多给我们这些新手们鼓励啊!!!! 
看到那盒中华烟了吗?我最爱抽的,我请大师抽中华。。。。。中国人民也很行,烟确实不错,其他的电器?!
别人说堡机我也来他个堡机,据目前为止都快30小时了,下班后回家上CD,上前级,上我的音箱,听听试试

肖兄的指点就是不凡,不亏是其板的设计者。
等下一次在做,或许利用本次积累的经验、知识,我就不会再走那么多弯路了。
到时我会做出一台像样的机子来的,下台有信心做好!
另外,再次请教接地问题!
昨晚,因为忙于应酬,回家很晚,也没能正式试音。不过,经过这两天的堡机老化后,以前牛有哼声,现在既是深夜听似乎也听不到了,
就试着简单的接上了喇叭,耳朵贴近细听,除了有一点点似乎听不到的沙沙声和哼哼声音以外以前存在的其他声音也没有了,
于是,我试着用一根线于滤波电容的地和机壳相连,再听喇叭,除了有点沙沙声哼哼声全无,
问题:
1.我可否就采用接地解决噪音?
2.如果滤波电容地于机壳接地会不会造成环路? 请肖兄和过路的老师指教!!!
再传张大图看看能传否?
看见左上角那头牛了吗?原本想都放到机箱里,可是那样以来加上机箱重量和那些零零碎碎,我却搬不动了!
那头牛更重,800W的,双28V,测量也是28V, 就不像机箱里的那头,明明写着800W双28V而实际却是750W+ —29V。
自从我们家楼下市电增容,埋下了碗口粗的电缆线,换了一台新的特大的变压器后,不知是什么原因,机箱的这头牛又变成了30V了。起先以为是市电可能高了?但是,用表量市电,就是正常的220V,没高啊!
怪事!!!!!!!!!!!
不死心,于是把两头牛都拿到单位,再量,嘿!800W的这头还是800W28,而750W的这头呢,却又变回了800W、+ —28V了,真是怪事啊!呵呵!不亏叫变压器
有谁能弄清?


(责任编辑:admin) |