最好的电子音响科技diy制作网站

haoDIY_音响电子电脑科技DIY小制作发明

当前位置: 主页 > 音响DIY > 功放DIY > 后级DIY >

把3W小甲、tda7294、6P1胆机、6N3前级完美集成在一个机箱里

时间:2012-09-26 22:36来源:hifidiy.net论坛 作者:成忠 点击:
利用过年的这段时间做了一台功放,发上来和大家一起交流一下,这台机器里面集成了三台后级和一台前级,它们分别是3W小甲,6N3推6P1胆机,7294后级以及6N3单管前级。我注册这个论坛主要是买些零件,所以我从来没有发过技术贴,但近两年论坛的限制越来越多,一
利用过年的这段时间做了一台功放,发上来和大家一起交流一下,这台机器里面集成了三台后级和一台前级,它们分别是3W小甲,6N3推6P1胆机,7294后级以及6N3单管前级。我注册这个论坛主要是买些零件,所以我从来没有发过技术贴,但近两年论坛的限制越来越多,一些板块积分不够就无法发帖,这给我造成了一定的不便。所以潜水看来是不行了。本来想把这个帖子发在胆区,但我担心一句话不慎就被禁了言,咱们还是惹不起躲得起吧。好在这里也可以交流。先看些图片吧


把3W小甲、tda7294、6P1胆机、6N3前级完美集成在一个机箱里

把3W小甲、tda7294、6P1胆机、6N3前级完美集成在一个机箱里

把3W小甲、tda7294、6P1胆机、6N3前级完美集成在一个机箱里

把3W小甲、tda7294、6P1胆机、6N3前级完美集成在一个机箱里
把3W小甲、tda7294、6P1胆机、6N3前级完美集成在一个机箱里

把3W小甲、tda7294、6P1胆机、6N3前级完美集成在一个机箱里

把3W小甲、tda7294、6P1胆机、6N3前级完美集成在一个机箱里

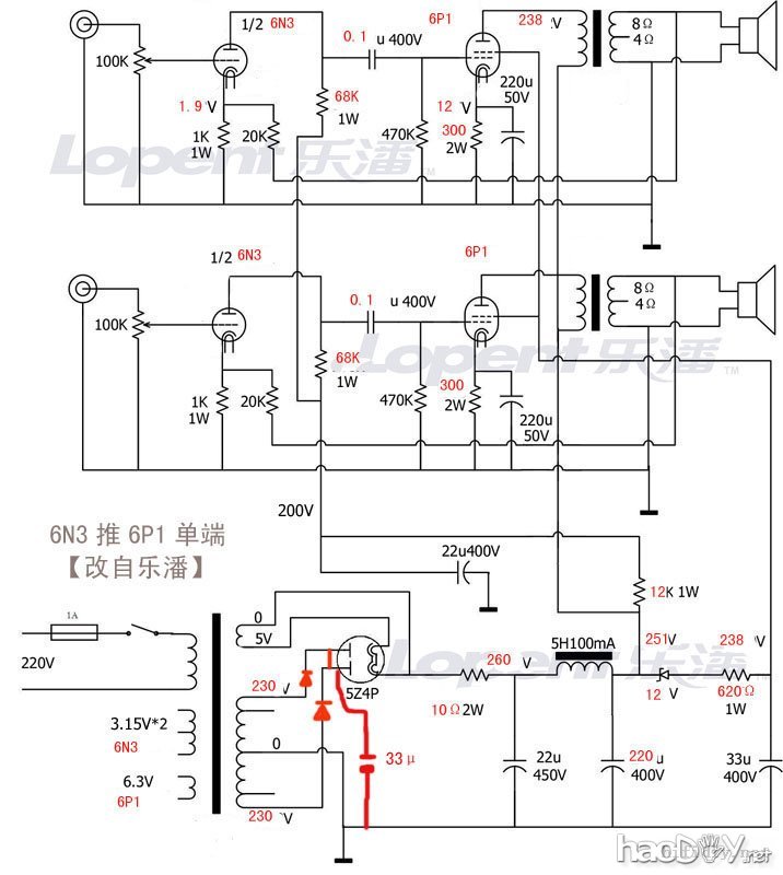
电路图全部是实做的。
   
   

把3W小甲、tda7294、6P1胆机、6N3前级完美集成在一个机箱里 把3W小甲、tda7294、6P1胆机、6N3前级完美集成在一个机箱里
把3W小甲、tda7294、6P1胆机、6N3前级完美集成在一个机箱里
把3W小甲、tda7294、6P1胆机、6N3前级完美集成在一个机箱里



机器的结构很复杂,慢慢交流。里面有三台后级和一台前级,8只各类变压器。

有那么一段时间我热衷于电子管前级的制作,所以需要一台性能稳定,价格低廉的后级做测试用,我选择的是7294,用的板子是原音的。环牛用的200W的铜线的。为了安全我加了一块保护板。机壳是问维修店要的。实际上是整机,显示屏背光坏了。我拿来直接就拆成零件备用了。
               
                        
把3W小甲、tda7294、6P1胆机、6N3前级完美集成在一个机箱里



年前偶然把7294功放打开看了一下,说真的这块散热器被7294占着有点糟蹋了。又偶然的打开论坛印入眼帘的就是3W小甲的一个帖子,脑子里突然有了一个想法,能不能做一个3W小甲和7294共用散热器?在家里翻了一下零件又都是现成的,说干就干,这不板子做好了。这种东西太简单实在是没什么可说的。不接机壳都没有噪音。电流我根据散热器的大小设定为每声道1A.

           
把3W小甲、tda7294、6P1胆机、6N3前级完美集成在一个机箱里    
把3W小甲、tda7294、6P1胆机、6N3前级完美集成在一个机箱里    
把3W小甲、tda7294、6P1胆机、6N3前级完美集成在一个机箱里



把3W小甲、tda7294、6P1胆机、6N3前级完美集成在一个机箱里

把3W小甲、tda7294、6P1胆机、6N3前级完美集成在一个机箱里

3W小甲和6P1的操作手感和音质是完全不同的,小甲的电位器在1/4的位置已经有足够的音量和声音厚度,而6P1电位器要在12点之后才有足够的声压。在声音特点方面小甲比6P1厚,声场也靠前。

在完成了7294和3W小甲后机箱里还是很空,这时我就想做一台胆前级来搭配后级,原则是用现有的零件。我有一只30W的小环牛,标称160V-0-160V,6V1A两组。灯丝绕组有虚标现象,做其他的多管前级都不行,只能做单管的。我有很多6N3不用可惜。所以变压器和6N3很自然的结合到了一起。电源高压用石整流317稳压,灯丝用直流。这是为了保证前级工作点的稳定,并不是出于控制信噪比的考虑。

           
把3W小甲、tda7294、6P1胆机、6N3前级完美集成在一个机箱里
织梦二维码生成器
顶一下
(14)
100%
踩一下
(0)
0%
------分隔线----------------------------
发表评论
请自觉遵守互联网相关的政策法规,严禁发布色情、暴力、反动的言论。
评价:
表情:
用户名: 验证码:点击我更换图片
栏目列表
推荐内容