|
下载 (123.72 KB)
2012-1-31 10:54
![]() ![]() 谢谢scooby朋友的加分鼓励。继续写一写。当机箱里有一台前级和两台后级时,有三个问题就要解决了。1、220V交流电的切换问题。2、后级输出的切换问题。3、前后级的音频连接问题。解决的方法分别如下。220V交流电使用一只4X4的波段开关带动四只5A的继电器做电源接入。4档分别是1、6N3前级和3W小甲同时接通,3W小甲有延时接通功能。2、6N3前级和7294同时接通,7294有延时接通功能.3、6N3前级单独接通。4、备用。备用的这一档后来被6P1胆机使用。 ![]() ![]() ![]() ![]() ![]() 后级输出的切换遵循一个原则,不要破坏后面板的原有布局,所以制作了一个转换开关。 ![]() ![]() 没有丝毫干扰,信噪比非常高,完全听不到噪音,因为家里没有毫伏表为了发帖的方便用万用表大概的看了看。【输入端开路,电位器在最大位置】7294没有读数,3W小甲0.1MV,6P1胆机0.9MV[换了一只6N3管子读数为0.2MV】 ![]() 谢谢读贴,我因为有彩喷和名片纸就PS了几个标签,贴上挺好看的。 ![]() 做了两对很短的音频线分别连接6N3前级和3W小甲、6N3前级和7294。开始我还担心环路的问题,但还好什么事情都没有发生。
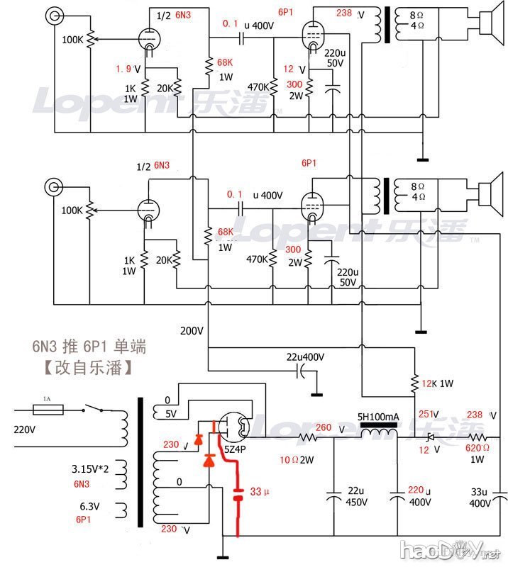
![]() 在做功放的控制系统时我就发现机壳里面还是空,于是同时就开始构思一部小功率的胆机手头有不少6P1和6N3,找了一张乐潘的图改了改工作点,反正单端的结构都大同小异。本来想自己绕变压器但大过年的太脏了,就在淘宝买了一套。电源80W,输出3.5W。扼流圈5H300MA。现在看来质量还可以。我自制了一个支架用的是1mm的镀锌铁板。尺寸很重要,这是成败的关键。 ![]() ![]() 一眨眼胆机完成了。 ![]() ![]() ![]() ![]() ![]() 感谢几位朋友顶贴。再上几张图片,我喜欢把说明写在图片里。 ![]() ![]() ![]() ![]() ![]() ![]() ![]() ![]() (责任编辑:admin) |











































![hood jlh1969小甲类功放[06心血之作]](/uploads/allimg/120824/1Z634BE-0-lp.jpg)







