|
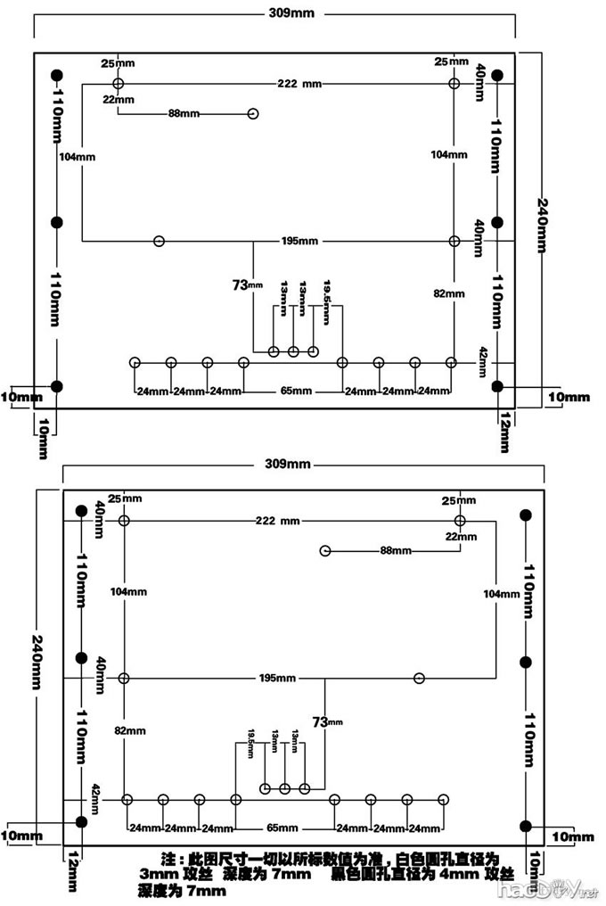
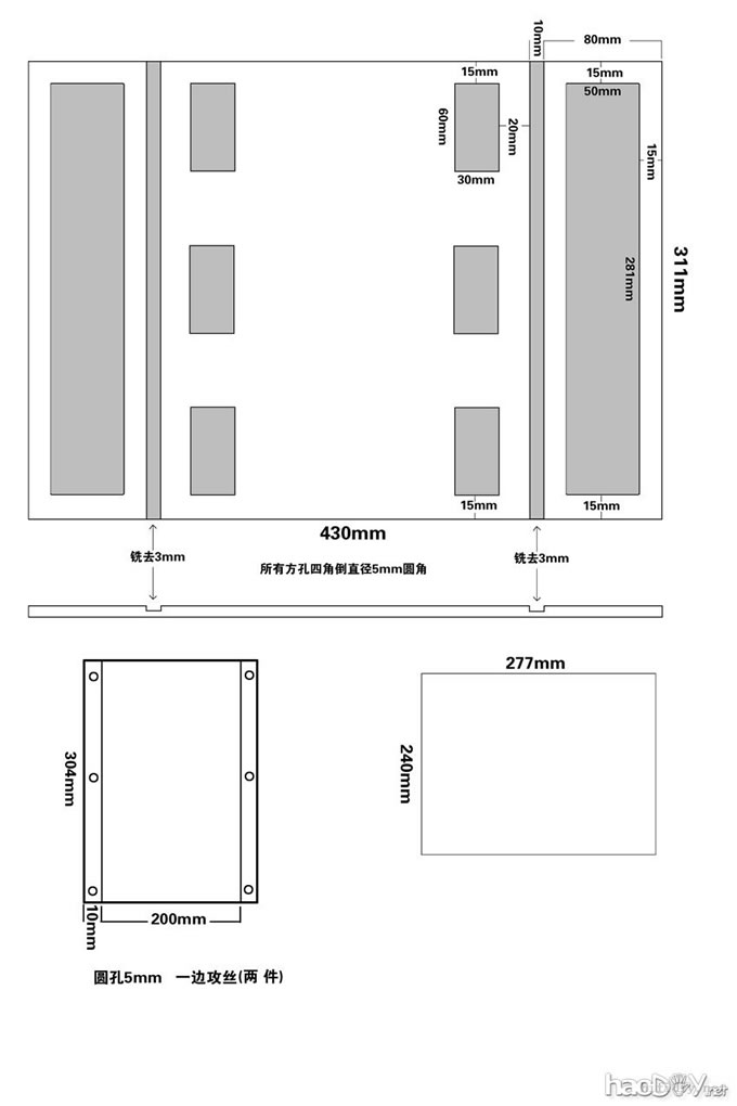
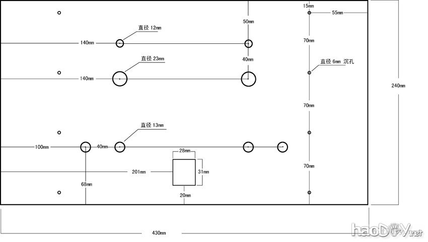
事隔多年,再一次参加HIFIDIY举办的DIY大赛,当年的参赛功放早已换了主人,其实现在想起还有点怀念的,因为那是自已制作的第一台真正意义上的HIFI大型功放,不菲的金钱姑且不说,其中注入的大量心血,付出的辛劳已至装完功放后有精疲力竭的感觉,但那种是快乐的,满足的感觉。不知它现在的命运如何,也许早已被肢解,零件已走遍天朝,在其它烧友的功放中发挥着余热,其实想想我们DIY的功放其命运大多不正是如此吗? 这些年来,装的机器越多,越感觉到爱上DIY是一种不幸,一种快乐着的不幸,它需要你用大量的时间和金钱去不停地折腾,当你折腾完后,用不了多久,你幸劳的成果之命运往往都是很悲惨的,不是拆卸就是转手,然后又接着折腾,至少我这几年来就是这样折腾过来的。常常有身边的的同事问我:“看你天天都在装,以前装的呢?”,我答:“卖了”,“卖了?赚了好多钱?”,我答:“还想赚钱?买机器的人都是鬼精,眼睛一看,心头一算,就知道你成本是多少了,赚钱我从来没想过,少亏点就行了”,这下同事发话了:“你瓜的嗦,亏本都要卖”。这下我彻底无语了,在周围人看来我的作法的确是有点让人不可理解,但他们又怎能知道这其中的快乐是无法用这少少的金钱来衡量的。 但有时静下心来想一想,这些年的DIY,其实多多少少有些影响了自已的正常生活,由于自已是上长夜班的,DIY的时间较少,以至于把工作间搬到了办公室,更甚于有时打洞,喷漆这些严重扰民的行为也在办公室完成。晚上上班,白天也不能闲着,有时甚至觉得睡觉简直就是在浪费时间,经常是觉还没睡够就起床,搞得自已像总理一样日理万机,虽节约了时间,但其实是在透支生命,得不偿失啊。每天的生活单调如机器:上班 睡觉 带儿子 DIY。 为了在DIY和正常的工作和生活间找一个平衡点,权衡再三,终于决定再折腾一把,过把瘾就死。 其实当初并没想装大型功放,大家可以看到这个板子是隔壁论坛的sa-100,最初的想法只是装一台合并机,看中了sa-100的弟弟sa-100i,怎奈此论坛不单卖pcb,必须购套件。无奈,只好在该坛二手求购,后得一烧友强力推荐sa-100,直说得我雄心万丈豪气冲天,于是购下。(顺便鄙视一下自已,决定再折腾一把的其中一个理由是当初正在使用的两台单声道功放太占地方,且听音乐要多按一个开关) 由于本人在电路方面的知识浅薄以及电路并非自已所设计,无法,因此本文对机箱的制作方面着墨较多。 先上几张后级的定身照 ![]() ![]() 图太多,让我们从头看起,重温本人装机之过程。 PCB有了,这只是万里长征的第一步,接下来并没急着购买零件,而是先考虑机箱的结构和样式,最先的想法机箱并不是大家看到的这样,而只是考虑一个普通的结构的样式,最多不过在面板上多下点功夫,但发现一个大问题,没有合适的散热器,这块PCB有近300MM宽,考虑到装机后的样式,散热器至少要整件500MM的(本人不太喜欢用均热板),无它法,最后机箱的样式不得不做调整,到最来发现调整后的机箱个性更加丰满,但弊端是成本增加少许,最头痛的是制作难度加大。 接下来花了半天时间逛遍城隍庙,对比了多个厂家生产的散热器,最后还是选择了稍贵一些的长春亚泰的散热器(尺寸309mm*220mm*70mm),大厂就是大厂的,比较后发现,亚泰的产品各方面都比其它厂家的优秀,选定后咨询了一下做代理的漂亮MM,能否代为打洞,mm说可以打洞,四角钱一个,真是福音,试想一下几十个洞,要是自已用手枪转打再攻丝,真的是一件吃力不讨好的事。选定了散热器,其它的事就是水到渠成了,回家,画图,第二天把图交与MM。十五天后,漂亮的散热器到手,回到家将PCB放上去对比,各个孔位都还算比较准确。记得那是2009年9 10月的事,长达一年多的DIY正式开始,这也是本文标题穿越四季含意。 图为交与厂家的散热器加工图,可惜当时没有给散热器留个影 ![]() 下图为考虑再三后做的机箱的效果草图,先画一个效果草图的好处就是可以预先看见完工后的大致效果,使最终的效果最大程度地接近自已的预想 ![]() 过完2009年国庆大假,开始陆续的采购其它的零件和制作机箱。相信不少的朋友和我一样,DIY中遇到的最大难题真的还不是技术上的问题,而是资金和时间上的溃乏。自从2006年家中添丁后,在资金的支配上远不如以前那样随意,其实自已也不敢像以前那样随意。每月只能从自已的腰包里挤出点钱来购买零件,算下来平均每月有超过四百用来DIY了散热器定了,机箱制作也在紧锣密鼓的进行,整个机箱计划用全铝,铝板的购买和切割都在本地搞定,一些业余条件下无法手工完成的地方,是必须要工厂加工的。 下图为交与厂家的铝板众多加工图 ![]() ![]() ![]() ![]() 整个装机过程最费神的就是机箱的制作(可惜机箱制作前半部份很少拍照) 加工好的铝板还是要自已把拼装成机箱的.机箱底板为6mm的铝板加上6mm的亚克力板,中间夹一块2mm左右的双色板,双色板在此的主要作用是方便加工散热孔 电源箱的加工 ![]() ![]() ![]() ![]() ![]()
换上8mm钻头打沉孔
上盖板安装孔打洞
|



































![哈哈…我自己弄的LM4780功放[原创]](/uploads/allimg/120825/16302RX5-3.jpg)









