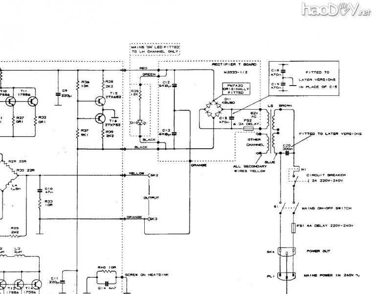
先搞的电源板,搞了一部分之后,发现悲剧了。![]() 上一些图片,以免有人拍砖“无图无真相” 背面该加粗的地方就加粗,有几年没摸烙铁了,焊点看着有点不舒服。 ![]() 背面的焊点和加粗 ![]() 606的机箱,应该是3个大部分,其中有一部分是整体浇铸而成的。 个人不欣赏606原机机箱的外观,于是打算自己另想办法。初步打算用2块铝板(430*350*6)上下夹住散热器,后板用3毫米铝板,侧板及面板用实木,面板加表头。 由于有430的宽,散热比较宽敞。机箱中间用2块3毫米铝板把电源部分与放大部分电磁屏蔽开来,一切设想目前按部就班正常进行中。 顺手画的,还好某人能看懂。 持续更新,昨天的工作结果: ![]() 电源部分,挣扎良久,最后还是妥协了。 ![]() 不过电源板的切割结果,一眼就能看出楼猪工具原始简陋的文科生本色。像狗啃缺的。。。。。。 #p#分页标题#e#喜欢用红圈处的小工具,方便实用不伤手,实乃居家旅行,杀人放火之利器也。 ![]() 关于变压器的初级次级电压及绕组参数的问题,有几个朋友PM问原因,现在集中在此回复一下各位兄弟: 1、关于初级为什么定为0-230-235-240V的原因:搬了新家,市电长期在235-242V左右,所以变压器的基本初级就定在235V,另外的230和240,一、可以结合自己当地市电电压的一般值及功放需要的电压做小范围的调整(具体到我的情况请看下第2点说明),二、在力所能及的电压范围内保证电路最初的设计值; 2、这2个变压器次级电压定制的初衷,不仅仅是为了606,而且必须考虑还要能适用于小甲及通用型的甲乙类功放。思索良久,才得出这样一个奇怪的绕组数据。这样的话,通过不同的组合方式,能够方便的得到2组16-0-16(5A)、一组0-18(5A)/一组16-0-16(10A)、一组0-18(5A)/一组32-0-32(5A)、一组0-18(5A)/一组0-82(5A)这4种次级电压组合方式。不过这样的话,对变压器的绕制(特别是次级绕组)就有比较严格的要求了,而且还要增加一定的费用; 3、若对2中的4组次级绕组的电压还不满意,那么可以根据当地的市电电压,结合接不同的初级绕组抽头来提高或者降低次级电压(很小范围内的调整),比如自己觉得16-0-16不满意,略低了些,则把初级接0-230V抽头(市电为240),这样整流滤波出来的次级电压就会略高一些,不过这样能调整的范围很小很小,次级电压越低,可调整的范围就越小。 上述是这个奇怪次级绕组数据最终能出来的原因,没什么其他的玄机和奥妙(非XX洗衣粉植入广告)在内。 牛牛标称功率: 牛牛整体: 牛牛细节,直径: #p#分页标题#e# 牛牛整体: 牛牛细节,高度: 牛牛测试方法: ![]() 搞了一些质量还过得去的小东西 这样一来,以后更换保险管也就比较方便了。 还有一部分小东西、小玩意在路上拼命奔跑 另外寻觅了一款插针,好嘛,我承认,悲剧又来了,插针太大,孔太小。总么办?扩吧,别人都去紧缩,于是俺只好扩充。 手术过程就不上图了,血腥暴力,来个完成图。 焊接在板上的插针 #p#分页标题#e# 套上套套的插针 ![]() 其实,DIY就是痛并快乐着的过程,慢慢享受吧。5个小时,只做了几根线,这效率,简直弱爆了。BS自己一个,先。 ![]() 还是悲剧,总是悲剧,老眼昏花,把交流双9V串起来接进表头驱动板,直接烧爆滤波。还好发现及时,只有烟木有花,又总么办? 翻吧,领导下班回家:你娃娃又在搞啥子? 答:找感冒药。 问:今天真乖,俺俩心有灵犀呀,嫩咋晓得我感冒了? 答: 只好出去买3个9。 翻箱倒柜,还是有收获的,不过个头太大,将就着用吧。 漂亮的表头啊,赞一个,啧啧啧。 现场合影,电源带滤波测试,交流81.5进,直流112出,正极对浮地58V,浮地对负极54V,不晓得正确与否,懒得管了,收工觉觉。#p#分页标题#e# ![]() 不知道其他的606制作者们是怎么处理PCB板上GND点与电源地和喇叭地这二者关系的,一直没见着这方面的图片与文字描述。 左右思量,无法决断。迷茫间,元芳说:大人,这事得一分为二来看待。 我勒个去,正点!于是打算利用PCB板上的GND点一分为二,一个套套接2根线,一到电源地,一到喇叭地。 理想很丰满,现实很骨感。到这个时候,2毫米的套套太小,容纳不下一根1.5毫米和一根2毫米的线,各剥一半吧,前车之鉴,很可能从焊接处断裂。旁边就是电源,到时候可能不仅仅是烟花,应该还有音箱玩完。看来,元芳也不是万能的,总么办?这是个问题。 最后看到R33上面的这个坑,OK,有办法了,直接把这个坑打通,上针。看来当初这坑填得确实冤啊! 出错了。 由于当初填了坑,打洞的时候一激动,没把坑里的焊锡去除干净,导致打洞位置严重漂移偏离,打断了挨着的近3毫米宽的PCB线。 木事,补救吧。用刀小心轻刮。看来PCB质量真的没得说。 来看看正面漂移的后果。 这张稍微清晰点 怪怪的,多了个东西。大不同啊。这下搞定,不用去考虑一分为二的烦恼,一身轻松,插针上两个,想插哪个插哪个。 其实我不说,也许大家看不出来。本来就应该是5根针。 ![]() 这个开关,很难找,一直对船型开关有着近乎偏执狂般的爱好。 #p#分页标题#e# ![]() 来看看吧,通电,开机,蛮有成就感的说,正负电压各跌了4伏,其他好象差不多? 一股脑全部上来,各个方位摆拍,搔首弄姿。 ![]() 连线试听,GO ON 电位器,这个没办法,倭的。 ![]() 一些花絮 喇叭端子 导热桥和机箱底版的对比,楼猪的机箱渐渐要浮出水面了。#p#分页标题#e# ![]() 先前知道俩分压电阻3W的很烫,但这个“很烫”没有切身体会,试机之后,果断换成8W的线绕,仍然烫,所幸让它站着,对47U的电容威胁就小多了。 请教技术型高手来分析下,这里的分压电阻用线绕对电路的影响如何?我只能分析到相当于一个纯电阻并了一个纯电感这一步,所知有限啊。 ![]() 技术手册实际接线法 技术手册原理图接线法 M版原理图接线法 原机实际接线法 ![]() 为了更直观的原理图联系实际,小改了下M版的原理图,原机实际接线法根据M版的阐述,应该是这样的(红线处是改动的): 真不知道和我实际的接线方式有什么区别?仅仅前者是共线,而我实际是共点而已。 ![]() 关于606装机的一点体会,也许对各位大大没什么用处,但还是写出来,能对哪怕一个人起一点小用处,也足够了。#p#分页标题#e# 1、元件的来路,必须是正品,新旧其实没多大关系,但必须保证质量,这个原因我不想再多说什么。至于怎么去保证质量,这个就看各人的理解了。 2、606电路的工作点基本没什么调整的余地,元件和焊接无错误的话,装机肯定一次成功。所以,细心细心再细心,其实这是DIY的必然要求。 3、M版电路原理图上的几个关键点标准电压,是整机工作时的示范电压,并不是不带大管或推动管时的测试电压。不上推动管和大管时也可通电测试。但尽量把时间缩短,可以简单测试下OUT端、2个560欧分压电阻的分压点、运放的输出端这3个点位的电压。 4、上推动管之后,原理图的示范电压基本全都有参考意义了,这个时候可以参照示范点位的标称电压对比自己的DIY作品各个点位的电压,逐一核对。 5、为对大家起点小作用,现把自己的小管、推动管、大管的HFE值纪录下来,以供参考。 T1:2SA970/HFE=275(与T3配对,误差在3%) T3:2SA2240/HFE=275 T2:MPSA43/HFE=115 T4-T6:MPSA93/HFE=135 ZTX753/HFE=190 ZTX653/HFE=143 MJE15035G/HFE=210(配对,误差在3%) 15003G/HFE=69(配对) (T1、T3以及推动管MJE15035G和大管15003G是通过另外的配对服务购买的) 一点题外话,当初第2个声道焊接完毕后,没上推动管就开始测试,发现R14、R15两端电压与原理图参考电压严重不符(比参考电压高了10倍+),遂怀疑自己焊接有问题。拿来原理图仔细核对,发现这里上与不上推动管,R14、R15这2个电阻之间的电压差别很大,于是安装好推动管接着测试,OK,正常! 当第2个声道大管全部安装到位之后,习惯性的测量了下大管外壳与散热器之间的电阻,幸好测量了下,因为有短路!!! 果断把大管全部卸掉,逐一检查12颗螺丝,到最后一颗的时候(这运气,真服了)发现了问题,热缩管在扭紧的时候有细小的铝丝穿透!!!排除之,重复安装大管螺丝,检查,OK!通电,试音,正常。 一个习惯性的动作,挽救了自己的DIY成果! 另外,我的606焊好之后,用万用表测试(无论红黑表笔):输入端靠近自己,左边3只大管外壳对散热器的阻值为0.57K欧,右边3只大管外壳对散热器有像电容般的充放电现象。 第2个声道最后几张图片,机箱才开始,慢慢搞,打孔预计100+,攻丝预计50+,我勒个去。 ![]() 机箱轮廓,目前暂时还只有三点,等把草裙围上,就漂亮喽! 看明白了? ![]() #p#分页标题#e# 来个整体的,大音量下工作近三小时,大管、导热桥温热(仅一个声道推动管抹了硅脂,现在发现,其实多余的),上下铝板冰凉,比预计效果还好。 摆位是个伤脑筋的事,这样? 或者这样? 最后决定是这样了。 本次606的电路制作到此结束,基本达到预期效果。需要感谢的人太多太多,没法逐一列举。正因为有您的存在。我的DIY之路才如此顺利,真心感谢! 电路上所剩事情已经不多,仅仅是局部元件的细调,机箱的路还很漫长。不过有信心把机箱DIY得更好,敬请期待,谢谢观赏 比起另外那位兄弟的606机箱,都不好再提打洞的辛苦。随便再BS下自己的工作效率,一晚上,12个洞洞,都不知道在干什么? 整体! 局部,还没攻丝,哎。 ![]() 所有的孔都是这样纯手工一个一个打出来的,比较满意,基本没有跑偏,SHOW一下? ![]() 接线柱的处理方式 #p#分页标题#e# ![]() 对变压器的屏蔽,参考了很多例子,最终决定是酱子搞。 屏蔽之后,应该是酱紫的,很整齐的说? ![]() 据说是500年前的盘丝洞? 不像?这个角度看看吧,肯定是的。 ![]() 这个小空格是留给输入RCA孔的,比较宽敞,在房价如此高涨的今天,这个倭的电位器应该感谢给它这么宽的住处,一定会知恩图报对得起我的。 信号输入RCA和电位器住2楼,220V交流插座和一体化船型开关住一楼,就这样决定啦,你俩别打架,因为你俩只有使用权,俺才是实际产权人。 搞到这里,才发现居然没考虑最重要的一个接线柱————220V交流和市电地的接入?我勒个去,捉狂啊!边吃边想吧。。。。。。BS楼猪这个吃货 ![]() 螺丝的长长短短很不如意,长的过长,短的过短,为了DIY得更好,只好再败家,去买各种规格长短的全套螺丝。 #p#分页标题#e#另外,借的手工电钻,不能打M10的孔,暂时卡在这里了,还得去寻觅M10的钻头,喇叭接线柱和RCA接线柱暂时不能打孔,悲剧。 ![]() 打算吊装220V接线头,费了半天劲,发现制作时候下料尺寸错误,失败!!! 放弃这种吊装方式,这个失败很打击人的说,直接导致信心全完蛋。 好在屏蔽层的开孔M3还准确,拣回了那么一点信心。 ![]() 简陋的加工条件,定位只能靠两把直尺而已,让老兄见笑了,M10的孔已经搞定! 喇叭端子固定上去,看下效果。 机箱最初构思和设计的初衷,原则之一是要求交流线越短越好,最后摆位一确定,大喜过望。82V的交流引线只有短短4厘米不到。图片上这个角度根本看不出来。 ![]() 配套的全套螺丝到手,慢慢开始总装,这是打孔定位的全套工具,很高科技的说。 专买的304不锈钢螺丝,这下不会过长过短,刚好合适。 变压器垫上2层吹塑纸,用M4的内六角加平垫弹垫固定。 #p#分页标题#e# 专买的M3*14的一字口黄铜螺丝,加黄铜垫片和304不锈钢弹垫,刚刚好。 最终的T1、T3采用的是2SA970GR/2SC2240GR对管,管脚排列E、C、B,焊接上去像跳舞的精灵。 来看看交流82V到底有多长?实际测量,直线距离2.8厘米。 ![]() 我勒个去,订做的面板和侧板还没发货,22天了! ![]() 606如燕衔泥,慢慢地好像有点感觉了。喜欢这种宽敞明亮,舒服。 #p#分页标题#e# ![]() 基本搞定,还差一锯子,把多出来这点锯掉就OK,心急,先听起来再说。 散热控制超过预计效果,不加上散热盖板,连续聆听超过12小时,下盖板仅仅温热; 噪声控制达到预计效果,静深如海,木有一丝底噪和交流噪声,不习惯整理机内线,随便接上就OK,懒人一个,看来屏蔽效果还是蛮不错的说。机箱估计重量超过20Kg,打扫清洁是个困难事,木匠带枷。 从昨天下午5点30开机,直到现在,打算先烧个48小时的机再说。 部分试听CD: ![]() (责任编辑:admin) |










#p#分页标题#e#











































































#p#分页标题#e#












































































