最好的电子音响科技diy制作网站

haoDIY_音响电子电脑科技DIY小制作发明

当前位置: 主页 > 音响DIY > 功放DIY > 后级DIY >

可选甲乙类精品Audio功放

时间:2012-10-03 11:21来源:hifidiy.net论坛 作者:mzsrz 点击:
功放是音箱声电转换前的最后一环,由于音箱负载复杂多变,功放通常要应对音箱声电转换过程中存在的不足问题,所以要制作出一台好功放说来并不是一件容易的事情。因此对功放在驱动能力和重负载失真方面提出了更高的设计和制作要求。这也一直是我追求的目标和
功放是音箱声电转换前的最后一环,由于音箱负载复杂多变,功放通常要应对音箱声电转换过程中存在的不足问题,所以要制作出一台好功放说来并不是一件容易的事情。因此对功放在驱动能力和重负载失真方面提出了更高的设计和制作要求。这也一直是我追求的目标和动力。在机缘巧合下,经过半年多的努力,终于如愿的设计制造出这台合并功放,我取名为“Audio”。借这次论坛活动的机会,拿出来亮亮相,一来是希望自己的成绩能得到大家的肯定,二来也是为了活跃论坛的良好气氛,一举两得,何乐而不为呢!
先上图大家观赏:
可选甲乙类精品Audio功放


可选甲乙类精品Audio功放
去掉上盖
可选甲乙类精品Audio功放

再去掉屏蔽罩
可选甲乙类精品Audio功放

一、设计思路:
前言:在选用功放类型时,由于甲类天生具有更好的线性和不存在交越失真和开关失真,一直难以割舍对它的钟爱,但有时又觉得太浪费(时下都提昌低碳生活),特别是大热天需要开着空调再开这台电烤箱听歌,着实让人觉得有点可笑!假如此时能让机器随手就能改变工作状态,在甲、乙类之间自由切换,这也不失为一个好方法。当然,也希望在乙类状态下,能尽可接近甲类机性能(不是等同)。同时也希望这台功放能够驱接低阻抗并具有足够的阻尼系数,并尽可能降低影响听感的交越失真和开关失真,于是最终决定选用结构简单成熟,稳定性高,线性好的三重结构LIN电路和采用两对功率输出管并联。
可选甲乙类精品Audio功放


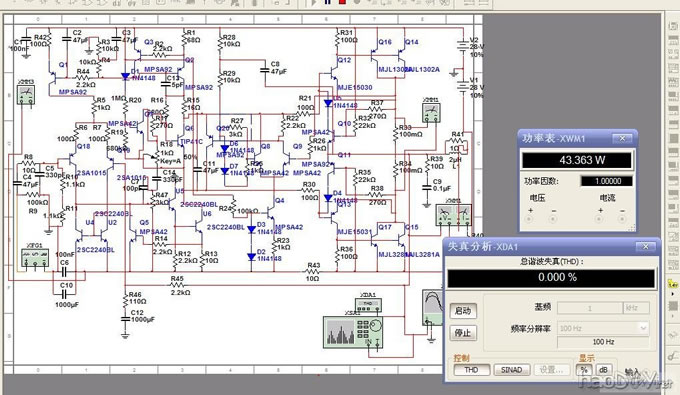
1、功放电路结构分析:此电路是通过英国Douglas Self 设计师改进提升,发表于《音频功率放大器设计手册》,这款电路对我来说非常具有魅力,它不但结构简单,负载能力强,而且在稳定性方面也非出色,电路的设计思路是在保证每一级最优化线性的前提下,再尽可能利用大环路负反馈电路进行优化,最终得到非常令人骄傲的性能,本人也通过学到的一些小技巧,再对此电路加以修改优化,最终定型,见仿真图:
可选甲乙类精品Audio功放

从仿真性能看,1KHZ 8Ω43W输出时在0.001%以下,失真性能看来相当不错。
再看看3Ω时失真情况

可选甲乙类精品Audio功放
电路最终决定采用双28V直流供电设计,甲类时8Ω最大输出34W,乙类最大输出8Ω45W
    输入级采用差分对镜像恒流源负载构成跨导放大输入级,这种结构对称性高,能有效防止2次谐波产生;镜像恒流源负载比电阻负载转换速率提升一倍;开环增益也比电阻负载提升6-15db;电路再增加差分射极电阻来产生本级负反馈,这样就可以加大输入级的恒流源电流,这种方法能使输入级跨导进一步增大,改善输入级线性,提升整个电路转换速率。当然这种手段也不能无限制的增大跨导,还要结合整个电路的稳定性。输入对管选用低噪声高β管2SA970BL,输入级恒流源设为6MA
    电压放大级用低噪高β管2SC2240BL,使用射极跟随器进一步提升β值,以增强本级补偿电容的负反馈效果,电压放大级恒流源设为10MA,在这级我还加入了双极点电容补偿,进一步提升音频范围内的高频负反馈量,这非常有利于在乙类工作时有效减小高次谐波失真,尽量消除高次谐波,杜绝出现“晶体管声”,但在超高频部分确回到原来的衰减量,使电路稳定工作。当然在加入后还得细心的调校,还好这是DIY,这点看来比商品机容易做到。由于本级恒流管结电容形成穿透效应,影响到了放大器正半周转换速率,原电路在设计师Douglas Self改为主动式恒流源的基础上,我再在恒流管上增加一个5PF小电容,与主动式恒流源检测点相连,使电压急剧变动时,恒流源电流也随着增大,有效提升正半周转换速率。
    输出级采用倒达林顿输出结构,由于驱动级与输出级形成本级负反馈,能有效提升线性,减小失真。同时尽可能做好乙类时驱动管的热跟踪速度问题,保证功放在乙类时始终处于最优化偏置。
    偏置电路采用甲类和乙类分开控制,甲类时采用差分对通过检测射极电阻两端电压,与另一边的1.2V基准(仿真电路找不到这种IC,所以用双二极管代替)经电阻分压成300MV基准源与射极电阻两端电压进行比较,静态电流能在1秒钟内就精确控制在1.5A,不存在热机问题。乙类控制则采用传统 (责任编辑:admin)
织梦二维码生成器
顶一下
(1)
100%
踩一下
(0)
0%
------分隔线----------------------------
发表评论
请自觉遵守互联网相关的政策法规,严禁发布色情、暴力、反动的言论。
评价:
表情:
用户名: 验证码:点击我更换图片
栏目列表
推荐内容