DIY音频功放在音响圈内是个很古老的话题,从电子管诞生之日起就一直没有中断过,很多电路图和制作手法对音响DIYer来说已经没有太多的悬念。为了追求“真音”,不少发烧友不惜血本地制作各种风格的音频功率放大器,但是光有优良的电路图,没有科学的制作工艺和质量可靠的元器件做保证,想取得成功绝非易事。本文介绍的这款DIY功放的制作重点是在灵活性、实用性及可靠性上。
电路特点
电压放大部分采用了简单、无需调试且放大特性曲线极佳的著名SRPP电路(图1),电子管采用北京牌军用级6N11-J,用电子管做电压放大,声音温顺、华丽、高贵,价格便宜,音质非一般石管所能比拟。阻抗转换部分采用了由场效应管2SK214/J77组成的射极输出电路,以场效应管高的输入阻抗完成电子管和晶体管的阻抗匹配。电流输出级采用无大环路负反馈电路,每声道采用3对安美森NJW0281G/NJW0302G功率对管,此管特性是不论大电流还是小电流都不走调,多管并联可以随心所欲地驾驭好自己的扬声器单元,而无大环路负反馈电路的输出,犹如脱缰的骏马无拘无束地驰骋在广阔的音乐世界。

图1(a)功放电路图

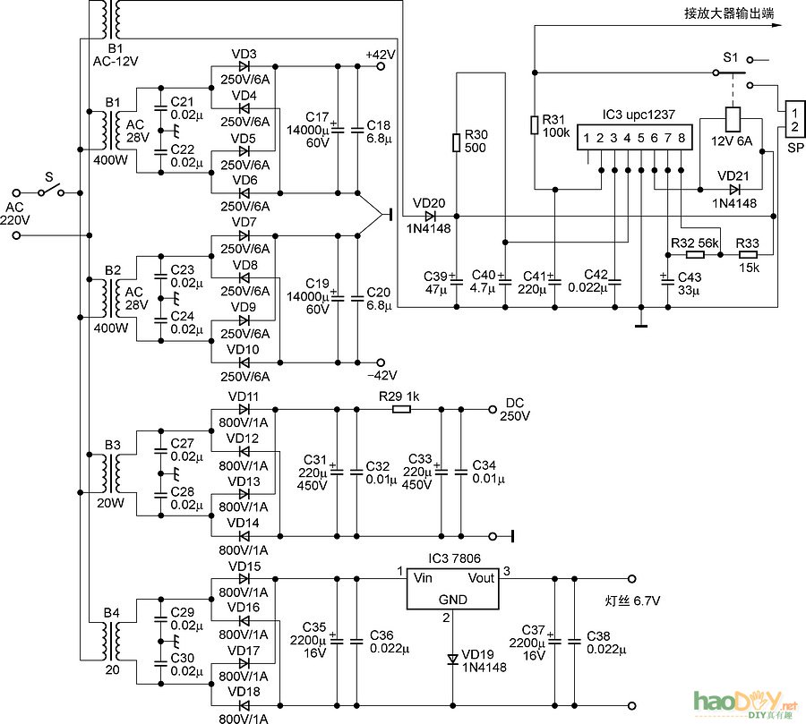
图1(b)电源电路图
制作风格
本文介绍的放大器的电压放大(图2)和电流放大部分(图3、图4)采用了分体式独立的结构,推动管和功率管用焊点连接,可调电位器用10只1/8W电阻组成的可调式电阻阵替代,推动级使用独立散热器,脱离主散热器。

图2 SRPP电压放大PCB

图3 电流放大PCB正面
元件选择要点
由于本功放采用分体及无大环路负反馈电路设计,所以电压级和电流级可以分别安装、单独调试且成功率非常高。电压放大部分由于受机箱物理空间限制,电子管采用带转接板卧式安装结构。左右声道的电源分别采用两个优质的20W的E型变压器,以增强左右声道的隔离度。交流9V电压整流、滤波后经LM7806稳压后提供6V灯丝电压。交流180V电压整流和滤波后得到约250V的平滑直流电压。电容C2对电压放大级音质的影响较大,基本上是什么样的器件就发什么样的声。本机采用的是日本尼康220μF/25VKZ系列MUS顶级音响电容,电子管6N11-J最好能配对使用。
图4 电流放大PCB反面

功率管兼容焊盘

图5 正反面安装图
电流推动管偏置稳压电局部图

组合可调电位器
电流放大部分和扬声器保护电路做在同一张PCB上(图5),2个6.8μF/450V输入耦合电容采用英国ARCOTRONICSMKP电容,当然也可以用其他质量更好的MKP电容,但直流耐压须大于450V以保证后级电路的安全。温控管采用2只VD669,分别靠近上、下功率对管安装,以方便控制四片散热器的功放机箱。推动管散热器因工作电流较大,故采用30mm×25mm×45mm的铝散热器。主变压器采用2个400W的环型变压器,为降低电源内阻电压采用两组四线28V/6A绕组,整流管用快速恢复的肖特基安森美6A大车轮管。为避免因滤波容量过大而引起低频前紧、后软的现象,主滤波电容采用4个英国nover14000μF/50V的金色大水塘(实际安装了2个),同时并上德国6.8μF/100VERO薄膜电容,以降低中高频电源内阻(图6)。可调电阻采用单独制作的小型PCB,此方法做成的电位器,抗震、防氧化、可靠性高,由500Ω、300Ω、200Ω、100Ω、50Ω、30Ω、20Ω、10Ω、5Ω及X阻值等10只1/8W电阻组成可调电阻。根据具体需求选择x值电阻的阻值并焊接相应的短路焊盘即可组合成任意阻值的电阻。PCB的地线、电源线、输出线可用1.5mm的铜线附和走线堆焊,以提高过电流能力。所有电阻均采用1/2W金属膜电阻。输出保护继电器采用正品欧姆龙(OMRON)G2R-212V继电器。
(责任编辑:admin) |