|
笔者从小学4年级就开始鼓捣电路之类,直到现在,人虽然不算老吧,但一直处于菜鸟状态。来hifidiy论坛三年,在交流中学到了很多经验,不过对电路结构、调试之类了解的仍然不是很透彻,略懂皮毛。 从厚膜玩到集成IC,刚刚达到照图做能响的水平。至于调音测试之类,时间、精力、金钱上都不太可能做得很完善。分立元件对我来说诱惑很大,小功率的应该可以,但那种大动干戈的牛机,恐怕真是难以折腾了。看到本次大赛的主题是“功放DIY”,刚好又有朋友要我帮着做一台接电脑用的桌面功放,老婆大人也整天吵吵要一台不裸奔的功放,于是就一起做了两套。
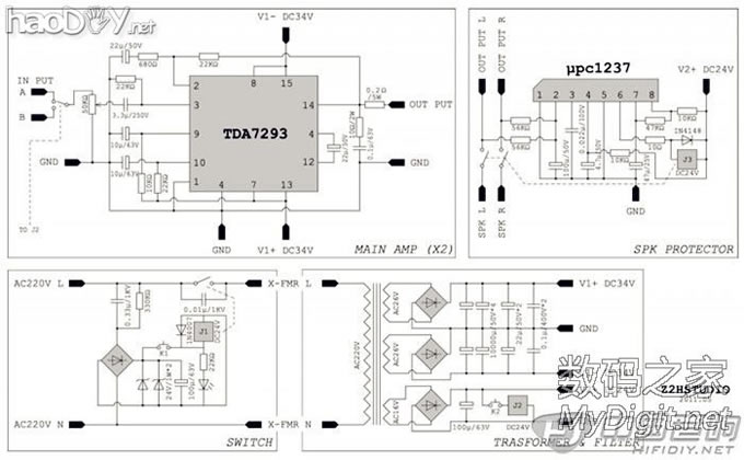
基本就是官方电路,只是输入耦合个人认为2-3uF比较好听。图中所有元件参数都是最终实际参数。朋友要求有两组输入可以切换,所以加了个信号切换继电器。电源部分的开关设计在此先感谢“低音巴松 ”、“shinyue ”、SHILKA “等坛友帮助出主意。 高手们估计是都看腻了什么3886、7293之流,不过,对刚接触音响的新手们来说,这篇制作应该会有一定的帮助!既然定位在桌面功放,接电脑用,必然也就是推一推书架箱,功率要求也不是很大,而且发热量要控制得住。我对7293IC的使用有一定的把握,所以这次就用它啦。 从电路开始。有了完整电路图,就该布置元件和走线了。
机箱在网上买了俩,外观比较朴素。想要放大点的牛又不想把电位器的线弄得很长,只好设计电位器延长方案。
先测量所有元件的外形和引脚尺寸,然后布网格,画PCB图。
打算继续用单面感光板来做,IC引脚处有另外一小块反过来做集中跳线,方便布线。机箱也是实际测量建模,所以各元件的装配关系很明了,也方便后期加工。唯一需要定制的就是牛和两个IC的导热板。散热完全靠机箱本身,这种是第一次尝试。(后来测试问题不大)
细节。布局很紧凑,比较担心的问题就是散热,还有牛会产生干扰。
完成后基本外观,很朴素。最后出来的PCB,一点接地,单面板难度较大,最后基本上搞成总线式接地了。
这里再唠叨一遍感光板的用法给新手参考: 拿激光打印机打印胶片(打了N多张,有的板子反了,有的字反了,有的打花了),选出两套,要求叠在一起保证基本不透光。放在两个荧光台灯下曝光15分钟。(曝光时间和光强、距离,甚至感光板生产日期都有关系,使用前最好先裁一小块测试一下)
由于上次的感光板整个用洗板水洗过,把感光膜都洗掉了,又不太会涂绿油,结果铜箔不久就发暗氧化了。这次动脑筋,研究了个新方法进行二次曝光,做出焊盘。(不做焊盘的话,感光膜有一定的阻焊作用,不好焊) 方法很简单:第一次晒好电路后,蚀刻的时候避光进行,这样蚀刻完感光膜仍然有效。然后再次用画好的焊盘胶片来曝光,最后进显影液显影就OK了!
小板曝光中。两块压板就是这次要用的机箱面板。
玻璃板一定要压实,不然线路会模糊。
快好的时候会看到颜色会从淡绿色变成蓝绿色。(过曝也不好,线路上会有很多麻点,除非你的胶片打印的足够黑)
晒小板焊盘。蚀刻用的是“蓝色环保蚀刻剂”常温下腐蚀了将近1小时。(试过增加浓度,结果铜箔变成花花绿绿的,而且不再继续反映,应该是钝化了)
最后完成的板子。
由于感光膜的保护,不涂绿油也不会担心氧化问题了。(不过要注意,感光膜比较薄,不耐划,制作中要小心保护)
电路板做好后,就要进行打孔了,老婆非要试试,结果,有几个眼打偏了...
打完孔,裁完边。掏孔用的是叟弓,也叫曲线锯。直边直接用的钢锯。最后用小锉刀将边缘打磨光滑,并且倒角。
可以看出,先做的那块大板子的颜色已经变的更蓝了。
陆陆续续往上焊零件。元件基本都是网购的,很多都是二手拆机件。威玛、飞利浦应该都是真的,比较怀疑的是ELNA。电阻就是普通国产金属膜。右边用0.5mm的铜皮做了地线的跳线,从继电器肚皮底下穿过去。
小元件差不多都焊完了。
准备上主滤波。一般常规的是30*50mm,机箱装不下。所以费劲找了体积比较特别的红宝石,30*40mm。外观上看,应该是真的吧,新一批顶部没有绝缘帽,直接一K形口。 高手们估计是都看腻了什么3886、7293之流,不过,对刚接触音响的新手们来说,这篇制作应该会有一定的帮助! ![]() 既然定位在桌面功放,接电脑用,必然也就是推一推书架箱,功率要求也不是很大,而且发热量要控制得住。我对7293IC的使用有一定的把握,所以这次就用它啦。 电路采用的基本就是官方电路,只是输入耦合个人认为2-3uF比较好听。朋友要求有两组输入可以切换,所以加了个信号切换继电器。 前面说过了,我的焊工烂,又不能用洗板水。【查看前文】(后来发现,焊点不圆滑和焊锡质量有很大关系,前一卷焊锡用完了,换了另一个牌子,感觉超级好用,流动性和光泽度都不错) ![]() 期间单独测试了喇叭保护电路,工作正常,3秒吸合。但整机测试时发现有极大的交流嗡声,后来发现是保护电路的地线走的不合理:最开始是从整流出来,正电源从板子侧边走到pc1237,负电源是用跳线直接连在放大电路的地线上,这样形成了一个大的电流环。不得已,将负电源改为借用原来给信号切换继电器供电的线路,从侧边走,这下噪音全无。 由于PCB与导热块之间有点间隙,用0.8的铜板做了个匀热。铜板用钢锯裁好尺寸,用1000号水砂纸加水打磨。然后在电路板蚀刻液里稍稍腐蚀了1分钟,出来就变成这种沙金质感了。 ![]() ![]() 导热块是定制的,板厚10mm。块子上下两端有些加工刀痕,用钢锉修平后用水砂在平整桌面上抛光。IC安装螺孔是与PCB高度对好,然后画点,用2.5mm钻头打孔,然后M3丝锥攻丝。螺口边按常规方法,用大号钻头轻轻转几下倒角。 由于买的是高仿CMC水晶端子,安装孔径比机箱预留的要大1mm,而且还带防转豁口,就用小半圆锉和平锉把孔形修了一下。 ![]() ![]() ![]() 第一次试装,看端子和PCB的位置是否合适。
(责任编辑:admin) |























































