|
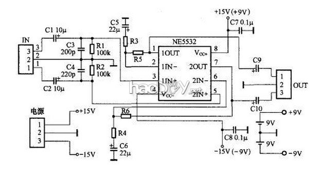
本功放的特点,仅仅使用单独一块NE5532作为放大器(计划使用5倍的信号放大倍数。若不合适的话,再往低了调整。参考资料来源:《NE5532经典电路图》)。今天完成了稳压电源部分(本帖有大量热转印的实践,请跟上小弟的步伐,效果很不错): 1. 稳压电源部分的印刷线路板制作 1.1. 画线路板(油性笔): ![]() 1.2. 腐蚀线路板(双氧水:盐酸:水 = 1:1:1)- 传统的线路板腐蚀,一般使用三氯化铁溶液,但这种腐蚀方式,用时较长(约30分钟)。而使用双氧水+盐酸的方式,用时很短(约5分钟之内)。双氧水用30%浓度的,这种规格的双氧水,对皮肤具有很较强的腐蚀性(万一使用不当,溅在皮肤上,要立即冲洗,然后涂一些凡士林、护手霜、擦脸油之类的即可),一般是饭店饭馆稀释之后用于餐饮具的消毒。盐酸就用日杂店那种刷厕所的盐酸即可。 ![]() 1.3. 腐蚀结束之后的线路板,将其油漆打磨干净: ![]() 2. 1.本稳压电源,使用一块608整流桥、104无极电容、4个4700μF/50V电解电容(并联),以及变压器(标称交流15V,实测18V): ![]() 2.2. 焊接元件,顺便展示一下焊功: ![]() 3. 表测,整流之后,直流20V: ![]() 4.稳压电源完工全貌(保险管、变压器、整流桥、防自激电容、滤波电容): ![]() ![]() (责任编辑:admin) |
























