|
最近一直在折腾的手提式电池三灯再生机终于完工了!
外壳是用一直流电流表改造的
把瓤子掏空左侧开一喇叭窗,固定上一只8欧2寸半的电动扬声器
喇叭外罩用旧收音机的外壳剪一块,
怎么样看上去还不错吧 用铝板做一块小底板
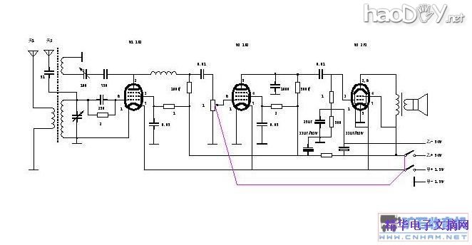
电路是按照冯报本先生给的经典电路,输入改为磁性天线,电源加了一RC退耦回路。照图施工 完工后
装上甲乙电池后内部满满登登的还真紧凑
正面看过来
本机甲电使用一节1.5V大号电池,乙电没有采用低乙电电路,使用6节9V的6F22层叠电池串联,新电池时电压接近60V,可保证各电子管最大效率地工作。各线圈全部拆自晶体管机器,使用100pF的空气可变电容调节再生,非常平稳。 本机不加天线本地的7家电台可全部收到,选择性也很好没有串台现象。昨天晚上试验还可以收到不少外地台,但是都是老中医的天下,喋喋不休地也不报台号,高端约1400KHz附近有一个叽里咕噜的外台或少数民族语言在广播,也不知道是什么台。收本地最强的810KHz8欧喇叭两端的最大音频电压可达0.5V,折算输出功率>30mW,晚上听已经相当响亮了。 使用再生机得有点技巧,有时简直可以说是种艺术,必须手—耳—脑—手—耳—脑联合循环行动使再生达到既不啸叫灵敏度又高的临界点。 电路中有外接天地线端子,使用3-5米短天线可接到“天2”,使用室外长天线可接到“天1” (责任编辑:admin) |
































