|
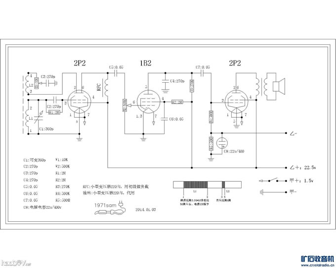
有个坛友要求装一台喇叭放音的直流三灯机,我后来想了想,就用这个2P2+1B2+2P2来做,其实就是2P2的单灯机加上1B2+2P2放大。所不同的是用变压器的初级做负载,声音音量充足。乙电采用14500锂电7节串联,差不多25-27v,经使用基本满足要求。制作时主要的配件是底板和面板,这个使用了雕刻机来辅助完成。具体技术都在电路图上了。其他细节不再展示。来参赛凑个热闹。谢谢!!! 1:电路图 2:布局设计 3:底板加工图 4:面板设计图 5:外观 ![]() (责任编辑:admin) |
















