最好的电子音响科技diy制作网站

haoDIY_音响电子电脑科技DIY小制作发明

电子管胆FM收音机头DIY制作成功了附线路图纸

时间:2012-12-28 13:13来源:bbs.hifidiy.net 作者:moci_cn 点击:
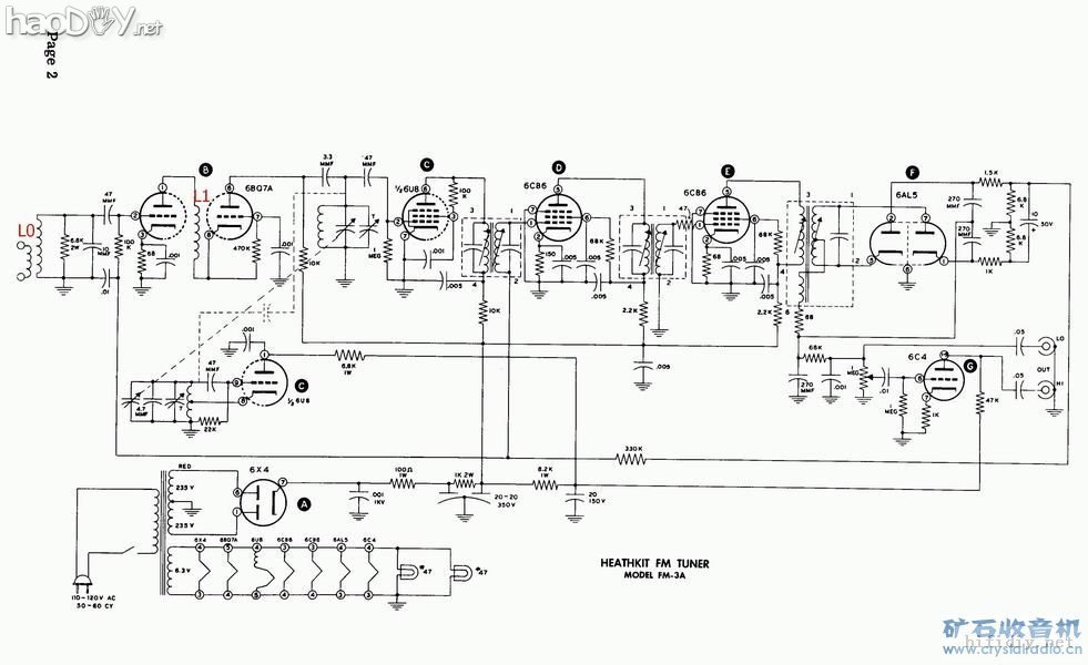
电路形式 高频头使用醉翁老师三管高频头(高放非调谐),参数完全按照醉翁老师的参数; 中放为3级,参考FM-3的中放电路,增加了一级中放,取消了AGC功能。 底台使用铝合金的,内部各级各功能模块使用1.2mm厚度的洋铁皮进行隔离,所有接地点都是就近接,这点

电路形式
高频头使用醉翁老师三管高频头(高放非调谐),参数完全按照醉翁老师的参数;
中放为3级,参考FM-3的中放电路,增加了一级中放,取消了AGC功能。
底台使用铝合金的,内部各级各功能模块使用1.2mm厚度的洋铁皮进行隔离,所有接地点都是就近接,这点很重要。

调试经验都是参考各位有经验的高手的,而且制作过程中并没遇到什么困难,焊接好后通电就可以出声了,只是简单调整一下本振、混频电路和中周即可。
电源变压器使用双250V单6。3V变压器,总输出功率约70W。经过多次调试,手头只有频率计、万用表等,中放是靠耳朵+万用表调试的。

调试完成后的收音头,灵敏度非常好,比家里的台式数显收音头灵敏度高了很多,除了强台声音大,弱台声音小的缺点外,声音很好,信噪比很高。
收到强台的时候,检波输出后面那个10u电容,电压达到了37V。在上海浦东,在阳台上,用拉杆天线可以清晰收到杭州、南京、宁波、舟山、余绕等外省电台,由于本地台和外地台都能收到,有些台靠得非常近,估计只有0.2MC的区别,可以明显区分出来,相互没有干扰。

电子管胆FM收音机头DIY制作成功了附线路图纸


电子管胆FM收音机头DIY制作成功了附线路图纸

电子管胆FM收音机头DIY制作成功了附线路图纸

电子管胆FM收音机头DIY制作成功了附线路图纸

电子管胆FM收音机头DIY制作成功了附线路图纸

电子管胆FM收音机头DIY制作成功了附线路图纸

电子管胆FM收音机头DIY制作成功了附线路图纸
织梦二维码生成器
顶一下
(12)
80%
踩一下
(3)
20%
------分隔线----------------------------
发表评论
请自觉遵守互联网相关的政策法规,严禁发布色情、暴力、反动的言论。
评价:
表情:
用户名: 验证码:点击我更换图片
栏目列表
推荐内容