电子管超外差FM收音机业余方法制作
时间:2013-05-11 20:54来源:www.crystalradio.cn 作者:mldog 点击:
次
去年坛内有朋友悬赏征集制作电子管超外差FM收音机,由于种种原因我没能参加。春节期间我利用老电子管收音机改装了一台电子管超外差FM收音机,因为诸多杂事今天才有时间贴出来。以前没玩过电子管收音机,所以希望能与大家交流切磋共同改进,使爱好电子管收音
去年坛内有朋友悬赏征集制作电子管超外差FM收音机,由于种种原因我没能参加。春节期间我利用老电子管收音机改装了一台电子管超外差FM收音机,因为诸多杂事今天才有时间贴出来。以前没玩过电子管收音机,所以希望能与大家交流切磋共同改进,使爱好电子管收音机的朋友都能享受到FM的乐趣。
考虑到DIY机壳很难作,同时为了减少制作的工作量,利用老电子管收音机改装是比较可取的方式。综合各种因素,选用80年代生产的6灯电子管收音机改装比较合适。改装的原则是:保留原机原有的功能,尽量不改变原机电路和外观,增加的元件要少。这样成本也很低,本机改装费用:老收音机约80元,根德喇叭约70元,其他元件约50元。总共花费不到200元。
频率范围:
MW 550-1650 KHz
SW 6-18 MHz
FM 88-108 MHz
因为FM广播的音频范围可以达到30~15000Hz,而一般国产6灯电子管收音机喇叭的音频范围是100~7000Hz。为了充分发挥FM的效果,我用德国“根德”的一套4X7吋中低音喇叭和2X2吋高音喇叭来替代原来的喇叭。原来的喇叭布虽然美观,但密度太大,不利于高音的播放,所以喇叭布也换成音箱用的面罩。
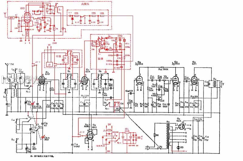
为了使改装比较容易,我把需要加装的零件分为四个模块。先做好这四个模块,把它们分别装在要改装的收音机上即可。这四个模块是通用的,常见的电子管收音机都能使用。如果这些模块能作成套件供应的话,改装电子管FM收音机将是一件非常容易的事。就是加四个零件,改几条线这么简单。另外还需要更换可变电容,用四连可变电容代替原来的双连可变电容。电路原理如图所示:

电路原理图中红色的部分是改装后增加或有变动的元件。
下面分别解释一下四个模块的作用:
1、FM高频头。是一个比较标准的电路,完成FM的信号接收和变频,输出10.7M的中频信号。AFC电路也可以不要,有无AFC两者的接收效果差别不是太多。
2、AM和FM转换开关和继电器的电源电路。因为AM和FM转换需要比较多的开关,以本机为例,需要9刀3掷的波段开关。9刀3掷的波段开关比较难找,而且体积也不合适,直接用9刀3掷的波段开关比较麻烦。我的方案是:保留原波段开关,通过继电器进行转换。这样设计的优点是:安装方便灵活、接线少、干扰也小。(如果要用9刀3掷的波段开关,这个模块也可以不用。)
3、FM中周。为了避免AM和FM中放的相互干扰,在中周里装有转换开关(继电器)。把开关放在中周里,作为一个元件改装很方便,干扰较小。因为在原底板上开方孔不容易,所以中放变压器是用导线引出的。
4、鉴频器。它是一个标准的FM鉴频电路,有音频和调协指示及AFC三路输出。和中放线圈一样鉴频也是用线引出的。
由于图象容量的限制,详细的情况可参见:http://bbs.leowood.net/web/leowood/forum/forum_read.asp?id=2674577&page=1&property=0&ClassID=0
(责任编辑:admin) |
织梦二维码生成器
------分隔线----------------------------