最好的电子音响科技diy制作网站

haoDIY_音响电子电脑科技DIY小制作发明

调感高频头组装的调频立体声收音板

时间:2013-02-28 16:14来源:www.crystalradio.cn 作者:立体声接收 点击:
2011-1-31 17:06:26 上传 下载附件 (32.83 KB)
在本坛学习数月,觉得过去做了不少傻事。几年前就为失去一些电阻电容曾把一个车机拆的尸骨无存,前些日子打扫卫生终于找到了惟一的残骸:调感式高频头(以前只认得可变电容器调谐的,都不知道这是干啥的),本坛得悉这可是好货色,灵便度高,在本坛搜了搜终于找到了接线图,决议应用它和手头LA1210、LA3361组装调频立体声收音板,应用3DD15立体声功放收听立体声节目。制造工艺还是本人木板加铜丝的传统工艺,,做好之后试听数日反常。
IMG_0001.JPG 
IMG_0002.JPG 
IMG_0003.JPG 
IMG_0004.JPG 
IMG_0005.JPG

IMG_0001.JPG (58.95 KB, 下载次数: 28)

 

IMG_0001.JPG

 

IMG_0002.JPG (58.84 KB, 下载次数: 20)

 

IMG_0002.JPG


电路图来了,本想用CAD画,然而无法CAD出了效果,装置了几次都报错,只好找到三角板手工画了功放部分电路曾在坛里发过贴就不参赛了IMG_0002.jpg 

#p#分页标题#e#
2011-1-31 17:06:26 上传
下载附件 (32.83 KB)
 

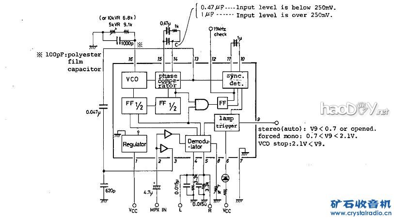
LA1210.JPG 
LA3361.JPG

 
(责任编辑:admin)
织梦二维码生成器
顶一下
(2)
100%
踩一下
(0)
0%
------分隔线----------------------------
发表评论
请自觉遵守互联网相关的政策法规,严禁发布色情、暴力、反动的言论。
评价:
表情:
用户名: 验证码:点击我更换图片
栏目列表
推荐内容