最好的电子音响科技diy制作网站

haoDIY_音响电子电脑科技DIY小制作发明

这一阵折腾场效应管超外差收音机的成果

时间:2017-09-19 21:02来源:www.crystalradio.cn 作者:a_fu 点击:
这一阵折腾场效应管超外差收音机的成果 ,矿石收音机论坛
前不久,看到vkjmmy坛友的《刀刻版双栅场效应管收音机》,很受启发,心动不如行动,在洞洞板上不知道搭了多少次,经不断改进修改,现在自己认为基本满意,当然肯定还有不合适或不合理的地方,得有时间不断试验和调试;
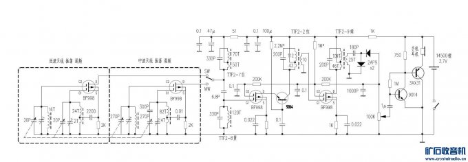
基本电路如下图,主要考虑下面几个方面,中波和短波分别做了独立的2部分,用的270x2+20x2四联,看起来多余了,其实与传统的2波段相比,只是增加了1个BF998,但中短波的切换只需一个单刀双掷开关,大大简化了电路,也减少了接触不好和纷乱的接线引起的分布参数。一级双调谐,一中放采用了共基级联电路,主要是试验时有自激现象,级联后自激消除了。一中放输出端使用了抽头,主要考虑提高中周Q值,二中放使用了前级中周的次级,一段直接接地,不需要再设偏置,简化电路,次级不用白不用。输出级使用次级线圈,主要是起到阻抗匹配,直接接全输出时,发现调末级中周范围很大,说明二极管检波严重影响了末级中周的Q值,接次级后,调中周很灵敏。
使用情况:中波灵敏度很好,电台很多,我在四周高楼林立的二楼,在阳台上,电台几乎一个接一个,所谓一动一个台。选择性很好,致使小小的拨盘要调准很难。本地强台与远地的弱台音量不是很悬殊,但本地台清晰、有力、有结实感,远地的台有点回音的感觉。短波自己随便绕的线圈,接受大概范围在6.5M~12.5M左右,有2个地方,电台密集,有粤语的、越南还是泰国的、英语的,当然最多的还是中国之声、日语台、韩语台,还有圣经。有个梵蒂冈的中文台很清晰很响亮。(中波也能收到不少韩语电台和日语电台)
现在的问题是,短波使用的是4联的20Px2这一联,覆盖范围稍小,人体感应比较严重,特别是高端。对短波还不太熟悉,统调还没到位,只能慢慢调试摸索了。这个机器不断试验,调试了很长时间了,还是不够满意,贴上来就是请大家指导改进,再试验。
这一阵折腾场效应管超外差收音机的成果
这一阵折腾场效应管超外差收音机的成果
这一阵折腾场效应管超外差收音机的成果
这一阵折腾场效应管超外差收音机的成果

 
(责任编辑:admin)
织梦二维码生成器
顶一下
(0)
0%
踩一下
(0)
0%
------分隔线----------------------------
发表评论
请自觉遵守互联网相关的政策法规,严禁发布色情、暴力、反动的言论。
评价:
表情:
用户名: 验证码:点击我更换图片
栏目列表
推荐内容