|
先说几句题外话:正式进入矿坛,五届大赛已经开幕。一套音响几年前已经做完,一时没有...
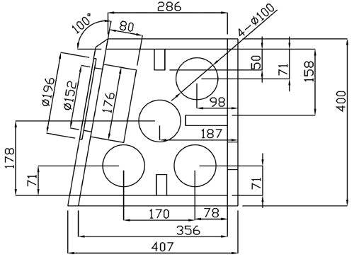
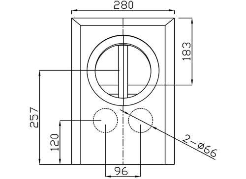
两个宝马6.5寸喇叭一般音箱里没法安装,搞两根内径6寸的PVC排水管,外径正好套进喇叭...
3天时间搞了个东东!能响! 听了2个月了,感觉声音很轻松,虽不像皮边大动态那样呼呼...
几次机会弄到了5只ALTEC的喇叭409-8E,这喇叭最初应该是设计用来做天花吸顶喇叭的,它...
注重搜集 音响 、 音乐 内的人文素材是我一向关注的话题,基本上我可以做到随遇而安、...
音箱介绍: 高音单元:惠威Q1(加拿大版) 中低音单元:惠威D6(老版) 分频器:惠威...
新手仿制 all-metal project hi
更新:2012-11-27
超震撼,电子3分频,15寸喇叭的石
更新:2012-11-26
有特色的全铝金属书架箱
更新:2012-12-03
便携式吉他音箱
更新:2013-01-30