最好的电子音响科技diy制作网站

haoDIY_音响电子电脑科技DIY小制作发明

当前位置: 主页 > 音响DIY > 音箱DIY > 分频音箱 >

用混凝土音箱制作的 惠威TEMPUS书架箱

时间:2012-12-08 10:30来源:bbs.hifidiy.net 作者:qzfjxc 点击:
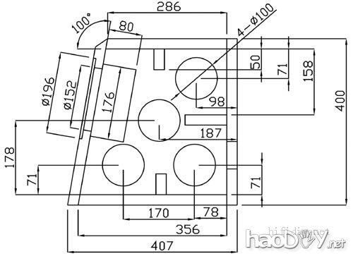
惠威TEMPUS的图纸: 下载 (30.08 KB) 用混凝土音箱制作的 惠威TEMPUS! 2006-6-13 17:00 下载 (29.14 KB) 用混凝土音箱制作的 惠威TEMPUS! 2006-6-13 17:00 浇制箱体: 下载 (38.79 KB) 用混凝土音箱制作的 惠威TEMPUS! 2006-6-13 17:00 浇制音箱脚架: 下
惠威TEMPUS的图纸:

用混凝土音箱制作的 惠威TEMPUS书架箱



用混凝土音箱制作的 惠威TEMPUS书架箱

 

浇制箱体:
用混凝土音箱制作的 惠威TEMPUS书架箱

 

浇制音箱脚架:
用混凝土音箱制作的 惠威TEMPUS书架箱


用混凝土音箱制作的 惠威TEMPUS书架箱

 

浇制音箱背板:
用混凝土音箱制作的 惠威TEMPUS书架箱


用混凝土音箱制作的 惠威TEMPUS书架箱

用混凝土音箱制作的 惠威TEMPUS书架箱


修补打磨箱体:
用混凝土音箱制作的 惠威TEMPUS书架箱 (责任编辑:admin)

织梦二维码生成器
顶一下
(4)
33.3%
踩一下
(8)
66.7%
------分隔线----------------------------
发表评论
请自觉遵守互联网相关的政策法规,严禁发布色情、暴力、反动的言论。
评价:
表情:
用户名: 验证码:点击我更换图片
栏目列表
推荐内容