|
DAC-GC-V1.0 DIY實作過程:從電路收集、電路板設計及製作、零件焊接、測試、修改完成.機箱安裝..全部自己來。
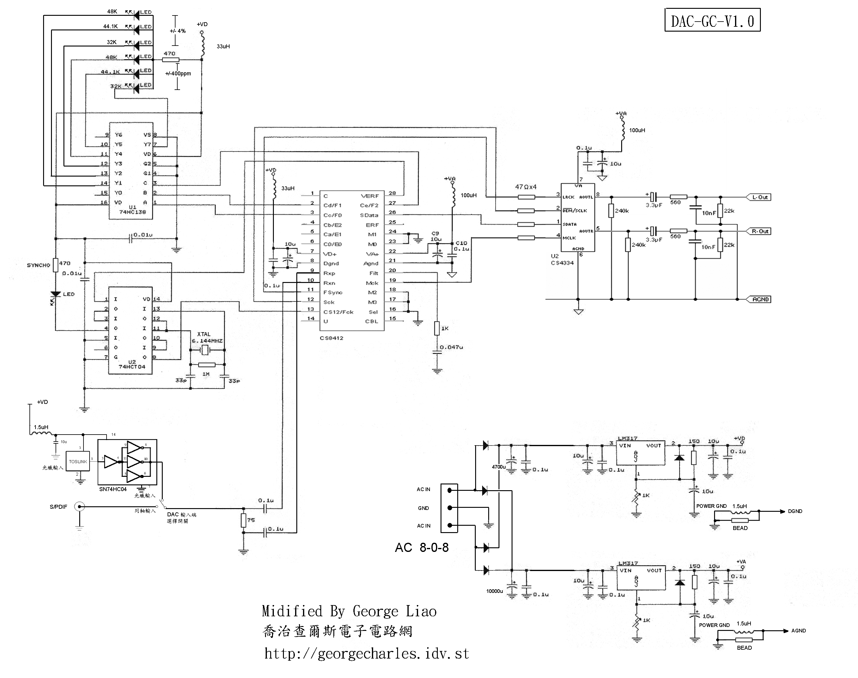
上回製作了CD ROM控制器後,就很想製作個DAC,為了能夠用手邊的零件製作,所以自己重繪了電路,以CS8412+CS4334組成的DAC,其實在網路上找不到用這樣組合的電路,並不是沒人作,我知道有個音響界的博士就用過這樣的組合。所以全部自己來了,其實這樣的組合的第一個優點就是,便宜!,為了節省成本,電源的設計也採較經濟的方式,但是不要以為"便宜沒好貨,電源的部份我會用心調整的。 本來以為應該不難,電路圖自己畫好後就急著把電路板畫好,不到兩天就把板子做出來了,但是一試機,"沒聲",哇! 所以電路先不在站上提供,等我把所有問題都修正後我會補上電路圖的。 首先檢查後發現了幾個電路板上LAY錯的部份,先用美工刀把錯誤的部份修正,看看下面幾張圖就知道找了不少地方,基本上的電路的設計是正確的,過了一天,終於出聲了!但總覺得有"雜音",現在已知邊部份的原因了,電源的部份分為數位(+DV)及類比(+AV),及它們的地網,只要處理不好,影響會很大。大部的問題都找到了,還要解決的跟測試的是光纖的部份還沒測試(沒光纖)及同軸匹配,這個電路設計的解碼頻率是48K的,我把它暫時命名為[DAC-GC-V1.0],在修正後我想把電路板的設計改成CS8414(96K解碼頻率)的板子暫時命名為[DAC-GC-V2.0],但是一直還沒弄到CS8414,不知有沒有人可以提供,如果提供給我,製作成功後我會答謝一片手工製作的電路板(要自己鑽孔)
同軸的部份終於試OK了!,本來在輸出的左聲道都會有些許黑膠唱片的效果(憋憋聲),找了好久都找不出問題,而且本來用我CDROM的數位輸出來當音源都能正常出聲,但是換了我的DVD PLAYER的同軸數位輸出後,就會有很大的雜音,想想應該是匹配的問題,花了3~4天了,試著輸入的兩支腳(Rxn,Rxp)對調,說也奇怪!終於雜音不見了,而且聽一整天也不累(順耳),本來有點擔心那個只有8支腳的CS4334,聽過以後終於放心了,別看它小小一個,也有128Khz的解碼能力,所以等著有人貢獻CS8414一定要架一下(CS8414+CS4334)。 最後測試的是光纖輸入,從YAHOO訂的光纖兩天後到,一試OK,真爽! 但是板子上找到的問題真的太多了,改得有點難看,我看電路板要再重LAY了!!! 以下是修正重做的過程照片:
電路圖下載:DAC8412-4334.gif 電路板底片檔:KITs\DAC-GC01\GC-DAC2-LAY.pdf 注意列印時要取消自動縮放,不然洗出來的板子就不一樣大了,印出時是雙面板圖,所以印在透明片後要曝光時要注意是那一面,文字看起來是正的在你目視的那一層,上下確實對正後再曝光。 在DIY時要注意以下幾點事項:
1.電路板製作時看確定上下層的對位。
2.零件安裝要先安裝電源的供應的部份,安裝好後可對電源部份作測試及調整輸出電壓,在板子上留有+VD(數位部供應電壓)及+VA(類比部供應電壓)的測量點,看看電路板上的標記就知道了。把輸出電壓都調成+5V。 3.安裝電路板上有部份的焊接要從上層焊接,因為我們自己製作電路板時上下層沒法作貫孔,所以有部份零件甚至要兩面都焊接,另外有一個點(在CS4334的下方)要焊貫通導線讓上下層導通,請DIY者注意。 4.CS4334為96Khz的解碼晶片,為SMD IC所以在焊接時要注意接腳的焊鍚要避免與鄰腳連接,用30W左右的細尖頭烙鐡,並不難焊。
5.為求更佳效果,CS8412可以用銅鉑包覆後,再以電線連接至D-GND,位置我有預留在這個IC的左方位置。
修正電路板 印出底片,看清楚我用什麼印(免費的),但雷射輸出才行
以紫外線曝光
以顯影劑顯影 清水沖洗後的反面電路板
清水沖洗後的正面電路板
以氯化鉄刻蝕
成功完成電路板
效果不錯吧!
連細小的文字都OK! 開始焊上零件
完成電路焊接,測試OK!
找了一個以前用過的外接硬碟的機箱來當外殼,面板做得不錯吧?
配合機箱,做了一個燈號面板電路板。
前面的框用木色皮貼上,好看多了!
完成所有接線,並測試。
運作得不錯!
後方面板照片。
|
















![網友投搞 - vanishing兄的[Neo Mini USB DAC pcm2702 木殼版]](/uploads/allimg/120914/19135424L-0-lp.jpg)










