摩改斯巴克CD机汇报(电源摩机重要性)
时间:2012-09-02 19:44来源:未知 作者:admin 点击:
次
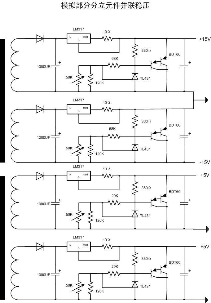
耗时26天,制作9份电源。今晚成功发声。是意料之外的声音。 分析力极高,密度大,音场深阔,两声道分隔度高,与原机不可同日而语! 高频饱满开扬而飘逸,一点不躁!十分滴耐听,是俺最满意滴! 低频稍微欠缺松弛度。。。许多只新电容要煲耶。。 1、4份甲类并
耗时26天,制作9份电源。今晚成功发声。是意料之外的声音。
分析力极高,密度大,音场深阔,两声道分隔度高,与原机不可同日而语!
高频饱满开扬而飘逸,一点不躁!十分滴耐听,是俺最满意滴!
低频稍微欠缺松弛度。。。许多只新电容要煲耶。。
1、4份甲类并联分立件稳压(模拟部分)
2、5份稳压管LM123两级固定电压稳压(数码部分)
3、用了4只“刺猬环牛”+原机牛(用于液晶显示)
4、9只BG+若干美欧电解和箔膜电容
5、1732的模拟RL声道切割分成2份电源供给。
6、用独立机箱分体电源



再次验证“电源是决定性滴!”
原计划压缩生活费用(免肉1月),挤出1.8W制备英国子午线588。。现在想等等看。比比看。不过超过名机估计悬。。。。
呵呵
我是非常热心的DIY派。。。呵呵
这次是试验性的。。。精心准备了月余,,,找过不少资料,
9份电源反复捉摸,修改,,
昨晚,音效还是真的不错。所有电压值非常稳定,完全符合要求!
至于,DSP--DAC--LPF,我是不敢随意动的。正在学习中。。。
只是低频松弛度不够,褒葆看。。。

玩HIEND与玩车一样,一下子到了家,也没多大意思。
特别是DIY,俺的系统远没有到位,自己都不满意,虽然不少朋友觉得不错(挑毛病的占一半)。。
这次折腾电源,对并联稳压有了点了解了。对TL431和达林顿类复合管也明白了点。声音改进了一些。
这是最大乐趣!
改动电源也是要命的
对于集成电路来说,电压改变0.1v,声音变化就巨大;
电源的内阻的差别,在声音上的影响也很大。
这是很多高档机器的价格贵的原因:相同的机芯、A/D、D/A转换器,处理方式不同,声音迥异,价格也是天地差别:CD元件多,调音非常复杂,最不容易呢。
元器件越多的器材,调音就难度越大。
我们DIY单端三极管最容易的原因,就是器件最少,最容易调整。
(责任编辑:admin) |
织梦二维码生成器
------分隔线----------------------------