最好的电子音响科技diy制作网站

haoDIY_音响电子电脑科技DIY小制作发明

没事搞了新玩具PCM58小DAC解码

时间:2012-09-12 22:13来源:hifidiy.net论坛 作者:神使 点击:
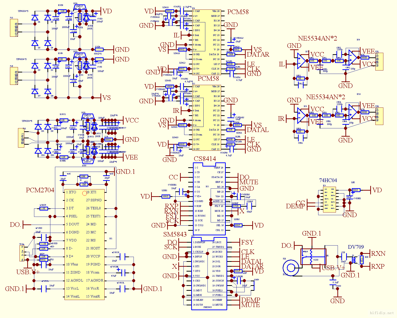
58k档与普通的区别还是比较明显的 这里的时钟与串行数据传的3个电阻。LE针DATA针CLK针后来经过示波器观察测试得来200R,50R,500R比较好 --------------- 还有3块PCB板,有需要的朋友自理运费赠送啦。板子上有点小BUG。就像上面说的8412与5843有一个针忘记连

没事搞了新玩具PCM58小DAC解码

没事搞了新玩具PCM58小DAC解码

没事搞了新玩具PCM58小DAC解码

没事搞了新玩具PCM58小DAC解码

58k档与普通的区别还是比较明显的
这里的时钟与串行数据传的3个电阻。LE针DATA针CLK针后来经过示波器观察测试得来200R,50R,500R比较好没事搞了新玩具PCM58小DAC解码
---------------
还有3块PCB板,有需要的朋友自理运费赠送啦。板子上有点小BUG。就像上面说的8412与5843有一个针忘记连了需要飞线连接下,另外有一处字符数值印错,5843的3pin忘记接GND了焊接时候需要把3pin4pin连接在一块。


老规矩上个线路图先

没事搞了新玩具PCM58小DAC解码 (责任编辑:admin)
织梦二维码生成器
顶一下
(2)
100%
踩一下
(0)
0%
------分隔线----------------------------
发表评论
请自觉遵守互联网相关的政策法规,严禁发布色情、暴力、反动的言论。
评价:
表情:
用户名: 验证码:点击我更换图片
栏目列表
推荐内容