制作一台数控恒压恒流电源(2)
时间:2012-09-08 19:30来源:《无线电》杂志 作者:肖庆高 魏 坤 点击:
次
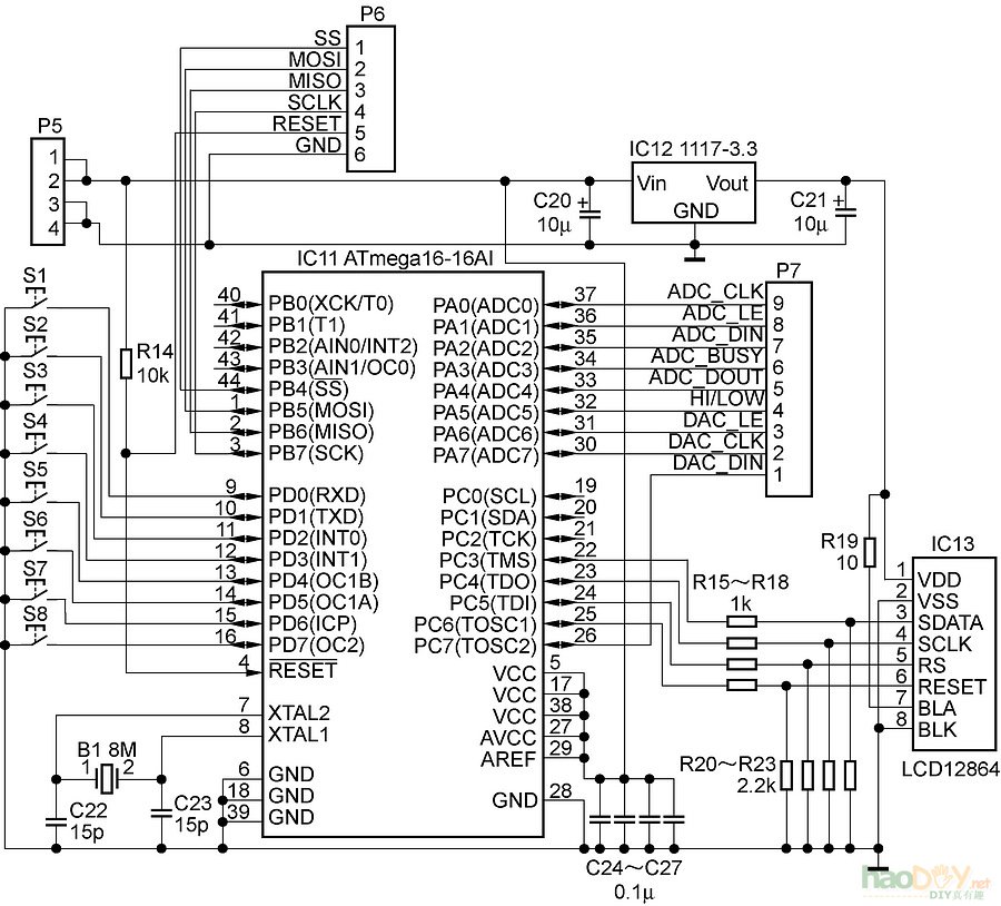
图9 原理图2(控制部分) 误差放大器使用了高精度双运算放大器OPA2277P(IC9),因为它有着超低的失调电压和超低的温度漂移系数,以对提高电源的精度和稳定度有着至关重要的作用。TLV5618的B通道输出电压用于设定输
|

图9 原理图2(控制部分)
误差放大器使用了高精度双运算放大器OPA2277P(IC9),因为它有着超低的失调电压和超低的温度漂移系数,以对提高电源的精度和稳定度有着至关重要的作用。TLV5618的B通道输出电压用于设定输出电压,该电压送到IC9A的同相输入端,反相输入端输入通过R8、R9和R10组成的1/5分压电路分压后的输出电压,两者进行比较输出误差电压用以控制调整管进行输出电压的调整,进而实现稳压的目的。对输出电压和电流的测量为了能和输出DA转换器对应,所以使用了一片12位4通道的AD转换器ADS7841E,一通道用于输出电压的测量,二通道用于输出电流的测量。ADS7841E需要一片4.096V的电压基准,所以使用REF198E(IC7)为其提供,REF198E和REF191E是同系列芯片,就不多说了。输出电压经过1/5分压后一路送入电压误差放大器IC9A,而另一路送到了ADS7841E(IC8)的第2脚,即ADS7841E的第一模拟输入单通道进行AD转换,ADS7841E的输入范围是0~4095V,对应的输出数据为0~4095,测试转换的电压分辨率为1mV,但是输入电压是经过1/5分压的,所以转换后的数值再乘以5才能得到输出电压值,所以电压测量的最小分辨率为5mV。
为了提高输出电流取样的精度,所以输出电流取样使用了一只DALE产的0.04Ω3W 1%精度的低阻值电阻R5,流过1A的电流可以产生40mV的压降,然后使用仪表放大器AD620(IC10)对R5两端的压降进行25倍放大,可以得到1V/1A的电流取样关系,0~3A的输出电流对应0~3V的取样输出电压,可以同时满足DA转换器和AD转换器的要求。电流取样所得到的电压一路送到IC9B进行误差放大,另一路送到AD转换器的第二输入通道进行AD转换,测量输出电流。因为ADS7841E的输入范围是0~4095V,对应的输出数据为0~4095,所以电流测量的最小分辨率为1mA。 AD620的放大倍数由R6和R7的并联值决定,计算公式为Rg=49.4kΩ/(G-1),其中G为放大倍数,带入G=25可得,Rg=2.058kΩ,因为2.058kΩ不是标准阻值,故而使用多圈电位器调整得到,为了提高电路的可靠性,所以使用3kΩ的固定电阻和10kΩ的电位器并联使用,即使电位器失效,也不致使电路参数发生巨大变化而损坏。TLV5618的A通道的输出电压送到IC9B的同相输入端,IC9B的反相输入端输入电流取样的电压,由IC9B进行误差放大输出控制调整管。因为有VD7和VD8的存在,当输出电流小于限制电流时IC9B的同相输入端的电压高于反相输入端的电压,此时IC9B输出达到饱和,IC9B的输出电压高于IC9A的输出电压,所以IC9B的输出电压被VD8隔离,此时由IC9A控制调整管,电路工作在分压状态。当输出电流超过最高输出电流时IC9B反相输入端的电压高于同相输入端的电压,此时IC9B的输出电压低于IC9A,于是接管调整管以实现输出电流的恒流,电路工作在恒流状态。因为电源输出电压的最小值是0V,所以IC9和IC10必须工作在双电源下,而IC9和IC10对负电源电流的需求很小(低于10m A),所以使用一片有100mA电流输出能力的电荷泵芯片MAX660(IC3)将+5V电压镜像成-5V为IC9和IC10提供负电压,L1和C8组成LC滤波器以滤除纹波,使产生-5V电压更纯净。
(责任编辑:admin) |
织梦二维码生成器
------分隔线----------------------------