|
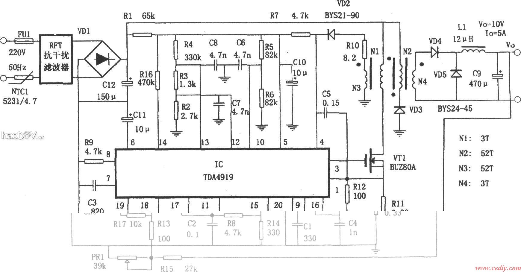
交换市电经抗滋扰滤波器RFT、整流桥VD1~VD4和滤波电容C1的整流滤波,在C1上发生310V的直流电压,此电压一方面由R1降压加在TD4919⑤脚,用以启动TD4919;另一方面经开关变压器的绕组N2加在开关功率管VT的漏极上。当电容C7被充至9.6V时,TD4919启动事变,在其③脚上输出开关驱动脉冲,敦促大功率开关管VT事变,直流310V电压被斩波,在变压器中形成高频开关脉冲,经绕组N4降压和VD7、VD8、L、C12:的整流滤波,在电源的输出端获得不变的直流电压;在绕组N1上的高频脉冲颠末R10、VD5、R9和C7的限流、整流和滤波,别离通过④脚为TD4919内部的驱动器提供电源电压,通过⑤脚为TD4919提供正常的事变电压。稳压进程是:输出电压Vo通过R15和PR分压经R16和R17反馈到TD4919 18、19脚,通过TD4919的内部节制,调解其输出开关脉冲的占空比,到达不变输出电压Vo的目标。对电源输出电流的监控是通过监督R11上的取样电压来实现的(R11是VT源极电流的取样电阻)。该取样电压经R12馈至16脚,在TD4919的内部的动态电流限定较量器与15脚上的限定阈值举办较量(阈值由R14和R13对11脚输出的基准电压的分压抉择的),发生节制信号,节制其输出开关脉冲,从而实现输出电流的限定。欠压和过压监控是通过R4、R5、R6和12、13脚及TD4919内部节制电路实现的。
(责任编辑:admin) |























