|
虽然一般的电子实验多使用几种固定电压,如5V、9V、12V等,但也不排除需要较特殊或变动电压的情况。所以,之前制作的固定电压输出的电源(例如多功能直流电源的制作文中的电源)有时满足不了实验需求。于是利用LM317自制了本电源模块。
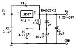
上一篇文章用LM317制作简易电源电路已详细介绍了LM317,本文使用的是图1所示的电路。本模块需要另配直流电源供电,可以利用爱好者现有的直流电源,LM317有较宽的输入电压范围(5V~40V)。假定输入电压为Vin(5V<Vin<40V),则改变R1和R2的比值可使输出电压在1.25V~Vin之间连续可变。
图1 这是本模块的实物图供参考(点击可放大):
|



























