|
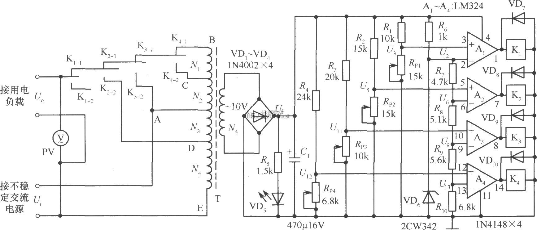
如图所示的全自动交换调压器可以把160~270V范畴内变革的市电电压Ui自动、有用地节制在220±10%V以内。继电器K1~K4和变压器T视调压源的负载而定。本节按100W用电负荷计划、选型,能满意一样平常家用电器行使。K1~K4选用4098(DC9V)继电器。T的铁心回收GEIB30-D310-0.35B优质硅钢片,叠厚为30mm,ST=9cm2,Po≈l00W。匝/伏比Tr=5匝/V。N1、N2、N3用Φ0.57rnrn(23#)高强度漆包线绕到129匝、283匝、99匝;N4和N5用Φ0.36mm(27#)高强度漆包线别离绕制1004匝、50匝。RPl~RP4选用WHW-1型合成膜微调。VD5为2EF102(全塑、Φ5rnrn、赤色)发光二极管。VD6选用2CW342或1N59958。PV选用85L1-V300V型制品电压表头。其他元器件按图所示标注选型。
(责任编辑:admin) |



















