|
我初中的时候
用LM317做了可调\恒流2用电源,
用军用电台的频道切换开关在2功能间切换。
一直用了很多年,后来改用338做了个2A的,但后来搬家弄丢了。
做这个电路已经耽误了一年了,
本来是买白光电路的时候,
一起买了个电流电压表头,
买了很多东西,
后来因为觉得要做就做个最好的。
关注过春光的电源,
【数控,精度很高,但做那个变压器很蛋疼,成本也很高】,
也关注过M8电源等,
这些材料一直放着。
后来在本坛看到一位“长”者做了一个电源,
顿感羞愧啊!
后燃烧起再做的打算,
可惜年底很多事情都离不开身,
趁这几天手闲,
花了2天做了这个电源。
注:我买的是一年前的表头,现在已经改版,可能和现行版本不一致。
我这个需单独的5v供电,用的是强光手电中,
车充中的34063电路做了个5v供电,见图中黑色模块
但是照相机没电了,部分细节没拍照。
补充下,空载不能实现电压0v起调 最低:1.236v
当把电流调为0时,接上负载电压为0。
最低电流:可以实现0MA起调。
今天又制作了配套的电源线
2011年12月28日晚,做了最后的更新贴:
2012年2月20日,应坛友要求,上面板psd文档:http://115.com/file/e73u7b3c#电源.psd
成本粗略计算:
电源部分: 1、外壳18元 2、控制板18元,看了下原店主没有卖了。 3、笔记本剪线电源25元 4、多圈电位器 6*2 5、表头 38元 (一年前买的,现在的改版了,改为接线柱,好像是2路了) 6、小开关1元 7、接线柱原来买的,记不得了大概是1.5*2 8、5v小模块(手电的车充34063方案的) 9、其他不计了。
【2011年2月27日凌晨0.29更新】
添加了接线示意图:
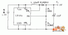
【2011.12.28更新】应坛友的需求,花了一天时间测绘了原件图!
图中2596的4脚所接的二极管没有标示,没有标注。
本人不承担由测绘错误引发的一切责任,版权归原厂家。
感谢fish8840老板帮校对,图中电感为100UH,取样电阻为0.022欧!
无奈买有多圈电位器 网上看了最低的3.8元 但考虑这几天估计“慢递”会很蛋疼 于是又来到了昆明前兴路的青棚村电子市场 有一家diy材料比较全的 叫“天朝”电子的 这家说实话以前买过很多次了,印象很好 一问说有2.2K的和4.7K的,2个正是需要的 一问15元一个,蛋疼 跟她【20出头,像春春一样的】讲价 说网上3.8一个,如果便宜点买2个 最后最低10元一个 无奈啊 走一圈吧 在“兴明”电子店 一个60多岁的老太太,很慈祥 一问,只有4.7K 10K 47K 那好吧,买一个4.7K的 叫价6.5一个,没讲价了 直接掏钱有6元,老者手下了。 这家比较便宜 买了4个船型开关 1元一个 4个小夹子 0.5一个 16根胶棒1元一条 买了10条不同的热缩管,每种2米 说好是0.8元一米,最后只收了10元。 无奈还差一个2k的多圈 于是返回前一家,10元就十元吧 进去说拿个2.2k的多圈 那个春春说,没有。 我说刚才还说有啊 拿个春春说,刚才有,现在没有啦! ntm的,真是蠢蠢。 (责任编辑:admin) |






































