|
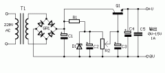
这个论坛大家玩剩下的锂电池肯定很多,直接用电压又太高。于是DIY一个1.5V的稳压电路,刚刚好是一节干电池的电压,可以用在石英钟等地方。 总是说我没有原理图,主要是手画的实在太丑。~~我今天下了个AD16,特意画了一个。 ![]() 刚刚用软件画的不是太好。。。 好了,开始用洞洞板焊接,电阻采用0603贴片的,直插的体积就太大了。三极管没有办法,手头上只有直插的。 ![]() 背面就一个电解电容: ![]() 好了半小时焊接完成,用锂电池供电看看效果怎么样: ![]() 空载电流5μA,可以说是非常的低了 ![]() 输入电压4.1V: ![]() 输出1.5V: ![]() 下面的说明;来自于本论坛的decent大神: R1可以390K~560K,取值越小电流损耗相应增大 R2在3M±20%左右均可 R3和R4的比值决定输出电压值,R3+R4总阻值在1M±20%左右为宜,总阻值越小电流损耗也会有所增大 C1用普通瓷片、贴片均可,0.1u是个很常见易得的规格 C2为4.7u~47u任意电解,无耐压要求 三极管只要是小功率NPN均可,不限型号,只希望β尽量大,最好不低于300。如果实在有困难,200左右也可以,只是输出电流能力稍有降低,但对石英钟来说,即使有5mA也足够了 (责任编辑:admin) |




















![[原创]LM338K可调电源DIY](/uploads/allimg/170727/1_0HGA2592922.jpg)





