最好的电子音响科技diy制作网站

haoDIY_音响电子电脑科技DIY小制作发明

当前位置: 主页 > 音响DIY > 耳放DIY >

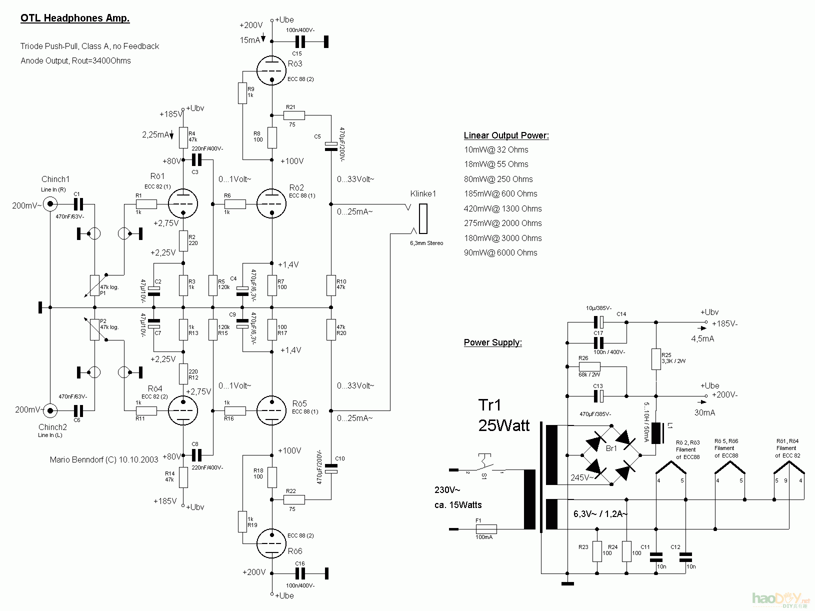
国外胆友的ECC82+ECC88SRPP 电子管输出耳机放大器胆耳放

时间:2012-09-10 17:47来源:未知 作者:admin 点击:
电路图点击可放大
国外胆友的ECC82+ECC88SRPP 电子管输出耳机放大器胆耳放

电路图点击可放大
国外胆友的ECC82+ECC88SRPP 电子管输出耳机放大器胆耳放

 
国外胆友的ECC82+ECC88SRPP 电子管输出耳机放大器胆耳放
 

 

国外胆友的ECC82+ECC88SRPP 电子管输出耳机放大器胆耳放
国外胆友的ECC82+ECC88SRPP 电子管输出耳机放大器胆耳放
 

国外胆友的ECC82+ECC88SRPP 电子管输出耳机放大器胆耳放
 

(责任编辑:admin)
织梦二维码生成器
顶一下
(0)
0%
踩一下
(0)
0%
------分隔线----------------------------
发表评论
请自觉遵守互联网相关的政策法规,严禁发布色情、暴力、反动的言论。
评价:
表情:
用户名: 验证码:点击我更换图片
栏目列表
推荐内容