|
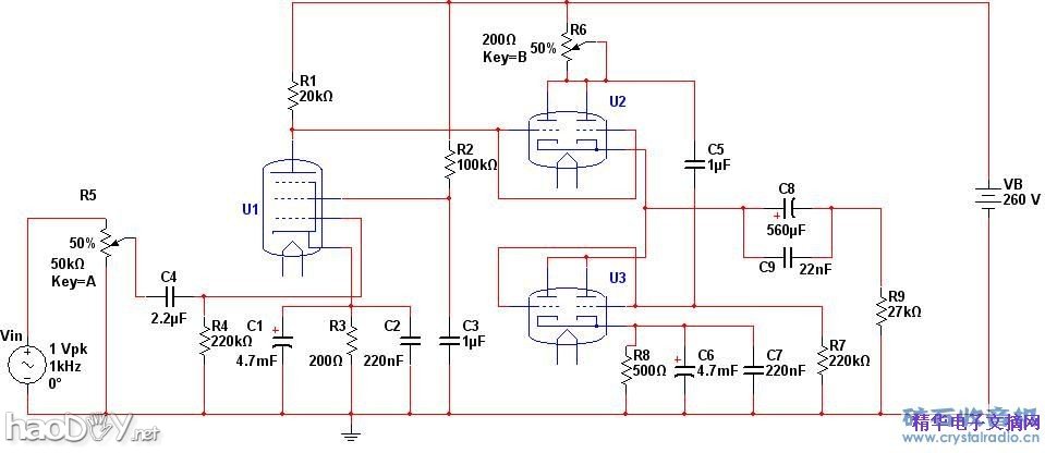
电路图是根据Morgan Jones的那个推挽图改的。为了不用贵的输出变压器并保持比较好的低频输出能力,把6n15内两个三极管并联和另一个6n15用电容推挽输出。电源就使用前几天贴的那个危险电源,在前面加上了一个220V输入,输出230V以及两个独立的9V的100VA变压器。9V稳压到6.3V点灯丝,U1 U3用一组(灯丝负级接地),U2用一组(浮着)。因为不会用multisim画多绕组的变压器,就在这里描述一下/shy。软件自带的help里边画变压器那招不灵,谁能教我一下?机器响了,用DT231我听不到交流响,能听到弱但是明显的本底白噪音。声音信号输入以后感觉效果不错,比较通透和柔和。R6本来是想用来调节输出波形的对称性,但没有示波器,也弄不了,暂时放在180欧。现在想把这个噪音弄掉。是不是因为增益太高,要加入一点负反馈?另外R5还没有装,就是信号都是100%输入的。
把电路图里面输入电位器R5加上以后,音量调整到中间的时候,输出就开始瞎叫唤。试了一下用两个电阻串联来代替这个输入的衰减器,只要电阻值大于3k就要乱叫。不知道这是为什么?
最后用910欧电阻和300欧电阻串连,然后从这两个电阻的连接处引输入,再把电源拿到远处,噪音就基本上听不到了。估计噪音主要是从我的声卡(SBlive external)上面出来的。 还没有找到便宜的机壳,把胆管固定在一个肥皂盒上,电路就先裸着了。自己感觉现在的声音挺不错的,输出功率确实很足,呵呵。贴几个图片吧。
总体感觉还是挺好的。增益稍微高了一点,没有加负反馈。如果音源有很少的底噪的话,会被放大到听得到的地步。我用的音源是creative sblive external,耳机beyer dynamics DT231G和森海塞尔px200(莫笑啊,我是穷学生)。耳放上音量调小一点,电脑上调大一点也可以解决这个问题。但是没有输入的时候是很安静的,在安静的屋子里,用森海塞尔px200听不到杂音的。音量上,可以响到我觉得受不了,这个情况下听不出失真。 声音感觉比较干净通透,解析力还不错,相比较原来做的opa2134 和opa2604的迷你耳放感觉声音更好,并且要柔和一些,并且低频一点没有变少,该劲的地方也毫不含糊。不过我没有听过特别好的商业耳放,只是个人感受。只是有个问题,即是敲6j1有点像敲三角铁一样,耳机里会有一声,不知道这个是不是所谓的microphonics的问题。 (责任编辑:admin) |































