最好的电子音响科技diy制作网站

haoDIY_音响电子电脑科技DIY小制作发明

当前位置: 主页 > 音响DIY > 耳放DIY >

6N1电子管小耳放胆机

时间:2013-02-23 18:59来源:www.crystalradio.cn 作者:112255 点击:
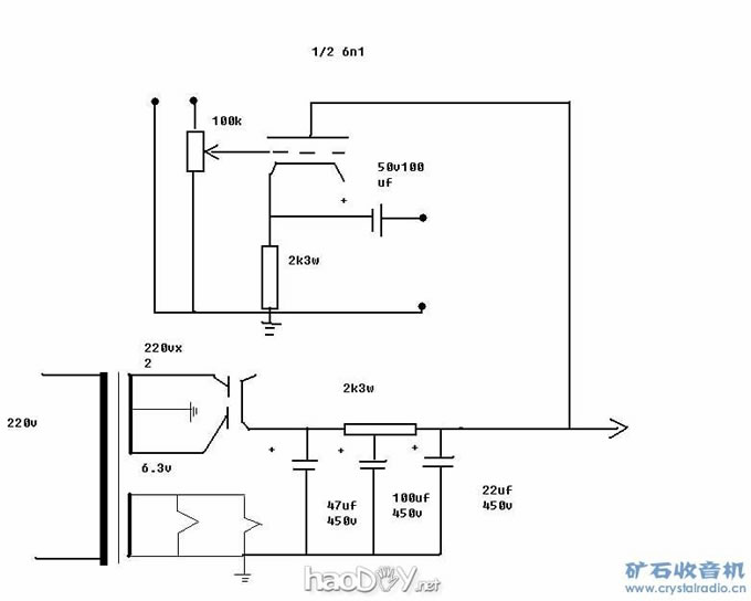
电源变压器使用宝石441的电源牛,6N1阴极输出,6Z5P整流。输出阻抗32欧。使用三级CRC滤波,故无一点交流 [ 本帖最后由 tltszl 于 2009-7-24 13:36 编辑 ] 3.jpg (18.35 KB, 下载次数: 50) 4.jpg (17.98 KB, 下载次数: 45) Img0005.jpg (51.51 KB, 下载次数:
电源变压器使用宝石441的电源牛,6N1阴极输出,6Z5P整流。输出阻抗32欧。使用三级CRC滤波,故无一点交流

[ 本帖最后由 tltszl 于 2009-7-24 13:36 编辑 ]
 

3.jpg (18.35 KB, 下载次数: 50)

 

6N1电子管小耳放胆机

 

4.jpg (17.98 KB, 下载次数: 45)

 

6N1电子管小耳放胆机

 

Img0005.jpg (51.51 KB, 下载次数: 47)

 

6N1电子管小耳放胆机

 

Img0007.jpg (41.07 KB, 下载次数: 47)

 

6N1电子管小耳放胆机
 


3.jpg (73.86 KB, 下载次数: 40)

 

6N1电子管小耳放胆机

 

Img0006.jpg (55.71 KB, 下载次数: 38)

 

6N1电子管小耳放胆机

 

5.jpg (29.04 KB, 下载次数: 43)

 

6N1电子管小耳放胆机

能直接推耳机,声音够大

 

(责任编辑:admin)
织梦二维码生成器
顶一下
(0)
0%
踩一下
(3)
100%
------分隔线----------------------------
发表评论
请自觉遵守互联网相关的政策法规,严禁发布色情、暴力、反动的言论。
评价:
表情:
用户名: 验证码:点击我更换图片
栏目列表
推荐内容