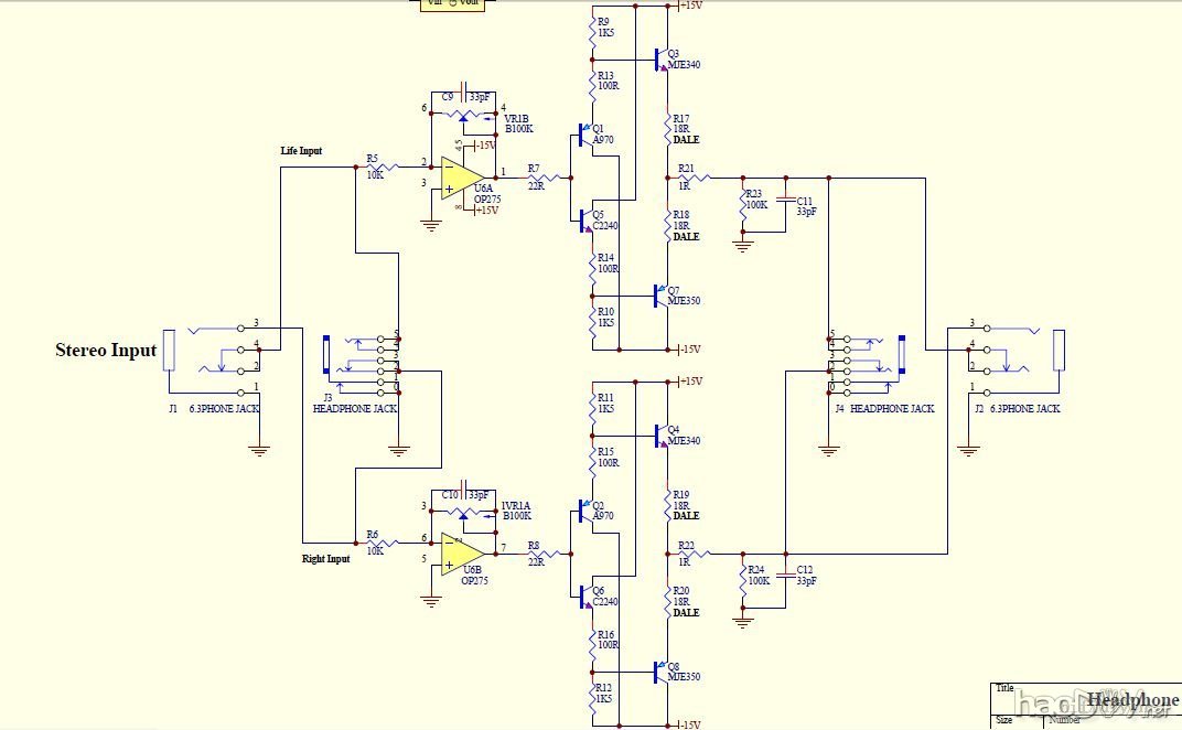
本人的第一台DIY.....电容用的是ELNA,电阻用的是DALE,低频强劲有力,高频无比清晰!电源是司服+-15vDC,运放是OP275,管子用340,350。已通过AP测试........![]() ![]() ![]() ![]() ![]() 频响 ![]() 失真度 ![]() 信噪比 ![]() 杂音 ![]() 增益 ![]() 电源 ![]() 放大级 ![]() 谢谢支持,声音还比较耐听… (责任编辑:admin) |
本人的第一台DIY.....电容用的是ELNA,电阻用的是DALE,低频强劲有力,高频无比清晰!电源是司服+-15vDC,运放是OP275,管子用340,350。已通过AP测试........![]() ![]() ![]() ![]() ![]() 频响 ![]() 失真度 ![]() 信噪比 ![]() 杂音 ![]() 增益 ![]() 电源 ![]() 放大级 ![]() 谢谢支持,声音还比较耐听… (责任编辑:admin) |
一、 唠叨一下 尘封了三年的芯片了吧,大学时期狠下......
首先要咯嗦下:本人酷爱音乐和电子DIY制作的作品很多,本着实用,经济的思想,追求完...
题目说明: aier就是我在论坛上的注册IDA4代表我最近设计的第4款耳放,甲类是因为我设...
用1A2做的单灯耳放,音量很大,感觉音质比2P2好。 2011-12-25 17:09:10 上传 下载附件...
首先来张电路图, 运放opa2132p耳放,耳机放大器,运放耳放,opa2132,...
做了很长时间洞洞板,决定自己开板设计台耳放,但是因为自己还不会protel99,所以PCB...
垃圾打造创意舒适耳机【周最佳】
更新:2017-07-05
第一次发贴——打造自己的DAC+耳
更新:2012-09-22
我的6款耳放实验 胆石耳放 电子
更新:2017-05-12
6SN7+6V6电子管胆机输出牛出耳机
更新:2012-08-28