(责任编辑:admin) |
一、 唠叨一下 尘封了三年的芯片了吧,大学时期狠下......
首先要咯嗦下:本人酷爱音乐和电子DIY制作的作品很多,本着实用,经济的思想,追求完...
题目说明: aier就是我在论坛上的注册IDA4代表我最近设计的第4款耳放,甲类是因为我设...
用1A2做的单灯耳放,音量很大,感觉音质比2P2好。 2011-12-25 17:09:10 上传 下载附件...
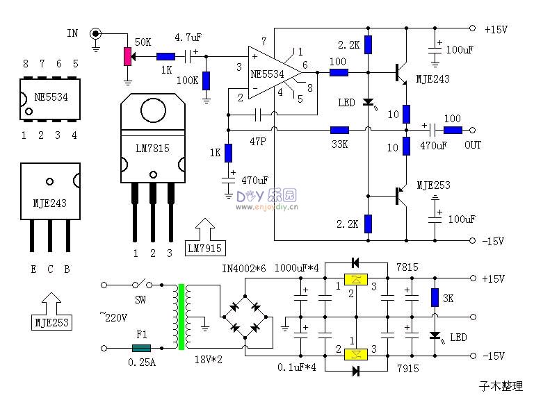
首先来张电路图, 运放opa2132p耳放,耳机放大器,运放耳放,opa2132,...
做了很长时间洞洞板,决定自己开板设计台耳放,但是因为自己还不会protel99,所以PCB...
拆一支牙刷和两个电容,然后DIY做
更新:2017-06-23
再做平民元件靓声MOS耳放
更新:2012-09-30
本人的第一台DIY耳放
更新:2012-09-17
为拜亚动力DT990 耳机打造了一台
更新:2012-10-17