最好的电子音响科技diy制作网站

haoDIY_音响电子电脑科技DIY小制作发明

当前位置: 主页 > 音响DIY > 耳放DIY >

再做平民元件靓声MOS耳放

时间:2012-09-30 16:53来源:hifidiy.net论坛 作者:zppzbs1 点击:
去年冬天偶做的平民元件JLH1969小甲耳放,听感着实不错,这让我很是兴奋了一阵子,后来一直很忙,无暇再做其他的,但梦想中一直想做一个MOS耳放与之PK一下,看看孰优孰劣,最近终于得空,陆陆续续忙了半个多月,终于完成制作,美中不足的是还没找到合适的机
去年冬天偶做的平民元件JLH1969小甲耳放,听感着实不错,这让我很是兴奋了一阵子,后来一直很忙,无暇再做其他的,但梦想中一直想做一个MOS耳放与之PK一下,看看孰优孰劣,最近终于得空,陆陆续续忙了半个多月,终于完成制作,美中不足的是还没找到合适的机壳,还在裸奔中,呵呵。。。。
闲话少叙,上图描述制作过程。

设计方案时,在网上搜集了有关MOS功放的许多资料,但没有一个令人满意的,不是线路太简单令人不敢相信能出靓声,就是线路太复杂令人望而却步,更有的图中错误百出,简直是误人子弟,于是只好博采众长,自己设计一个适合自己的版本。参考的资料有如下几款: 再做平民元件靓声MOS耳放

再做平民元件靓声MOS耳放

还有:
再做平民元件靓声MOS耳放

再做平民元件靓声MOS耳放



其中第一张图,由于只是采用了两级源极输出器,线路太简单,没有电压增益,而且无稳定工作点电路,工作起来温漂大,工作极不稳定
第二张图前级用了运放做驱动,稳定性好了许多,但由于运放音色的影响,使得后级MOS输出级失去了本来的特色,不是我喜欢的类型

第三张图前级使用电流源差动放大,抗共模干扰能力强,稳定性好,且可以利用调换管子来调整音色,这是其优点,但驱动级与输出级之间电压偏置电路只用了简单的电阻分压,使得前后级传输效率有所下降,而且工作也不稳定,工作点变化大
第四张图驱动级与输出级之间采用了电压倍增电路做输出级的电压偏置,传输时信号无衰减,这种方案是我喜欢的类型




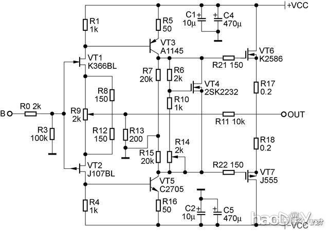
结合以上电路的优缺点,我设计了一个3级放大电路,输入及采用恒流源供电的差动输入级,提高共模抑制比,降低温漂电路为单入单出结构;中间(驱动)级采用恒流源负载的共射放大电路,有效提高电路增益;输出级采用经典MOS名管K214/J77做射极推挽输出,考虑到是小功率甲类耳放,所以只用了一级中间驱动。如果要做大功率输出(比如超过20W),则需要再加一级中功率管推动级。中间级与输出级之间增加电压倍增电路做输出级的电压偏置,提高了电路稳定性与信号传输效率,又方便了末级工作点电流的调整,电路如下:
再做平民元件靓声MOS耳放



电路设计好了,于是开板制作,又是漫长的等待过程,10几天以后,板终于出来了,见下图:
再做平民元件靓声MOS耳放

再做平民元件靓声MOS耳放

元件全部焊上的样子:
再做平民元件靓声MOS耳放



加电测试各级静态工作点,一次装机成功。测得输入级1.5mA,中间驱动级10mA,调整电压倍增电路的可调电阻,使输出级电流为120mA,这是K214/J77的最佳工作电流。静态工作时,电路一切正常。半小时后,散热器温度大概在45度左右,再次测量输出级电流,电流增加到了135mA,于是再次调整电压倍增电路的可调电阻,使其电流稳定在120mA,又观察半小时,电流变化范围不超过2mA,一切工作正常。
测量输出点静态电压,两个声道都是0.12V,由于是直接输出,没有隔直电容,怕心爱的耳机烟花,所以外接了两只隔直电容,先接上炮灰级耳机试听:
再做平民元件靓声MOS耳放


哈哈,声音出来了,感觉还不错,一次成功。再接上森海塞尔的HD600,这回悠扬的音乐终于飘出来了:
再做平民元件靓声MOS耳放

N沟道MOS叫NMOS,P沟道MOS叫PMOS,两种类型的管子综合在一起使用,叫互补MOS,简称CMOS

在元件的选择上,还是坚持用平民元件,不用发烧补品的原则:电阻全部用普通金属膜;电容除输入耦合电容用了轴向CBB,电源滤波用了红宝石之外,其余全是普通电容;输入级三极管用的2N5401,中间驱动级采用2N5551,其余恒流源管、电压倍增管都用常见的9012 、9013,只有末级输出采用的K214/J77,这也算是本次制作中用到的最昂贵的“补品”元件了。

用电容阵供电,原来的一点电源交流噪声一扫而光,背景太干净了,开到11点位置才能听到轻微热噪声
再做平民元件靓声MOS耳放

本来是为大甲设计的,这里每声道只上5只电容,合计11000微法,120mA电流负载足够了
再做平民元件靓声MOS耳放

临时接的一对三端稳压
再做平民元件靓声MOS耳放

 

已打安装孔

再做平民元件靓声MOS耳放


再做平民元件靓声MOS耳放
正在安装的功放板
再做平民元件靓声MOS耳放

再做平民元件靓声MOS耳放

再做平民元件靓声MOS耳放

再做平民元件靓声MOS耳放

上耳机试听,全家福,呵呵!!
再做平民元件靓声MOS耳放

音源:创新声卡音频输出
耳机:森海塞尔HD600
线材:自制音频输入电缆
软件:《雨果》发烧碟之《寒鸦戏水》、《摔玻璃杯》;龚玥《民歌红》之《鼓浪屿之波》、李烁《花间梦》;《雨果》发烧碟之《丰收锣鼓》、《雨果》发烧碟之《天使之翼》、《雷雨》

其中《雨果》发烧碟之《寒鸦戏水》、《摔玻璃杯》主要为测试高音,对比结果:
HOOD1969小甲与MOS小甲在高频表现上不相上下,同样的纤细明亮,不毛不燥,尤其是玻璃杯的碎裂声好像就在眼前。但MOS小甲高频解析力更高一些,表现在声音上就是分毫毕现,但比较直白,相比之下,1969音乐味更浓一些。
龚玥《民歌红》之《鼓浪屿之波》、李烁《花间梦》主要为测试中频人声,对比结果:
在中频的表现上两者的表现风格迥异,HOOD1969小甲同样秉承了解析力高、中规中矩的效果,但显得略微平淡。MOS小甲则特色明显,龚玥和李烁的人声在耳边娓娓道来,倍感亲切,极具亲和力,但解析力稍差。
《雨果》发烧碟之《丰收锣鼓》主要测试低音,对比结果:
这次MOS小甲全面胜出,低音丰满有力,拳拳到肉。HOOD1969小甲则显得稍微疲软,有力不从心之感。或许是因为二者供电电压不同吧,MOS小甲为正负12V供电,而1969只有单12V供电,这或许是1969低频量感不够的原因。
《雨果》发烧碟之《天使之翼》、《雷雨》主要测试的是声音结像力,对比结果: (责任编辑:admin)
织梦二维码生成器
顶一下
(0)
0%
踩一下
(0)
0%
------分隔线----------------------------
发表评论
请自觉遵守互联网相关的政策法规,严禁发布色情、暴力、反动的言论。
评价:
表情:
用户名: 验证码:点击我更换图片
栏目列表
推荐内容