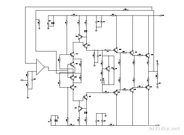
前言:据可靠情报,米国第5代新型战机F55正在紧锣密鼓的研制中,估计几年后就要试飞。可他绝对没想到,由“中国音响DIY”论坛成员FWX0506研发的山寨版F55先行起飞了。![]() 差不多两年都没有DIY机器了。在深圳这个城市工作生活,节奏太快,压力太大 。但不管怎样,生活中绝对不能缺少高品质的音乐,要想听高品质的音乐,就必须有一套高质量的音响播放系统。虽然没时间动手,但动眼还是可以的。只要我打开电脑,必上论坛溜达一下。我等菜鸟学学东西,饱饱眼福,流流口水,多认识一些圈子里的朋友,也是生活中一大乐事。 这次为了搞一个简单的家庭影院,还差一台后级,另外,手上有两个耳机。有时候要听一下,还得需要一台耳放。早就想做这两台机器了,可总是没时间。零零散散的想法,零零散散的购买的元件,都积累快锈迹斑斑了,还好,这段时间工作比较闲点,为了我的梦想,为了论坛建立八周年纪念,为了2012,得动动手,做个东西纪念一下。现在开始动起来吧。 既然是F55,在各方面都不能马虎,尽自己的能力去做。只有用心去做一件事情,才能把它做好。音响产品,不光是用来听,也是用来欣赏的。坛子里有很多制作高手。有些做得真的太漂亮,简直是艺术品。男人的细致和耐心以及思考动手能力在此体现得淋漓尽致。 耳放版:先做耳放吧,后级要慢点。虽说主要是做耳放,但我想,为了节省,为了以后方便DIY,为了通用。就做成耳放-前级-推动三合一一体板了。就像是一个平台,用此板可以玩耳机,前级,桌面功放,也可以和后级电流放大板一起组成纯后级。另外,为了玩更多类型的管子,尽量做成兼容的。一般的BJT和JFET管可以兼容。就这,可以让我好好玩两年了。 电路图选择:对于DIY,我不否认复杂电路能出好声,但简单电路更易出好声。我承认我还没那个能力把一个复杂的电路调出好声来,也没那么多精力,那么多的成本。所以,我选电路图,一定比较简洁简单。另外,我一般不会照抄照搬铭器电路。其一,我是怕没那个能力DIY出原机的水准。其二,电路图海洋里,不知道哪个是真,哪个是假,电路图元件的参数是不是都是准确的。 下面的电路图,也可以说是自己DIY的吧。大概的轮廓图吧。骨架有马兰士的影子。因为电压不同,因为还需调试,有时候,一边画板子,一边修改,所以参数还未确定。需要到后面整理完善。 大概说一下电路图,电流反馈加伺服。也可以取消伺服的元件,就是纯直流反馈纯直流放大,关键是看中点飘的程度。两级推动,耳机和前级只取推动以前部分。高深的理论俺也不懂,说不清楚,我唯一知道的是,此电路一定能响。 ![]() 有的人也许要问,为什么做耳放,不用稳压电源啊。是的,我不打算用稳压电源。大家用稳压电源的目的也许都是是为了工作稳定,提高信噪比吧。因为不用稳压电源,怕出现这方面的问题。我试试看,不用稳压电源的效果,这只有在布局布线上下功夫了。好像,稳压对音质没好处吧。 我不想用仿真来说明证明一些问题,仿真这虚幻的东西可以指明一个大概的方向。实际出来的东西和仿真出来的是两码事。 PCB的布局布线:有些朋友只重视选电路,用补品和高档的材料。我认为,PCB布局布线,要比选电路,用高档补品重要得多。如果布局不好,地线没处理好,你用顶级的补品也补不好。PCB是所有元件的载体,把所有的元件连接。所以PCB的材料铜层都很重要,能加厚尽量加厚,能用好材料尽量用好材料,增加这点成本,比增加贵的线材成本来得实惠。 PCB自己可以腐蚀板子,也可以打板,打板成本高,但省事,漂亮很多,做得好,有厂机风范。 下面是我画的打样的板子:全对称完全独立双声道设计。从输入到输出没有共地,可以认为是两台独立的单声道装在一个机箱里。2盎司铜层,2.0mm板厚。沉金工艺。希望在音质和分离度这些方面有所提高。 既然是F55,也就有先进和独特的地方。大概的说一下布局布线: 可以单发可以双发,兼容单牛和双牛,不管是几线的,只要有正负电压出来就行。 可以取消伺服电路元件,就是纯直流反馈和纯直流放大。 可以选定一级推动,两级推动。 各种元件多样性选择 输入电压放大部分和电源推动部分是分开的,被散热器隔离屏蔽了。 一般人喜欢把耳机座装在板子上,音频输入从机箱的RCA头引线连到板子上。而我刚好相反,我把RCA头直接插在板子上,不用引线,而耳机座子引线装到机箱上,我想输入引线干扰远远大过输出的引线干扰。尽量让输入引线最短。 真正的一点接地分离技术:所有的地线都是单独的,不重合。而且音频地和交流电源地是分开的。 输入耦合电容可以兼容很多封装的。不打算用输出电容,因为有伺服电路,就不必担心中点了,要中点为零不是办不到的事。输入也可以不要,直接短路。只是可以用输入电容来调音缓冲。 输入端子两种兼容。 也许有人说,伺服电路会不会音响音质。我的回答是,几乎不会,关键看怎么用。伺服电路加入,使电路更稳定,免去调中点的繁琐。我把伺服电路调到零界点,所谓的零界点,就是伺服起作用,但不是很强的作用,刚刚中点在0左右就行。尽量减少伺服的调整作用,纯直流反馈是主要的反馈系统。我的伺服电路不是一般的单纯直流伺服,还有输入缓冲作用。 推动管可以兼容大部分管子。BCE中大功率管,GSD和GDS大中场管。 完善的接外壳地,所有管子热耦合放置。 下面是思考动手过程,请大侠们多指点,多赐砖。 ![]() ![]() ![]() ![]() 今天晚上的进展。差不多一大半了。 ![]() 时间不充足,进度有点慢,板子焊接快差不多了。 板子焊接已经完成,看样子像攻击中的战斗机吧 ![]() ![]() ![]() 机箱也来了。 ![]() 这两天有点事情,今晚有空测试一下,正弦波就不上了,上几个方波吧。 10KHZ
20KHZ
1KHZ
|



。但不管怎样,生活中绝对不能缺少高品质的音乐,要想听高品质的音乐,就必须有一套高质量的音响播放系统。
































