最好的电子音响科技diy制作网站

haoDIY_音响电子电脑科技DIY小制作发明

当前位置: 主页 > 音响DIY > 耳放DIY >

直播 DIY高文29耳放+sigma22电源 !!

时间:2012-09-26 16:38来源:hifidiy.net论坛 作者:小电鸟 点击:
问老板要了一套他新打样回来的板子,昨天到手不错,板子非常漂亮。 昨天已经把电阻全部装完,今天看看能装到什么地步!! 手机拍的,多多包涵!呵呵!! 下载 (144.41 KB) 2011-7-29 10:20 别急啥!哥们!!还要上班呢!! 上图刚刚装完小管!!关键部位逼着
问老板要了一套他新打样回来的板子,昨天到手不错,板子非常漂亮。
昨天已经把电阻全部装完,今天看看能装到什么地步!!
手机拍的,多多包涵!呵呵!!
直播 DIY高文29耳放+sigma22电源 !!

别急啥!哥们!!还要上班呢!!  
上图刚刚装完小管!!关键部位逼着他做了个同极配对,后面的调试可以少花点功夫直播 DIY高文29耳放+sigma22电源 !!
直播 DIY高文29耳放+sigma22电源 !!



焊好MTK电容和部分云母电容,还有水泥电阻!!
mtk电容我做了一些改动,用一些我喜欢的NCC的0.1uf  和 EVOX MMK 0.1UF 直播 DIY高文29耳放+sigma22电源 !!
直播 DIY高文29耳放+sigma22电源 !!

明天买一些推动管和稳压管!
不喜欢用139140做推动直播 DIY高文29耳放+sigma22电源 !! 直播 DIY高文29耳放+sigma22电源 !!


上个用相机拍的清晰的图!!
直播 DIY高文29耳放+sigma22电源 !!



继续直播!! 修改了一些地方,也许能更好声!!
1.增加反馈电容,是呻吟更均衡;
2.替换输入电阻为进口的碳膜电阻,声音可以暖一些,更讨好耳朵(整体图中红框中的电阻);
3.威士整流二极管并联飞利浦bbc,这个不用介绍功能了吧!
4.买了些极品金属膜电阻470欧姆,准备替换推动级1k电阻,提高推动管电流!(还没干,试听后再换)
5.主电容想换大点,电子市场看了好久,只有翻新的!明天去二手市场看看拆机的,
  实在不行就如图这样用了,日本红宝石6800uf+美国CDE 2700uf直播 DIY高文29耳放+sigma22电源 !!
直播 DIY高文29耳放+sigma22电源 !!




直播 DIY高文29耳放+sigma22电源 !!


直播 DIY高文29耳放+sigma22电源 !!

当然可以当前级!!拔掉耳机自动切换到后面的前级输出直播 DIY高文29耳放+sigma22电源 !!

原理图 高文29
直播 DIY高文29耳放+sigma22电源 !!

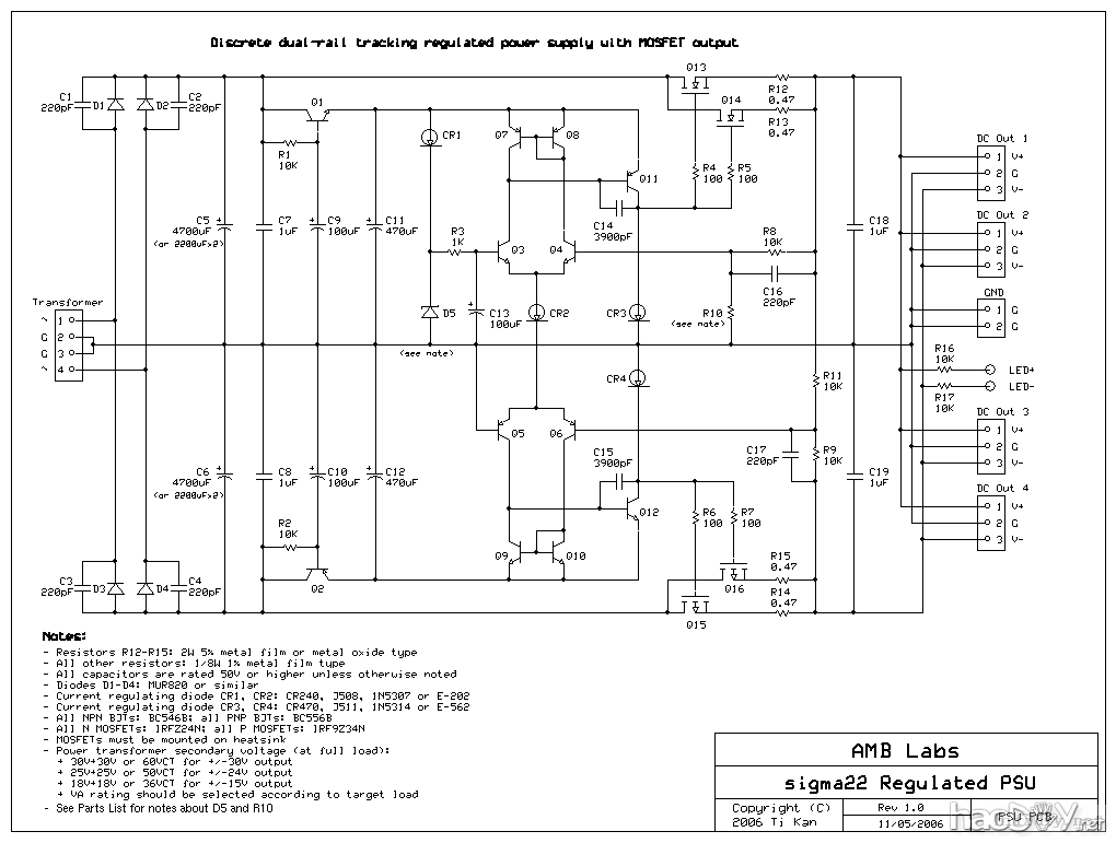
sigma22电源:

直播 DIY高文29耳放+sigma22电源 !!

继续上图!终于做好了推动管的散热片   直播 DIY高文29耳放+sigma22电源 !! 直播 DIY高文29耳放+sigma22电源 !! 纯手工打造!!直播 DIY高文29耳放+sigma22电源 !!

直播 DIY高文29耳放+sigma22电源 !!



今天牛牛和4个尼吉康  50v 10000uf 到了,装上,背面并上ROE 0.1uf,感觉不错!!直播 DIY高文29耳放+sigma22电源 !!
日本牛牛,双32v  150w 足够用了!直播 DIY高文29耳放+sigma22电源 !!




终于开声,不好意思,让大家等太久了!由于没有箱子装,只有先裸奔了直播 DIY高文29耳放+sigma22电源 !!
没有机箱的悲剧就是每管都要飞线,每边7个,每管3个脚,
一共42条飞线,去皮、上锡,焊脚,上套管,上板!直播 DIY高文29耳放+sigma22电源 !! 简直头晕!
中途折腾我好几次!继电器电路稳压电路三极管选错,保护电路没电,
换好三极管,还是不动作,我xx,继电器上的是24v的直播 DIY高文29耳放+sigma22电源 !! ,差点晕倒!
艰辛的过程最终得到了回报!!一股夏天的清泉涌入耳朵!直播 DIY高文29耳放+sigma22电源 !!
用天龙功放原配的试音碟听了一遍下来,感觉高音清亮,
中频就不得不说说人声了,很有磁性,犹如18的少女一样柔美,声场开阔,很棒的人声。
低音控制的很好,放的自如,收的及时,一点都没有拖泥带水,结实丰满直播 DIY高文29耳放+sigma22电源 !!
文笔不太好,吹牛能力太小,只能写写现实感受,各位烧友见谅直播 DIY高文29耳放+sigma22电源 !!
我晕忘记说什么耳机了,1.新版白牙DT880(同事的)
2.用老外改造法MOD过的JVC-RX900(mod后的效果非常明显,3段平衡了很多,不mod以前低音太多听久了头晕,层次不够分明)
3.舒伯乐HD-330 150欧姆呀,小高阻了!有些方面还是不错的,解析度不够
4.炮灰sony MDR-15 声音还是可以接受的 ,炮灰不二的选择!直播 DIY高文29耳放+sigma22电源 !!  
音源用的是 欧版sony d-mj95 CD (这个不多见吧) LineOut 输出当音源,音质很好的一个定位于车载的便携CD机!
先上图!  周一来个集体照!
周一带单位测试下曲线怎么样直播 DIY高文29耳放+sigma22电源 !!
直播 DIY高文29耳放+sigma22电源 !!


直播 DIY高文29耳放+sigma22电源 !!



上示波器测试图直播 DIY高文29耳放+sigma22电源 !!
32欧负载100K方波:
直播 DIY高文29耳放+sigma22电源 !!
5MV档底噪截图:
直播 DIY高文29耳放+sigma22电源 !!



(责任编辑:admin)
织梦二维码生成器
顶一下
(1)
100%
踩一下
(0)
0%
------分隔线----------------------------
发表评论
请自觉遵守互联网相关的政策法规,严禁发布色情、暴力、反动的言论。
评价:
表情:
用户名: 验证码:点击我更换图片
栏目列表
推荐内容