|
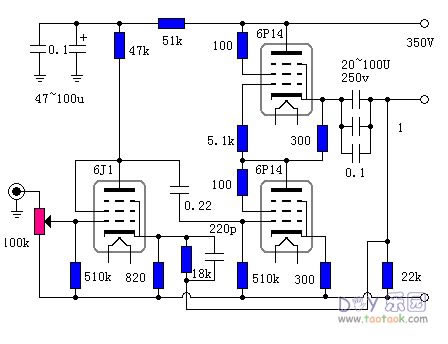
玩腻了胆机和耳放?不如做个胆耳放吧。6J1加上6P14,这个电路搭棚最好,高压和灯丝都用稳压可以降低制作的难度。
整机完成 各位烧友,玩腻了胆机和耳放?那就折腾个电子管耳放吧,6J1加上6P14那叫一个如鱼得水,全频段平衡。
胆耳放背部
(责任编辑:admin) |
|
玩腻了胆机和耳放?不如做个胆耳放吧。6J1加上6P14,这个电路搭棚最好,高压和灯丝都用稳压可以降低制作的难度。
整机完成 各位烧友,玩腻了胆机和耳放?那就折腾个电子管耳放吧,6J1加上6P14那叫一个如鱼得水,全频段平衡。
胆耳放背部
(责任编辑:admin) |
一、 唠叨一下 尘封了三年的芯片了吧,大学时期狠下......
首先要咯嗦下:本人酷爱音乐和电子DIY制作的作品很多,本着实用,经济的思想,追求完...
题目说明: aier就是我在论坛上的注册IDA4代表我最近设计的第4款耳放,甲类是因为我设...
用1A2做的单灯耳放,音量很大,感觉音质比2P2好。 2011-12-25 17:09:10 上传 下载附件...
首先来张电路图, 运放opa2132p耳放,耳机放大器,运放耳放,opa2132,...
做了很长时间洞洞板,决定自己开板设计台耳放,但是因为自己还不会protel99,所以PCB...
【参赛】参赛刚做完的耳放
更新:2017-08-10
听科技TRD3Plus DAC解码加耳放一
更新:2017-06-23
E80CC+ECC99OTL电子管耳机放大器
更新:2012-09-10
【参赛】废旧利用,普通的CD光驱
更新:2017-08-10