|
电子喜爱者在制作各类电子装置时,要对元件举办搜查,电容器即是搜查的工具之一。电子喜爱者一样平常用万用表搜查电容器,但用万用表搜查较量贫困,也不易做到判定正确无误。本文先容一种电容优劣鉴别器,它电路简朴,判定正确,合用于判定1pF~1μF的各类电容优劣,如断路、稍微短路和短路等。
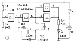
事变道理 电容优劣鉴别器的电道理图如图1所示。由CMOS六反相器CD4069中的两个门G1、G2等元件构成多谐振荡器,振荡频率抉择于电容C1、C2以及电阻R3的巨细,一样平常在几千赫兹以上。当被测电容C2是好的时,电路发生振荡,振荡信号由门G2输出,经门G3、G4断绝后,使赤色发光二极管LED发亮。当电容C2内部断路时,电路不振荡。因为偏置电阻R1的浸染,使G1的两头电压有较大的不同,从而使G2的输出电平较高,约6.5V阁下。这样经门G3、G4后使输出为低电平,发光管不亮。当电容C2内部短路或稍微短路时,则门G2输出端的较高电平通过二极管VD使门G1的输入端为高电平,从而门G2输出也为高电平,门G3、G4输出低电平,发光管LED不亮。二极管VD是防备测试电容短路时,门G1也许输出的高电平通过R3加到G2的输出端,使发光管发亮而发生误判。

元件选择 CMOS集成电路CD4069也可用TC4069来更换。电阻器均选用1/8W碳膜电阻。二极管VD用1N4148。电容C1用瓷介电容。LED用赤色发光管。电池用9V叠层电池。
制作和调试 起首按图2制成线路板。在线路板一侧开两个长方形的孔。再用磷铜片制成如图3的外形和巨细,作为测试电容的插口,并装入线路板长方形孔中焊好。接上电源,调R1的阻值,使G2的输出端电压为6.5V阁下,再把R1换牢靠电阻焊好。找一好的电容插入插口,如发光管LED能亮,则制作完毕。


(责任编辑:admin) |