|
清理越积越多电子垃圾时,发现了两块TFT彩屏,SPI接口的,比较小,1.77寸160x120分辨率,是在tb买的,20RMB,一直积灰怪可惜的,打算做点什么,开始准备做个迷你示波器,不过显然这个TFT刷屏速度可用龟速形容,放弃;做个GPS万年历?大材小用,做个数字功放?不符合功放领域的一直追求的简洁要求;最后想来想去,在手持气象站和手持信号源之间摇摆不定,不过前者需要买微型风速风向大气压传感器和国人最看重的PM2.5/10传感器,价格贵一方面主要是结构我不好安装,所以,选择了后者做一个简易信号源.部分资料在4楼提供,欢迎下载. 先上效果图: 输出正弦波2.5MHz:
输出方波10KHz,60%占空比:
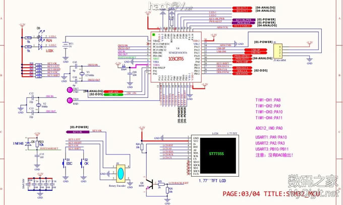
因为是业余制作,又是简单玩玩,所以功能要求比较低:只输出正弦波和方波,但是通过修改程序也可输出三角波,并且增加硬件可以生成锯齿波. 为保持不失真度,参数需求如下: 1.正弦波频率范围:100Hz~7MHz 2.正弦波电平偏移范围:0~2000mV 3.正弦波峰峰值范围:0~2500mV 4.方波频率范围:100Hz~4MHz 5.方波占空比范围:30%~80% 方案采用单片机+DDS+信号调理组成: 单片机采用我比较熟悉的STM32系列,依照本功能需求,选了性价比很高的STM32F103C8T6,价格在7~9元之间; DDS采用10脚SSOP贴片的AD9833,最大正弦波频率输出12.5MHz; 采用高速比较器将正弦波变为方波,单片机通过调节比较器基准调节方波的占空比; 本来是准备使用峰值检测电路控制增益的,但这部分效果不好,所以没有使用AGC功能,直接开环控制峰峰值,导致正弦波在大于7MHz以后幅值明显减少,所以我才将频率最大定在7M; 采用继电器切换正弦波和方波,为降低继电器功耗,采用了磁保持继电器. 并使用了单键开关机电路,这里有许多借鉴的地方,望同学们多多使用,哈哈 再说说这个简易信号源的功能: (1).点频功能:即手动设置单个频率点 (2).扫频:通过设置参数,如起始频率,终止频率,步进频率,步进时间,工作模式,扫描对象(频率还是占空比),扫频方向,循环模式等等,输出一段所希望的扫频信号. (3).参数调出与保存,最多6组点频/扫频参数调入与存贮. (4).RTC (5).系统参数设置,包括自动关机设置,背光亮度设置,时间设置,DDS输出设置和晶振开关设置等等,并且支持中文和英文界面切换. 这是硬件-原理图截图:[我用的Altium Designer 09]
这是硬件-PCB 3D预览:
这是硬件-PCB TOP层截图:
这是硬件-PCB BOTTOM层截图:
这是打样的板子,在JLC做的,太便宜了
这是焊好+调试好的板子:
用SW设计外壳,[根据买回来的现成外壳画的]:
楼下继续... 将SW的外壳导入AD9里: ![]() ![]() 先用微软的visio设计我的界面需求,VISIO功能很强大,非常简单,建议大家多使用: ![]() ![]() ![]() ![]()
这是开机画面:
![]()
这是主菜单图像界面:
![]() ![]() 这是点频界面: ![]() 点频->正弦波界面 ![]() ![]() ![]() 这是扫频界面: ![]() 楼下继续...... 这是扫频->正弦波界面: ![]() (责任编辑:admin) |













































