|
电子管的灯丝供电可以采用交流和直流两种方式。交流供电的好处是声音动态表现好、对电子管寿命影响较小,缺点是噪音相对较大;直流供电的特点则几乎正好与交流供电相反。考虑到耳机放大器的电压放大倍数不大,噪音问题也不会太大,我们决定采用交流灯丝供电。 两级放大电路之间的信号耦合方式通常有直接耦合、电容耦合和变压器耦合三种。直接耦合就是用导线直接连通前后两级,信号可以直接通过而没有损耗,但由于导线两端没有电位差,所以必须把前后两级电子管的各极直流电位都提高,以使前面电子管的屏极和后面电子管的栅极直流电位相等,考虑到电源成本和安全因素,这次最终没有采用直接耦合。电容耦合可以用电容来隔离直流,使各级的工作点(电子管各极之间的直流电位差)得以保持互相独立,但电容会影响到细节和低频的表现,综合考虑后这次采用了电容耦合。变压器耦合的原理与电容耦合类似,虽然变压器耦合的效果可以非常好,但是传输变压器比较难以买到而且价格昂贵,也只好放弃了。 单端功率输出级的输出方式可以分为阴极输出和变压器输出两种方案。阴极输出方案由于不带输出变压器,所以也称为OTL,阴极输出的声音更加透明,声场更好,而且成本可以做得较低;但由于电子管输出阻抗高、工作电流有限,所以单个电子管阴极的输出推动低阻抗负载的能力有限,虽然通过多管并联可以改善推动能力,但是并联输出需要尽量精确的配对,这是我们的财力和条件都难以企及的。反观变压器输出方案,由于输出变压器的阻抗匹配作用,输出级电路所“看到”的是变压器初级的高输入阻抗而不是负载的低输入阻抗,所以推动低阻抗负载的表现较好。同时变压器由于线圈的电感、磁体的磁滞和铁芯钢片的磁传递等作用而具有非常特别的自身音色。变压器输出方式是不能空载工作的,也就是一定要先接上负载再开机。高品质输出变压器的材料和工艺使得其造价也比较高。由于这次是为高档的低阻抗耳机而设计,再回想起麦景图的优美表现,为了打上这个牙祭,笔者也狠狠心选择了输出变压器。 还有就是负反馈。所谓负反馈就是将放大器输出的信号经过反相后送回放大器的输入端。对于是否采用负反馈众说纷纭意见不一,但是负反馈的优点和缺点是有共识的:负反馈能对放大器提高稳定性、降低非线性失真、扩展通频带、提高输入阻抗和降低输出阻抗;但也会造成瞬态互调失真和留下自激的可能。考虑到放大电路只有两级,信号延迟不大,瞬态互调失真也不会严重,同时考虑到稳定性和输出阻抗,所以这里采用了少量的负反馈。 由于其他元件参数需要先确定电子管和输出变压器,所以我们把整个电路的具体参数放到选定器件之后。 选定器件 小结一下上一节的思路:电源是胆整流加CLC滤波,放大电路是全单端电容耦合加变压器输出,辅以少量负反馈 。大致方案敲定了之后,我们再来选择具体的器件。需要我们特别来选择的器件有电子管、耦合电容和输出变压器,其他的如电源变压器、扼流圈、旁路电容和电阻等对声音的影响则不是决定性的。 首先来敲定电子管。 前级电压放大方面,我们应该当然选用三极管,因为三极管失真较低,而且放大能力也足够用了。事实上我们能比较容易买到的三极管都是双三极管,也就是一个玻璃壳体里面装了两支三极管。在音频电压放大领域最常用到的双三极管家族大致有这么几种:CCA/E188CC/E88CC/ECC88/6DJ8/6922/6N11、ECC83/E83CC/12AX7/6Н2П/6N2和2C51/5670/6Н3П/6N3。之所以用这样的形式来写,是因为电子管的很多不同型号其实参数相同或者相近,而管脚意义或产地可能不同,可以代换使用,只是要注意顾及到不同型号之间的差异。以前面列举的第二种为例,ECC83/E83CC/12AX7都是欧美型号, 6Н2П是前苏联型号,6N2是国产型号。E88CC家族设计用于低噪声高频电压放大,声音大致走向是高解析力与平和音色;ECC81、ECC82和ECC83家族设计用于低频电压放大,声音大致走向则都偏向柔美音色;2C51家族设计用于高频电压放大,声音大致走向可以说差不多在前面两者之间。当然出于不同取向,各位朋友可以有不同的选择,只是那样的话必须要根据具体的管子参数来调整电路。同样也是因为有些管子之间可以互换,我们才可以比较方便地品味不同管子之间的不同风格。考虑到个人听音偏好,笔者最终选择了2C51/5670/6Н3П/6N3家族,它们的管脚顺序定义完全相同。 然后是功率放大管的选择。因为我们希望放大器能轻松地持续输出1W以上的功率,而且并不打算在输出级采用多管并联,所以这里只能选择五级管或者输出功率较大的三极管。但是因为能输出大功率的三极管比较贵,所以我们选择了五级管,虽然失真比三极管要大,但是也完全可以接受。符合我们要求的五级管在市场上最容易买到的应该就是EL84/6BQ5/6П14П/6P14,同样地,EL84/6BQ5是欧美型号,6П14П是前苏联型号,6P14是国产型号,它们的管脚顺序定义也完全相同。 最后是整流电子管的选择。市场上有售的很多双二极管都符合我们的要求,比如5U4/5U4G/5Z3/5Z3P、5Z4/5Z4G/5Z4GT/5Z4P、5AR4和5R4等等都可以。对同样的交流电压,5Z3和5R4等直热式整流管的整流电压会低一些,而5Z4和5AR4等旁热式整流管的整流电压则会高一些,不过差别不是太大。上面所述的各双二极管的管脚顺序定义完全相同。 各电子管的国产型号结构示意图请见后文“实践准备”一节。 除了型号,品牌也是选择电子管的重要因素,借用高手的话:“英国胆(就是英国声),好似一杯香浓的咖啡,浓郁细腻,具有超强感染力,令人着迷;荷兰胆,声音顺滑流畅,充满活力而又不失韵味,是一种轻松自然的享受;德国胆,声音干净,直率,分析力高,就像是得意志民族的稳重,严谨,理性的作风;俄国胆,刚猛有力,明快细腻,火气大,很有俄罗斯民族的阳刚之气;美国胆,动态凌厉,节奏明快,刚韧并举,处处可以感受到美利坚的气息”。举例来说,英国品牌有Mullard和Brimar等,荷兰品牌有Amperex和Philips等,德国品牌有Telefunken、Siemens和RFT等,俄罗斯品牌有Sovtec和OTK等,美国品牌有WE、RCA和Tunsol等,东欧品牌有JJ和Tesla等,国产品牌有北京、曙光和桂光等。我国的电子管技术是解放后向前苏联学习的,所以国产胆也会有些苏联胆的风格,当然在经历较长时间的发展之后,国产胆也有了自己的特点,也有一些功率输出管可以和外国名管媲美,不过在电压放大管方面还有比较大的不足,最明显的是声音有些朦胧,另外高低频的延伸稍差。 接下来是耦合电容的选择。对耦合电容稍有了解的朋友都知道,这里面有非常大的学问,要散开来讲就收不住了,所以在这里笔者只打算略提一点。在信号耦合通路上使用的电容大多是无极性薄膜电容,也就是无所谓正负极,可以承受两个方向上的直流电位差。耦合电容种赫赫有名的品牌有很多,主要有Jensen、MIT、Rel-Cap、AudioCap、MultiCap、Hi-Rel、Wonder、Kimber Kap、Solen和WIMA等等。Jensen的油浸电容是其拿手好戏之一,从材质上分为银膜、铜膜和铝膜三种,档次也是顺次从高到低,Jensen油浸电容的特点在于音乐感强、非常耐听,堪称仙乐飘飘,声音密度高,声场、动态、解析力和全频带表现都非常好。MIT声场宽大,中频丰厚,低频弹性好,声音致密凝聚,音色高贵华丽。Rel-Cap是美国的一家大型音响电容制造厂,以OEM的方式向AudioCap、MultiCap和Hi-Rel提供产品,其产品多表现为音色柔美、中低频丰满、堂音丰富、能量感强。Wonder的风格是瞬态迅速,中频致密、高频柔美、低频结实,音色清丽,声场、解析力和透明度的表现也相当好。Kimber中频甜美丰润,细腻程度和结像能力非常好,只是高低频两端延伸比MIT等电容稍差。Solen的特点是声音柔美、稍显朦胧,但其全黑新品锡膜SCR修正了先前的灰色S和红色SCR的缺陷,声音透明度和动态都很不错,只是解析力和声音质感稍逊于其他高档电容。WIMA跟Solen的风格迥异,旧款WIMA都是红色外观,高频华丽多姿,中频实体感好,但不够细腻,新款黑WIMA称为BlackBox,声音甜美流畅,音色鲜活华丽,声音密度和高频延伸几乎能跟MIT像媲美,只是低频下潜和解析力稍逊。我们平常使用的是Solen和WIMA。 输出变压器方面,我们此时需要敲定的参数是初级阻抗4K到5K。其他参数方面,我们与其他器件一起放到下一节来讲。 至此,我们已经可以确定具体的电路原理图(图中未明确标注功率的电阻均可取1/2W,未明确标注耐压值的电容均取400V)。由于参数推算过程会涉及到太多的技术细节,笔者不再一一陈述,而只在最后的调试步骤中提及一点。
一个声道的放大电路原理图(点击放大)
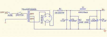
电源电路原理图(点击放大)
逛逛市场 方案和器件都基本定下了,接下来就该去电子元件市场采购所需器件。 当然,我们要DIY胆机的话,需要这么一些基本工具:50W功率左右的电烙铁、万用表、尖嘴钳、斜口钳或者钢丝钳(老虎钳)、螺丝刀、美工刀、直尺、电钻(可能需要)、足够的焊锡丝、热熔胶条和热熔胶枪。或买或蹭,反正总得有得用才行。 先去电子管商店看看,一般来说这些商店很可能会同时有全新和二手的管子出售。按照既定计划,我们将总共需要采购一支双二极管作整流、一支双三极管作电压放大和一对五级管作功率放大。至于购买国产管还是进口管、全新管还是二手管,就丰俭由人了,当然也可以先买差一点的以后再升级好的代换型号。一般地,整流管选用国产5Z3P、5Z4P或5AR4都不错了,也可以选用进口的5R4或5U4等。电压放大管方面,全新的国产6N3是相当好买的,全新的进口2C51、5670、6Н3П则不是太好买,也可以考虑二手的。功率放大管方面,全新国产6P14相当好买,进口的EL84、6BQ5和6П14П也还算比较好买,遇到好的二手也可以考虑。进口管如果管脚镀金的话,表示品质比普通的要好,不过价格也要高;国产管分为四个等级,M民用级、J军用级、T特级、Q电桥级,一般买J级的即可,T级的更好,但没必要去刻意寻找Q级的。如果要购买二手电子管的话,需要特别注意电子管的消气剂,也就是前面提到的那一层附着在玻璃壳体顶部内侧的银镜,如果具有水银般光泽的话表示电子管还有很长的寿命,如果光泽已经黯淡或者消气剂边缘变得灰蒙蒙的话就表示电子管的已经使用了比较长的时间,如果消气剂已经苍白脱落则表示电子管内部的真空程度已经不佳。顺便说一句,同一型号不同厂牌的电子管声音不同,而且即便是同一型号同一品牌,生产年代不同的话声音也很可能不同,如果要具体说来的话也是大有文章,限于篇幅不再详述。 接下来是耦合电容。在笔者在上一节所列举的品牌里面,Solen和WIMA价格比较平易,也容易买到,而前面几种都是价格高昂而且难觅芳踪。同时,好的全新耦合电容并不容易买到,价格也相当贵,比较可行的办法是买二手电容,因为薄膜电容的寿命非常长,只要外观没有严重损坏就几乎不用担心报废,当然如果买油浸电容的话要注意外壳密封完好。所以我们要去的应该是有销售二手电容的商店或者旧货小摊聚集区。一般状况下,我们都能不太困难地找到Solen的S、新旧款的SCR和WIMA的红MKP/MKS、黑BlackBox,具体的选择看个人口味,根据电路,我们选用一对同型号的容量为0.22uF或0.47uF、耐压值为250V(更高也可,但价格较高)的即可。 音量电位器方面,我们一般选择一只50K或者100K的双联电位器。由于电位器总管电压信号分配,而且使用中调节频率也相当地高,所以应该买品质尽量好的。品牌方面一般选择Noble或者Alps的。在一百多元的价位上,碳膜电位器(连续调节)比步进电位器(分档调节)的品质要好一些,建议选用。如果买更高档的,可以考虑级进电位器。当然如果只能买便宜的电位器也可以用,只是在使用一段时间后可能会出现噪音或者左右音量不平衡。 电阻方面,如果资金投入比较多的话可以买Dale或Holco等名牌,不过一般选用国产的普通金属膜电阻即可。阻值和功率参照前面的电路图,图中没有明确标识功率的则为了方便可以全部选用1/2W的;阻值标识为范围的则可以考虑购买几个覆盖此范围的不同阻值的,或者用串并联来实现。电阻的阻值一般有1-5%的误差,由于电阻的价格便宜,可以考虑多买一些阻值和功率相同的,以便制作时挑选出参数尽量接近所需数值的或便于作出微调。需要注意的是,前面列出的电路原理图里的放大电路只是立体声中的一个声道,所以实际电路中需要的电阻数量是原理图中电阻数量的两倍。 (责任编辑:admin) |



























