
北京欧博音响技术公司今年推出的M100KIT电子管功率放大器套件,从外观到内在质量与M100整机都基本相同,所用的关键元器件也完全一样,因此很容易制作成功。装完以后曾与M100进行音质对比,也听不出什么区别。但是笔者对三极管甲类功率放大器那圆润柔美的音色更是情有独钟,因此在原电路的基础上略作改动,取得了良好的效果。现将改制过程作一简单介绍,供对此感兴趣的发烧友参考。
我们知道,将功率五极管或束射四极管改为三极接法以后,其内阻会大大减小,线性也会有所改善。在输出变压器初次级匝数比一定的条件下,输出管内阻减小就会使放大器的输出电阻减小。这样,就会加大对扬声器的阻尼,使纸盆的运动尽量作到“令行禁止”,减小瞬态失真。另外,在功率放大器中,三极管产生的非线性失真是二次谐波幅度大于三次谐波幅度,而五极管或束射四极管则是三次谐波失真比二次谐波失真大。根据理论分析,推挽放大器在电路参数对称的条件下,可以消除偶次谐波失真,但对奇次谐波失真却无能为力。所以,用三极管作推挽放大可以减小非线性失真,但是,由五极管改为三极管接法以后,放大器的最大输出功率将大大减小,正所谓“有得必有失”。例如,M100KIT电路原来为超线性接法,在电源电压为400V的条件下可以获得40W以上的输出功率,当改为三极管接法后,输出功率将减少到16W左右。
EL34是一只有口皆碑的靓声功率输出管,与它相近的有KT66等。现将几种常见功率管的主要特性参数列在表1中。

由表1可见,最大帘栅极电压大于400V的管子有EL34、KT66、KT88,它们比较适合在400V电源电压的条件下接成三极管使用。EL34的典型工作实例如表2所示。

表2最后一列的工作状态为三极接法的推挽放大工作方式,在电源电压为400V时可以得到16.5W的输出功率,非线性失真仅3%。此时要求负载阻抗为5kΩ(P-P),欧博M100KIT中的输出变压器正好符合要求。此例虽为AB1类推挽放大,但屏极静态电流取的较大,两管共130mA,阴极电阻采用220Ω,其上直流电压为28.6V,作为自给栅负偏压。需要指出的是,这种自给偏压的方式,只能应用于甲类或接近于甲类的甲乙类放大电路,而不能用于乙类或静态电路较小的甲乙类放大电路。因为在乙类放大电路中,功放管的静态电流为零,所以就不能用阴极电阻来产生自给偏压。如果甲乙类放大电路的屏极静态电流选得较小,那么屏极电流还会随着输入信号的大小而改变,当采用自给偏压方式时,栅偏压就会随着屏极平均电流的增大而增大,这种情况将造成输出功率的减小。而在甲类推挽功放电路中,是利用两管屏极静态电流在阴极电阻上产生的直流电压作为栅偏压的,在有信号输入时,当一只管子的电流增加时,另一只管子的电流是在减小。在推挽电路元器件参数对称且不产生失真的前提下,一管增加的电流和另一管减小的电流是相等的,此时流过阴极电阻的平均电流不变,所以能够保持栅偏压不随输入信号变化。正因为两管的交流电流在阴极电阻中相互抵消,所以在甲类推挽功放电路中,阴极电阻的两端即使不并联旁路电容也不会产生交流电流负反馈。
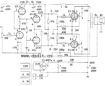
M100及其套件功放级采用的是独立栅偏压电路,由专门的负压整流、滤波电路分别为四只功放管提供独立可调的栅负压,每只功放管只用一只10Ω电阻作电流取样,供调试用。这种电路方式的优点是在电源电压相同的条件下,可以获得较大的输出功率。将它改为三极管甲类推挽放大的方法很简单,电路见图1,具体步骤如下:

1.将EL34的帘栅极电阻改接至屏极,阻值为100~220Ω,目的是防止自激。
2.将两只功放管(EL34)的阴极电阻由原来的10Ω改为430Ω(5W以上),两管的阴极(图1中画×的地方)暂不要相连。
3.将两只100kΩ的栅漏电阻原来接负电压的端子相连,并且与两只430Ω电阻的地端接在一起。
4.电源部分除将滤波电容器改为330μF/450V外,再加一只220μF/450V的电解电容器和一只56Ω10W的电阻,构成RCπ型滤波电路。这样做的目的一是可以使电源电压降到400V,更主要的是可以大大减小电源的纹波电压。经示波器观测,420V处的纹波电压为锯齿形,幅度的峰-峰值为6.4V。经π型滤波后404V处的纹波电压近似为正弦形,幅度的峰-峰值仅为0.5V。原机的印刷电路板的铜箔面朝向面板,可将它反过来安装,使此面朝向主印板。这样一来焊接方便,二来接线也短。要考虑56Ω10W的电阻的散热问题,且不要离电解电容器太近。
改动后的电路原则上不用调试也可以工作,但为了减小失真和交流声,输出管要进行配对。方法是先插上四只输出管,但不加输入信号,然后分别测量它们的阴极对地直流电压,应为28.6V左右。可挑选阴极电压相等或相近的一对管子作为一个声道的输出管,当然四只管子都配对更好。配对完毕后,再分别将两个声道的一对输出管的阴极相连。千万可别忘了这一步,否则会由于阴极电阻产生交流电流负反馈而使输出功率大大下降。
本机在有正弦信号输入的情况下,曾用示波器观察过功放管阴极电阻上的波形。当输入信号的幅度未达到使输出信号产生削峰失真以前,“×”处的波形为一水平直线,说明工作于纯甲类状态,而且没有失真。当接近最大输出功率时,在此处可以看到幅度较小近似正弦的波形。
在一些经典的自给偏压式功放电路中,两管公用的阴极电阻两端是并有电解电容器的。但在实验中发现,有无旁路电容器在过载时的失真情况是不一样的:有电容器时为硬失真,无电容器时为软失真。故本电路中未加旁路电容器。
M100KIT套件的前级采用的是SRPP加长尾式倒相电路,由于6N8P的阴极电阻为16kΩ,不算太大,故倒相级输出信号的对称性不太理想,因此应该仔细调整6N8P的47kΩ屏极电阻。
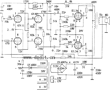
有兴趣的发烧友可按图2电路改为差分式倒相电路(实质上也是长尾式),为了提高倒相输出信号的对称性,最好将公用的阴极电阻改为恒流源电路(可用结型场效应管、晶体管或电子管构成),比较简单的方法是将阴极电阻接到一个负电源上。可利用原套件的电源印刷电路板的负压整流电路,大约-70V,这样就可以将阴极电阻增大到30kΩ左右。因为前两级电路是直接耦合,所以应调整此电阻使6N8P的阴极电压为76V左右,此时输出信号的幅度较大,失真也较小。

本机安装完毕后进行了简单测试,主要技术指标如下:
闭环电压增益:29.8dB;负反馈量:5.5dB;开环频响:28Hz~33kHz(-1dB,1W时);闭环频响:20Hz~40kHz(-1dB,1W时);残留噪声:左声道0.35mV,右声道0.4mV;最大输出功率:15W(RMS)。
试听时采用魔雷MW166+MDT32自制音箱,灵敏度约86dB。与超线性接法相比较,主要感觉是中高频音色非常细腻柔和,高频延伸较好。低频力度稍差,但低频清晰度要好得多,特别是象大提琴等一类的乐器的重放效果很好,十分耐听。
为适应每个人的听音爱好以及不同软件对声音重放的要求,可以加装两个钮子开关进行三极和超线性接法的转换。这两个开关可装在原来栅负压调整电位器的位置上。当听一些动态较大的节目时采用超线性接法,当听一些轻音乐时改用三极接法,各得其所。
(责任编辑:admin) |