|
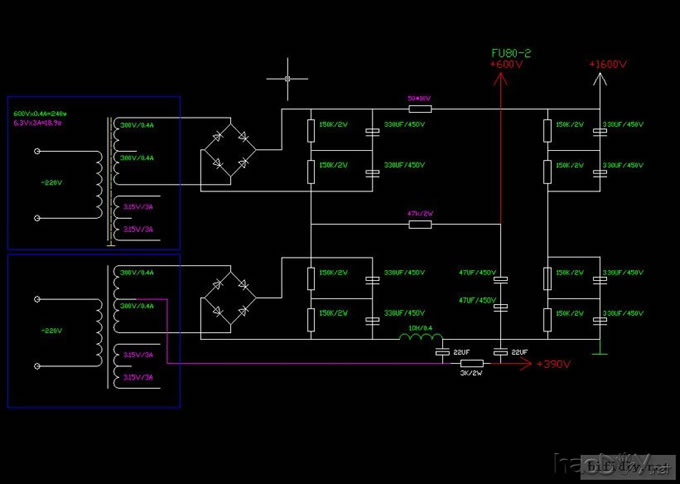
首先祝大家新年快乐!万事如意! 献上年初制作的FU80单端 FU80-胆机中的战斗机 经过几个月的努力,先后试验了N种电路,我的FU80终于完成了,由于FU80工作电压高,灯丝电流大11A,发热量大,所以这次比较谨慎,全部过程是用示波器和假负载进行调试的。为便于调试,我是做了一段1000HZ的音频用电脑播放进行调试。 电路输入级开始用的是6N8P SRPP+6P3P推动,经试验推动不足,实测FU80功率输出只有8~10瓦,如果用CD机播放功率可能大些。后改用6N9P+6P3P推动,功率略有提高,还是不满意,之后又在另一个声道改用6J4P+6P3P推动,这次增益足够,接上喇叭试听,音量电位器只能转动1毫米,要么是无声,要么是震耳欲聋,调整了6J4P的廉栅极电压到100伏,接上10K负反馈后,增益降低,用电脑播放一段发烧碟,效果不错,原来6J4P的声音也是这么甜美,点上一只烟,靠在椅子上,凝视着音箱开始慢慢的品位,这时看到音箱前面的一块瓷砖在震动,心想可能是瓷砖松了吧,没有在意,过了一会儿音箱也开始震动,又一想可能是音箱没放平吧,只顾欣赏音乐,仍是没有在意,片刻之后,桌子开始震动,桌上立着的机箱也开始大幅度震动,观看示波器调到最大分辨率波形也未见异常,声音也正常,心想这可能就是寄生震荡吧,如果不是次声波就是超声波,因为是低频,次声波的可能性大些,马上关机,待管子冷却后再次开机,现象依旧,负反馈加大到20K后现象消除,考虑到负反馈太大会影响音质,负反馈还是恢复到10K,重新调整了6J4P的廉栅极电压,发现廉栅极电压调到60伏时比较稳定,调到100伏时就容易产生寄生震荡。由于买到了第2天的车票,匆忙改完另一声道后回家过春节。 春节过后,仔细分析觉得如果不用变压器偶合,推动级无须用6P3P,于是又改为6N8P SRPP+6N8P/2+6N8P/2两级放大推动,增益足够,功率可以做到90W,效果也是很好,后又改为6N8P/2阴极输出,听感也是不错。只是觉得级数太多了,担心大环路负反馈会引起相位偏移。后又减少一级放大改为6N9P SRPP+6N8P推动,功率略小可以做到50W,最后确定为6N9P SRPP+6J4P+FU80。 在整个试验过程中,6J8P也用过,从曲线来看6J8P的线性比6J4P要好,在输入信号幅度不是太大时试验了6J8P的零栅压状态,此时输出可以达到不失真功率26W,如果加大信号幅度,通过示波器可以看到,波峰被拉尖了(由于栅流),而波谷被拉宽了(超出6J8P的线性范围)。因为我手中的6J8P都是M级的,所以没用。 至于6N8P和6N9P,6N9P的高音明显要比6N8P清澈透明,而6N8P在听感上要比6N9P温暖厚实,烧友可以根据自己的喜好选择。如果要做FU80胆机,个人觉得以下几种电路较好: 输入6N8P SRPP+6J4P推动或6N9P SRPP+6J8P推动; FU80的调试很简单,接上10欧50W假负载,廉栅极电压调至500-600V,用两块万用表一个接在阴极电阻上观察电流,另一个接在假负载测试输出电压,同时用示波器观看输出波形。调整FU80栅极电压在-60至-90V时,FU80相应的阳流在150~250MA,阳流在150MA时不失真功率大概在40W,阳流在250MA时不失真功率大概在90W,烧友可以依据自己的听音环境和电源牛功率选择。 其实FU80胆机最大的难度是电源部分,高压带来绝缘问题,电源变压器绝缘和输出变压器绝缘;大电流带来的温度问题,大功率带来体积和重量问题,当然还有美观和造价问题。 我这台FU80胆机,FU80的工作电压取到1600伏,高压空载1800多伏,采用两个高压牛和一个灯丝牛,由于100W输出牛太大,改用两只60W输出牛串联。一共用了10个牛。电源牛总功率1320W,每个电源牛罩中装三个电源牛,并采用12V电扇强制风冷。 高压牛罩是采用长筒灯和象鼻灯改制的,去掉象鼻灯上的射灯,装上一个小电扇可以给牛散热,后来将电扇装入了牛罩,就在上面装了一个LED作为高压指示灯。 FU80的灯丝开始采用的是直流供电,四个10000微法的电容滤波,50A的整流桥,开机后整流桥太热,加装了两块散热片还是太热,另外交流声很大,加平衡电阻后还是交流声大,测量后发现整流桥的两臂电压本身就不平衡,相差很大,一边是7.2V,另一边是4.4V,耐压越高,相差也越大。于是尝试交流供电,只要跨接灯丝两边的平衡电阻阻值相同,交流声还是很小的,大概在3~5mV之间。 要减少交流声,首先要做好接地,做到一点接地,之后用示波器延电路逐级查找,找到后对症下药进行处理,修改布线或更换电容。最后再用示波器检查,信号关到最小后,显示是一条直线。开机试听,除了开机时音箱“嗡”的一声后,再没有交流声,耳朵在音箱布上,才可以听到“沙沙”的电子噪音和轻微的“嗡”声。 在装机过程中被高压电击了5次,其中一次是FU80管帽的1600V的高压,手指打了一个白点,半个胳膊都是麻的,半个月后,手指上的斑点象个肉刺似的脱落,其余几次电击都是调试中被电容打的,切记在调试中电容一定要及时放电。 全部完工后,接上音箱进行试听,低音富有弹性,厚实而有力,人声甜美,高音纤细,细节丰富,交响乐气势宏大,声场定位准确,爆棚易如反掌。 相机的SD卡坏了,内部的图片也没了,其余的图以后再补吧。 (在2008年最后时刻决定参赛) 胆大妄为2008.12.31 正面照
侧面照
![]() 电牛和输出牛
洗发水盖子和热水管接头做的高压帽
高压线采用特富龙和塑料外套
长筒灯和象鼻灯做的牛罩
高压牛同样是叠罗汉
当初设计的效果图
为了造型好看,DIY就是要最大可能的利用现有的物件 抛砖引玉,造福烧友,挖掘一些新的胆胆,大概DIY的乐趣就在于此,既快乐了自己,也快乐了别人 FU80图 (责任编辑:admin) |







































