|
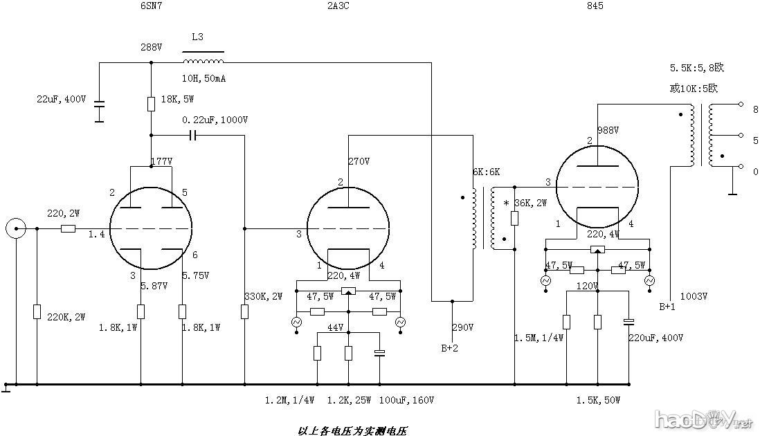
经常听烧友们讲,211、212、805、845.....这些直热管如何、如何!!特别是有位烧友如是说“真的要用天大地大来形容,那种高功率管特有的宽松感和细腻度,还有泰山崩溃前而不乱的临场感......”,说得我心里痒痒的,于是我打定主意做一套845单端后极玩玩,经过很长时间的备料和艰辛的制作,经过很长时间的日思梦想,今天终于完成了。电路形式为:6SN7(并联)+2A3C+推动变压器+845,整个制作过程陆续上传来同各位一起分享!请各位前辈指正!先上电路图,如下:
放大部份
电源部份 输出变压器的制作,输出初级用一线到底的绕法,初级用0.33mm漆包线,次级用1mm的双线并绕,初级直流电阻183.3欧,两只输出初级直流电阻误差在1%以内,次级5欧端直流电阻0.5欧,8欧端0.6欧。次级可通过串联和并联,反射到初级。可以的到5.5K:5、8欧或10K:5欧。
做骨架
绕初级
层间绝缘
绕好的线包
接下来就是插片,查完片,同过加实际直流恒流,根据听音喜好来调节气隙和电感量,上图:
片子
插片
输出绕组结构
输出测试电路
浸漆后烘干
输出外观
推动变压器的绕制,不知本坛是否支持数学符号的上传,试一下! (1)初级电感L=0.159Ra/fd,其中Ra为推动管单端最佳负载阻抗,Ra取6000Ω,fd为最低频率,取25Hz,L=0.159x6000/25=38.16;(2)确定最小铁心截面积:S´=(20-30)√P/fd,其中P为推动管输出功率,S´=25√3/25=8.66cm²,实际为S=3.2X5.5X0.9=15.84cm²,S>S´;(3)初级圈数的计算:单端N1=450-550√LIc/S,其中Ic为矽钢片平均磁力线长度,32舌宽为17.8cm,N1=480√38.16x17.8/15.84=3143匝;(4)检验最大磁通密度应在6000高斯以下Bm=10000/fd√P/SIc=10000/25√3/15.84x17.8=3876高斯,3876<6000;(5)确定变比,推动管初级音频峰值电压U1m=1.5√PRa=1.5√3x6000=200v,根据845所需推动电压峰值计算变比n=U2m/uU1m,u=0.75,n=140/0.75x200=0.93≈1,故按1:1绕制,即6000Ω:6000Ω. 好上传成功!开始上推动变压器的绕绕制过程,初级用0.21mm漆包线,次级用0.18mm漆包线,层层垫纸。初级直流电阻500欧,次级直流电阻380欧。这对变压器,很是费力和费时,不可以掉以轻心:
绕制中
插片
推动变压器
线包绕组结构
测试制作完成
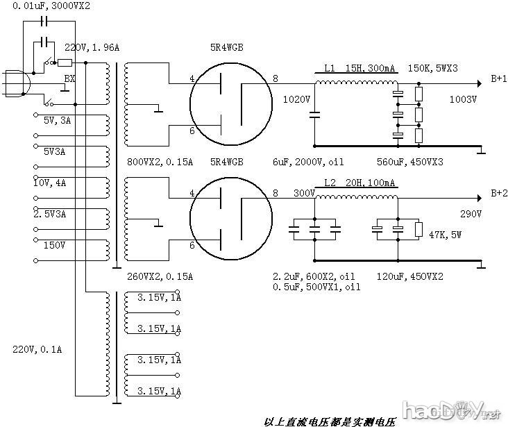
下面是电源变压器的制作:初级220V,1.96A;次级800A-0-800V,0.15A一组;260V-0260V,0.15A一组;5V,3A一组;2.5V,3A一组;10V,4A一组,150V一组。6SN7灯丝变压器一只:初级220V,0.1A;次级3.15V-0-3.15V,0.9A两组。上图片:
220V起
屏蔽层
高压绕组
|




















(责任编辑:admin)






















