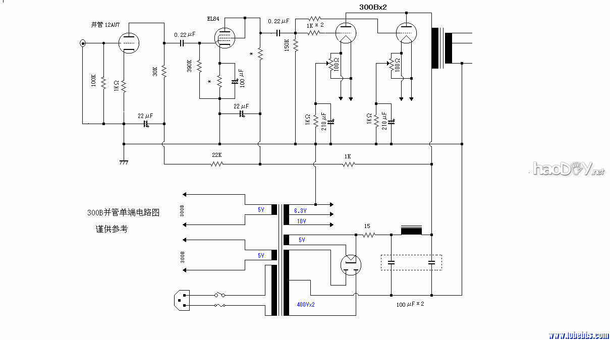
又是300B的话题,虽然自己已做过多部300B单端机器,从300B管的特性看,单管单端的应用确实存在不少缺陷,最大的问题就是输出功率,当使用低灵敏度的音箱时,总会觉得吃力,今次从朋友处拿到一对Audio Note 300B并管EI输出牛,用来做部300并管单端应当不错,为了对得起Audio Note 这对输出牛,从电路架构及材料的选取都下了不少功夫,目标是制作一部能够真实再现音乐的机器.(参考电路如下)![]() 300B管声音如何?是很多人关心的话题,可以讲,一种管一种风格,WE300B已成天价,大家能亲眼见到的机会都少,听的人就更少了,其实,不管你用何种300B管,做好机器才是根本,有机会用上好管是日后的事。回到正题,这部机器要如何制作,只能从之前制作的经验中去认识,取300B管之长处,补其短处,我想是做机的前提。为达到自已制定的目标,少走湾路,先在一台样机上用不同的元件搭配试听,特别是滤波电容和电源牛,对机器的声底起着关键的作用,这里没有采用古董电容,从这四种电容中选定一种。[attach]930542[/attach] ![]() [attach]930543[/attach] ![]() ![]() 速度决定一切,最后选取了德国F&T电容及德根双C铁芯作电源牛,配合Audio Note EI输出牛确实不凡,有种晴空万里的感觉,声音两端的延伸真的是太好了,中高频的密度质感非常讨好,低频的表现更是让人叹服,声场定位同样表现非凡,有种高级石机的感受,跟自已以前的300B机器比确实向前迈进了一大步,这也正是自已想要的声音表现. 部分材料图,发烧级元件并不是机器成功的标志,关键是你能否用好它,DIY自由度大,在自已经验和技术都到位的情况下,用上好元件是有回报的. ![]() ![]() ![]()
|










































