|
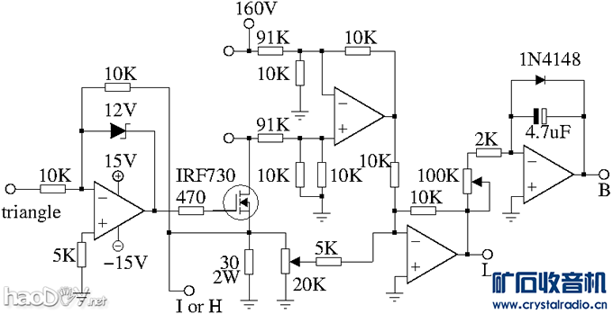
矿坛举行了4届比赛,我都没时间参加。这次决定无论如何也要参加了。我准备做这个专注创新的胆功放,基本单元的设想和设计都有了,现在需要把它们集成在一起,做出来。我决定做一点就发一点,这样可以督促自己做下去,省得又赶不上截止期。 这样一步一步做的话可能会比较乱,我希望最后整理后能够重新发一帖。好了,现在先发一点吧。 第一张图,做好后大概样子,零件排布。要点:简洁为上;因为怀旧和兴趣,专门从国内买的金沙片,邮寄费是买价的数倍。自己绕制变压器。左下侧空白的地方准备刻几个字。或者贴机器铭牌。这是大致的安排,最后可能会不同。 第二张图,为了绕制变压器的需要,专门设计制作了测量变压器铁心非线性的仪器。这个图是做好的仪器样子。从左到右,后方:+-15V电源;高压电源扼流圈,高压电源变压器;前方:电路板,功率MOS管和散热器。 第三张图: 测量变压器铁心非线性的仪器的部件:高压电源 第四张图: 测量变压器铁心非线性的仪器的部件:三角波发生器 第五张图: 测量变压器铁心非线性的仪器的部件:变压器驱动和测量电路,注意B,L,I,H的测量点 第六张图: 测量某电源变压器初级右上相限(对应单端胆机的工作特性)铁心磁滞回线(B~H曲线),Y轴需要翻转(乘以负一) 第七张图: 测量此电源变压器初级右上相限的铁心瞬时磁导率(L~I曲线);回扫的曲线需要取绝对值 第七张图: 测量的原理和设计写了6页说明,还没写完,先拍照留念。 下一步是测量手头的几个金沙片铁心特性,然后会绕制变压器,然后是打洞安装之类。在这之前会先介绍功放电路设计。敬请期待。 第二部分,创新之一,灯丝交流声对消电路 大家都说300B的功放如果用交流驱动灯丝则声音很活泼,如果用直流驱动灯丝则声音死。我自己没有做实验,但是因为大家众口一辞这么说,那么我姑且相信是真。那么到底是什么东西造成了这个活泼性呢?我觉得有两个可能,一个可能是灯丝交流声本身造成,第二个可能是灯丝交流声之外的东西造成。那么如果我们把灯丝交流声消除,然后查看是不是功放的声音还有活泼性,就可以搞清楚到底是这两个可能性中的哪一个是真。 灯丝带来的交流声是可以建模来计算的,这个100年前就有人做了,基本上是工频的二次方。在那个时候的模型里面三极管电流采用了3/2次方模型。这个模型得出的结果和实际测量值成比例,但是这个比例不为一。我在前人的基础上,采用了Koren模型,得到的结果和实际测量基本上一致。 然后我用了一个简单的电路,用二极管的指数特性在小输入的时候来模拟这个二次方,产生的结果很吻合。我将要把这个简单的电路产生的信号引入三极管栅极来对消灯丝交流声。电路设计好了,还没有进行实际测试。 (责任编辑:admin) |
























