|
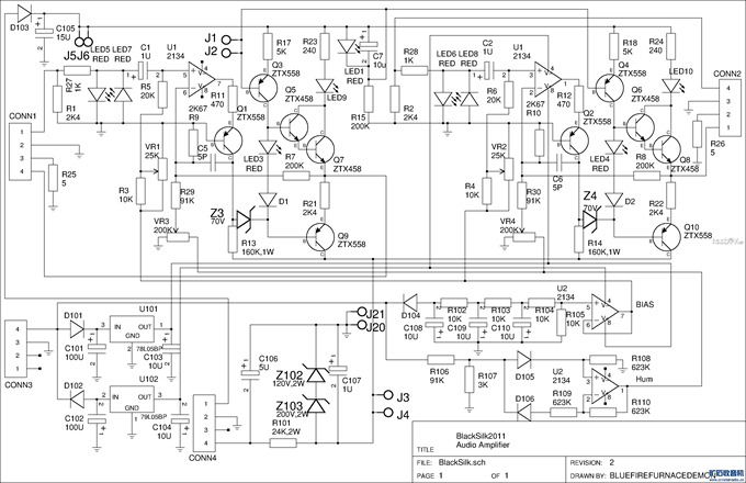
矿坛举行了4届比赛,我都没时间参加。这次决定无论如何也要参加了。我准备做这个专注创新的胆功放,基本单元的设想和设计都有了,现在需要把它们集成在一起,做出来。我决定做一点就发一点,这样可以督促自己做下去,省得又赶不上截止期。 这样一步一步做的话可能会比较乱,我希望最后整理后能够重新发一帖。好了,现在先发一点吧。 第一张图,做好后大概样子,零件排布。要点:简洁为上;因为怀旧和兴趣,专门从国内买的金沙片,邮寄费是买价的数倍。自己绕制变压器。左下侧空白的地方准备刻几个字。或者贴机器铭牌。这是大致的安排,最后可能会不同。 第二张图,为了绕制变压器的需要,专门设计制作了测量变压器铁心非线性的仪器。这个图是做好的仪器样子。从左到右,后方:+-15V电源;高压电源扼流圈,高压电源变压器;前方:电路板,功率MOS管和散热器。 第三张图: 测量变压器铁心非线性的仪器的部件:高压电源 第四张图: 测量变压器铁心非线性的仪器的部件:三角波发生器 第五张图: 测量变压器铁心非线性的仪器的部件:变压器驱动和测量电路,注意B,L,I,H的测量点 第六张图: 测量某电源变压器初级右上相限(对应单端胆机的工作特性)铁心磁滞回线(B~H曲线),Y轴需要翻转(乘以负一) 第七张图: 测量此电源变压器初级右上相限的铁心瞬时磁导率(L~I曲线);回扫的曲线需要取绝对值 第七张图: 测量的原理和设计写了6页说明,还没写完,先拍照留念。 下一步是测量手头的几个金沙片铁心特性,然后会绕制变压器,然后是打洞安装之类。在这之前会先介绍功放电路设计。敬请期待。 第二部分,创新之一,灯丝交流声对消电路 大家都说300B的功放如果用交流驱动灯丝则声音很活泼,如果用直流驱动灯丝则声音死。我自己没有做实验,但是因为大家众口一辞这么说,那么我姑且相信是真。那么到底是什么东西造成了这个活泼性呢?我觉得有两个可能,一个可能是灯丝交流声本身造成,第二个可能是灯丝交流声之外的东西造成。那么如果我们把灯丝交流声消除,然后查看是不是功放的声音还有活泼性,就可以搞清楚到底是这两个可能性中的哪一个是真。 灯丝带来的交流声是可以建模来计算的,这个100年前就有人做了,基本上是工频的二次方。在那个时候的模型里面三极管电流采用了3/2次方模型。这个模型得出的结果和实际测量值成比例,但是这个比例不为一。我在前人的基础上,采用了Koren模型,得到的结果和实际测量基本上一致。 然后我用了一个简单的电路,用二极管的指数特性在小输入的时候来模拟这个二次方,产生的结果很吻合。我将要把这个简单的电路产生的信号引入三极管栅极来对消灯丝交流声。电路设计好了,还没有进行实际测试。 #p#分页标题#e# 第八张:三极管灯丝交流声建模 第九张:灯丝交流声实测波形(和工频对比) 第十张:从示波器显示抓出来的灯丝交流声实测波形,加了标注 第十一张:示波器A-B模式显示的波形,横轴交流声,纵轴是工频。明显的二次曲线 第十二张:从示波器显示抓出来的灯丝交流声曲线,旋转了90度,加了标注 第十三张:理论(实线)、实测(+)、二次曲线(x)的对比,非常吻合 第十四张:一个用指数曲线来产生二次曲线的简单电路 第十五张:这个电路的曲线和二次曲线对比,只有靠近0的地方有微小偏差 第十六张:为此写了篇12页的短文,还没写好,先抓屏留念 ![]() 第三部分,创新之二,有正向栅流功率驱动能力的大摆幅线性驱动电路 这里我要先为自己辩护一下。我采用了集成电路和晶体管做驱动电路,理由摆在下面。 第一,电子管的驱动电路有非线性,这个非线性对喇叭输出的声音肯定是有影响(不是贬义),但是这些电子管驱动电路的非线性是没有记忆的,就是说,输出输入特性是瞬时的,y=f(x),和时间无关。所以,如果你把这个驱动级电子管移动到前级里面,而驱动级本身采用线性驱动电路,那么改动后的功放和改动前的功放,其输出没有任何区别。所以如果你使用我的驱动电路,又想尝试驱动级电子管的非线性声音,那么你可以把你的电子管做进前级里面,然后接进我这个线性驱动电路。 第二,对集成电路和晶体管不要有偏见。你的CD机、DAC机里面都用了无数的运放,你的音频文件制作之前那些声音都被运放处理过无数遍了。只要选用好的运放,避免削波、避免瞬态响应慢的运放、避免非线性失真,做到输出和输入波形完全一样(应该直接测音频信号,仅用正弦波不是很说明问题),那么运放处理多少遍都没关系,也不在乎我这驱动电路里面用运放处理一遍。 第三,我提出输出变压器特性乃是胆声重要来源,它和输出功率管的非线性一起造就胆声。这些我都没动它们,你的胆机还是正宗胆声的胆机。 第四,我的驱动电路有正向栅流能力,能提供正向功率驱动。 第五,现在市场上有高摆幅的运放,可是和我的电路比这些运放有下列缺点:一,非常贵;二,不易配其需要的电源电压;三,用在胆机上没有实战检验,四(不是很确定)我这电路摆幅更大,驱动300B,845全部可能的摆幅无压力。 辩护完了,下面开始贴。 第十七张,电路图。注意里面包括了灯丝交流声对消电路。这部分未经测试。电路看起来复杂,但是去掉电源、重复的通道之后,就剩下运放和它的输出扩压部分。负压直接取自变压器高压绕组,不需要更多绕组;正压取自偏压抽头(现在变压器常有这个)。运放正负电压取自6.3V绕组,也是变压器常有的。交流声对消使用的交流电也来自这个6.3V绕组,所以这个设计并没有对变压器提出更多的要求。自己实验需要注意电容耐压,如果高压使用450V的电容,则你的变压器次级高压不得超过交流320V。 第十八张,PCB电路板。画的是双面板,但是为了方便爱好者仿制,单面亦可,只是需要几根跳线。板上画有腊梅电子的商标(WE那个,早期的,新的有改动),但是这个电路和电路板开放随便使用,不需要给我任何费用,只需要承认是我设计的即可,若你不印自己商标,可不保留我的商标;如果你印上自己商标则也请保留我的商标。注意这个板子还没有经过测试,你如果有兴趣采用可以和我一起测试。附上GBR图,可以直接送厂制作。我送的佳立创做的。如果你自己印版制作需要什么样的文件(比如PS文件)请找我要。(刚才检查板子发现了一些缺点,比如连线太靠近之类,我会尽快改进然后贴出PCB版图和GBR文件,敬请期待) 第十九张,第一版手工版。实际上机使用可以正常工作。 第二十张,手工版的交流声对消电路,实验了好几个电路。 第二十一张,基本焊好的板子,还差两个二极管,还没有进行测试。准备在绕好电源变压器后才进行测试。 第二十二张,关于输出变压器的非线性是胆声重要来源的一篇6页文章,无线电约稿,是我在论坛上发表帖子的改写版。尚在改写和配图中。抓屏(前1/2页)留念。 第二十三张是个视频,手工版驱动电路实际上机测试。里面有两个发光二极管随音乐声而闪烁,它们显示的是输出功率电子管栅极正向电流。声音小没有正向栅流的时候不发光,有正向电流才发光,实际正向驱动电流通过此管,所以显示的是真实正向电流。 驱动板今天上电试用了,有改动,R107从3K改为200欧。工作正常。上图: 第二十三张,上电调试,输出管用的是灯泡做的假负载; 第二十四张,上电调试,一路用了输出管,工作正常,出声; 下面的波形图输入为50欧内阻的信号发生器(DC输入),探头X1,1V每格,所以信号基本上是4V的峰峰值;音量控制基本上打到满(还不到一点,因为输入4V峰峰、打满音量则超出了线性范围,线性范围很广,看输出的幅度即知)输出为输出管(未装输出管)栅极的驱动电压(DC输入),探头X10,5V每格(所以实际是50V每格),注意超出0V的部分是正向驱动的。 第二十五张,10Hz正弦波; 第二十六张,10Hz正弦波李萨如图;因为输入有隔直所以是这样; 第二十七张,10Hz方波;也因为输入有隔直; 第二十八张,100Hz正弦波; #p#分页标题#e#第二十九张,100Hz正弦波李萨如图; 第三十张,100Hz方波; 第三十一张,1KHz正弦波; 第三十二张,1KHz正弦波李萨如图; 第三十三张,1KHz方波; 第三十四张,10KHz正弦波; 第三十五张,10KHz正弦波李萨如图; 第三十六张,10KHz方波;注意我的信号发生器方波上升沿比较缓。 第三十七张,20KHz正弦波; 第三十八张,20KHz正弦波李萨如图; 第三十九张,20KHz方波;注意我的信号发生器方波上升沿比较缓。 第四十张,50KHz正弦波;注意信号发生器输出幅度变小了,我没有调整它; 第四十一张,50KHz正弦波李萨如图; ![]() 做板的最终版本出来了;决定不再改动了。新第十八张图附带GBR文件和PS文件,代替前面第18张图附带的文件。我想在佳立创做,我自己只需要两块,剩下的大家可以做做看。 新第十七张图,#p#分页标题#e# ![]() 用我第二~五张图做的仪器测了一个铁心;是我以前绕的,初级2500圈,铁心是一个Hammond工业变压器的铁心,是顺插然后焊接在一起的。我用砂轮割开了焊缝,完整取下了一字铁和E字铁,刚好用来当输出变压器铁心。 图四十六,铁心和Hammond商标; 图四十七,B-H曲线;横坐标是H(也就是I),纵坐标是B,纵坐标需要上下翻转。横坐标从0开始一共三格,三格是200毫安的电流。电流是从0(中心)扫描到200毫安(下面几幅图同)。第一格的地方大概66毫安。我的输出管设计静态电流是60毫安。这个图是有气隙的,就是我原先使用时候的气隙量。 图四十八,L-I曲线,横坐标电流,纵坐标是瞬时电感量。上面是电流上升段的,下面是电流下降段的,这一半需要翻转才是真正电感量。从图中可见大概40毫安的时候电感最大,66毫安的时候还比较大,到200毫安很小。这个图是有气隙的,就是我原先使用时候的气隙量。 图四十九,气隙多垫了一层很薄胶带后的B-H,变直了但是变小了 图五十,气隙多垫了一层很薄胶带后的L-I,变平缓了但是最大值变小了,到200毫安时候的L比刚才大 图五十一,气隙多垫了二层很薄胶带后的B-H,变直了但是变小了 图五十二,气隙多垫了二层很薄胶带后的L-I,变平缓了但是变小了,到200毫安时候的L比刚才大 ![]() 测了我买的砂金铁心,这一个是非标准的,窗口比较大。这个铁心的片子比较薄,折90度就断。断口闪闪发亮。片子上面有的平淡无奇,可能是表面氧化物遮挡的原因;有砂粒图案片子其砂粒部分大部分是彩色的,其中也有金光闪闪的,很漂亮。这个片子做一对牛可能不够(还有一套没拆的放在我姐姐家了),做电源牛又觉得可惜了。以后再想了,先测测看。它的舌宽比上面那个工控变压器的舌宽要窄,另外也不像那个叠得那么紧,所以B(测的其实是磁通,B乘以截面积)比较小了。测量用的三角波半周期为77毫秒,上面测工控变压器铁心也是用的这个信号。 这套砂金片从山东的“高子”那儿买的牛拆的。找了收破烂的老头帮我拆铜线,说好铜都归他,铁都归我,但是不能损害铁,若拆得不好就不让拆第二个了。结果边上还是拆坏十来片,结果我就没让他拆第二个,还存着。这第一个铁心我带回来了,用化油漆的含有丙酮的化漆液泡了一天一夜后拆的。泡过后很容易拆。 钟情与砂金片主要是因为好看。当然也有国货情节,又有人说声音好。主要还是因为好看,我喜欢金色。 第五十三图,砂金片。上面一片典型的有彩色的。 第五十四图。砂金片。上面一片有一些亮闪闪的金色。点击看大图很好看。 第五十五图。断口。舍不得折好片子,都是捡断片子折的。 #p#分页标题#e# 第五十六图,插片后的样子。用橡皮筋捆绑的。 第五十七图,垫0层薄黄色绝缘胶带B-H 第五十八图,垫0层薄黄色绝缘胶带L-I 第五十九图,垫1层薄黄色绝缘胶带B-H 第六十图,垫1层薄黄色绝缘胶带L-I 第六十一图,垫2层薄黄色绝缘胶带B-H 第六十二图,垫2层薄黄色绝缘胶带L-I 第六十三图,垫3层薄黄色绝缘胶带B-H 第六十四图,垫3层薄黄色绝缘胶带L-I 第六十五图,垫4层薄黄色绝缘胶带B-H 第六十六图,垫4层薄黄色绝缘胶带L-I 第六十七图,下次测的另外一套砂金铁心,拆出了两种片子,暗金色的和褐黑色的。我的线包需要锉掉一点挡板的边子,所以下次测啦。 ![]() 测砂金标准铁心的非线性。拆出来的铁心,有暗黄金色和褐金色两种。这次测的是暗黄金色的。这个铁心的片子用尖嘴钳夹住,用比较尖锐的方法折90度,然后反方向90度,一共折4次才断。断口看上去也有砂粒感。 第六十七图: ![]() #p#分页标题#e#第六十八图:这个铁心比我的工控变压器铁心稍微小一点点,可能版毫米左右,所以线包深了一点点,我从一片多余上剪下三小片,平着放中间和两侧补充高度的不足。 第六十九图:安装后的样子 ![]() 在等待做板和等待定做的变压器骨架的时候,我来测量一个以前买的商品输出变压器 第一百一十九图,搬出我以前做的“腊梅高传神”EL34阴极输出功放。记得是重70斤左右。太重了! 第一百二十图,就是这对输出变压器,是5K的。 第一百二十一图,把变压器从粗壮的铜地线上焊下来。铜地线?对,因为是阴极输出功放,所以输出变压器初级的一端是接地的。 我的30W电烙铁焊这个已经力不从心了,所以祭出这个电烙铁枪。 第一百二十二图,测量B-H曲线,测量的驱动电流只是从0毫安到3.2V/30欧姆=106毫安。A路电压探头是x10档。 第一百二十三图,测量L-I曲线,测量的驱动电流只是从0毫安到3.2V/30欧姆=106毫安;图上看60毫安的时候电压有2*0.5=1伏特;现在来计算电感量。 电压上升/下降率是106毫安/59毫秒=1.80安培/秒;最大感应电压0.5伏/格x2格x10x10=100伏,这里前面一个乘以10是因为测量电路里面运放衰减了90%,第二个乘以10是因为探头选成了x10档。于是在60毫安偏流的时候微分电感是100/1.80=56H。 评论:看起来像是第六十二图的左半部分的样子。按照前面的讨论,对比第六十二图,推断这个输出牛是这样绕的:为了追求电感量,绕了较多圈数,留的气隙较小。我觉得这个牛如果绕原来一半的圈数,10多H的样子,留现在这个气隙,当个3.5K牛大概不错。 我有一台“黑丝”功放,制作过程贴在了发烧板上,http://www.crystalradio.cn/thread-160268-1-1.html。叫“黑丝”乃是因为在制作过程中恰逢令人激动的黑丝首飞事件。 那个贴是一个实验的过程,线性驱动实验成功后的电路图没有公开,当时说参赛后公开,现在就公开了。这台功放在我做这个参赛功放的时候充当电源和实验台,验证了晶体管线性驱动、电源电压跟随、交流声对消的技术。今天我用新做的实验板把它升级了,现在它拥有参赛功放的大部分功能。今天接好了,在地下室开很小声,聆听直热胆给我刻的“弦情岁月”,真是享受啊。 http://www.crystalradio.cn/thread-160268-1-1.html 第一百二十四图 带交流声对消、电压跟随的线性驱动电路安装在“黑丝”功放里面 第一百二十五图 改造后的“黑丝”功放 ![]() 第一百二十六图各个版本的电路。 左起, 上排:第一版和第二版输出变压器测试电路。有第三版和第四版(就是首页的)不在这个照片里。 中排:第一版线性驱动,有自激,很多瓷片电容是试验消振的; 第二版线性驱动,成功,“黑丝”功放原来用的; 第三版线性驱动 大板:第四版线性驱动 #p#分页标题#e#第五版线性驱动,带电压跟随、交流声对消的,没在这张照片里,升级“黑丝”功放用了; 右边两块是第六版和第七版(单路)线性驱动,没实做。 下排:各版的“腊梅”驱动电路(用于驱动阴极输出功放)。后面要接EL34升压才实现驱动功能。第七版已经成功了。 最后第八版不在照片里,它安装在“腊梅”阴极输出功放里。 第一百二十七图,第三版的输出变压器测试电路,包含两个灯泡稳幅的文氏桥振荡器。小灯泡在电路板上可以找得到。 第一百二十八图,第四版的输出变压器测试电路,就是首楼里面那个,左下角有个FET稳幅的文氏桥振荡器(暂时没用上)。采用这个是因为考虑到读者找小灯泡可能不容易,所以改为FET稳幅。 第一百二十九图,第八版的“腊梅”驱动电路,安装在这个小铁盒里。 第一百三十图,第五版的“黑丝”驱动电路,今天用于“黑丝”功放升级,取代了原先的第二版。 这次参赛功放将要使用的是黑丝第八版,已经送嘉立创做板了。我只要两块板,有8块多余的。各位有兴趣的可以一起来做你自己的功放 经过长途跋涉,订购的变压器线框和新做的电路板终于到了。幸好留了足够多的时间,看起来大概能在大赛截至前完成作品。本贴下面的图是关于我如何做木心的。有线框为什么还要做木心?我是为了上绕线机方便,中心孔位置准确的话绕起来比较平稳。 第一百三十一图,到了,左边两个线框现在用不上。 第一百三十二图,买的木条,画上线准备截断(其实最后没有按照线截): 第一百三十三图,截断后编号,准备上小台锯锯窄一点: 第一百三十四图,锯窄后放进线框看看: 第一百三十五图,用修边机开槽: 第一百三十六图,好久没用了,进料方向不对,又徒手不敢压紧,结果开成这样的槽: 第一百三十七图,找来一个按砂纸的橡胶块压紧,方向又对后,开好了槽,装上绕线机看看,#p#分页标题#e# 第一百三十八图,三个线框都差不多可以上绕线机绕线了 ![]()
(责任编辑:admin) |




#p#分页标题#e#

































