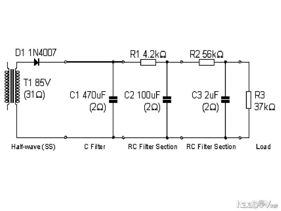
左右。尽管多一级RC会损失一些电压,但可以通过调节第一个C来补偿。所以最后选择CLCRC来作为滤波电路。 图5是石整流用于功放级固偏。这里选石整流十分重要。因为对固偏置来说,偏压要快于功放管的灯丝。不然灯丝和高压都起来了,功放管电流就会很大。另外这里的滤波也很关键,好在没有什么电流,我们可以用大电阻来提高滤波效果。图6是固偏电路的输出。 ![]() 电源设计完成了。 下面是完整的功放电路图。所有的值是计算值。最后的电路图和元件值根据安装会有小的调整。这将在下一篇安装篇里讨论。 3。制作篇。 先声明。本人手笨眼拙。做的东西纯属山寨土炮。实在无法和诸位朋友相比。所以本篇以从简为主。只想把制机过程中一些教训写一下。也许对有些朋友有用。 1。机箱。机箱我是选木框配一金属板面。电位器和所有安在木框上的开关接口都要外壳接地。安在木框上的好处是接地容易选择。这样也保证机器的使用安全。机箱还没有最后完成。先上一些照片。 ![]() ![]() ![]() 2。焊机是用搭棚。推动级地线和功放级的地线分开,最后在主滤波电容负级入地。同时也在那一点和金属面板连接。 3。推动级和功放级偏置电源用了两块洞洞板。 因为电路简单,焊机连线没有任何问题。因为电路选了固定偏置,我又在高压电路里加了一个电流表。这样可以随时注意电流的变化。 下面是开机以后的一些调整。 刚开机电流很大以至高压上不去。后来发现是C3漏电以至6AR6栅极电压过高引起的。立即把2个古董电容扔进垃圾筒内。换上两个好的电容。电流正常,高压也就正常了。 在调工作点的时候共栅级的栅极电压总是偏低。一开始没想到是电容漏电,因为总共才60V的电压,电容的耐压是200V,不应该有问题。但最后发现还是因为电容漏电造成的。实际上主要原因是我用的是高阻分压电路。R1是1M。电容只要有5uA的漏电流就会造成5V的压降。一般耐压低一点的古董电容很容易有几个微安的漏电流。用在别处可能还好,用在高阻分压电路要小心一点。我最后是用了1000V耐压的电容。纯2的分压电路也是高阻分压。各位朋友这里要小心一点。 高压的调试是通过C4。设计值是2。4uF。最后是用了1。5uF来获得362V的高压。这可能和电容的误差有关。 原来功放级是用一个偏置电压。但在调节过程中发现两个功放管不完全配对。同一组偏压会有不同的电流。后来在偏置电路中用了两组分压电阻。这样就用两组不同的电压以保证功放管的偏流相同。 制作篇结束。 4。测试篇。
测试部分是最好玩的部分。因为在这里可以验证所有的理论计算结果。如果测量结果和计算吻合,说明自己理解了电子管电路的设计原理。如果不吻合,也可以进一步想一想原因,也许可以再悟出一些东西。测量部分包括下面几部份。 1。 直流。 2。交流。 主要是频响和增益。 3。功率。 4。噪声。 1。直流测量。
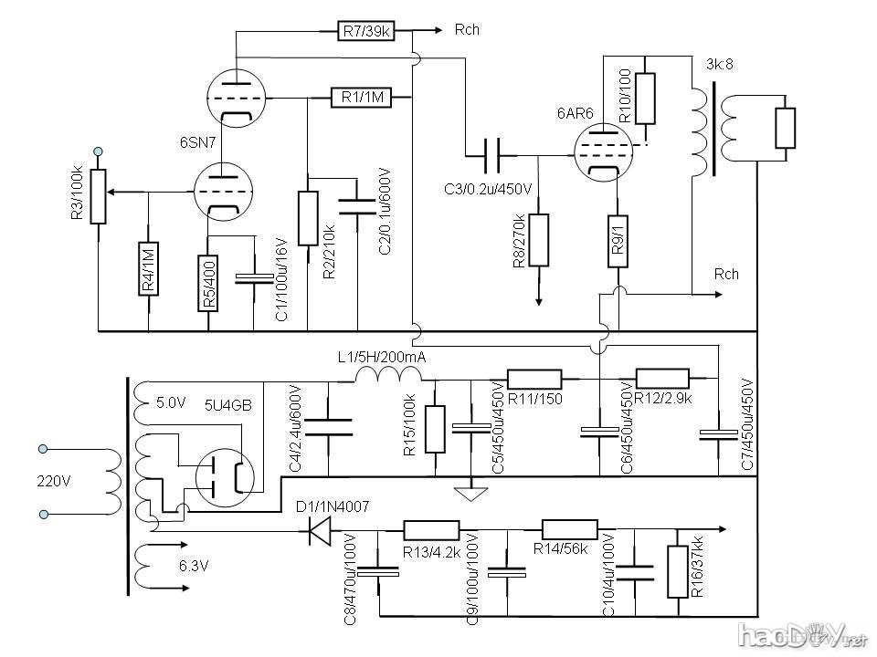
图里红字标出了实际的电压测量值。括弧里的是理论计算值。可见测量结果和设计值十分接近。主要的变化是B+电压。不同的整流管得到的B+不一样。不过变化小于3%。想想当年那些工程师们还是很了不起的。他们没有计算机,没有自动测量设备,每一张图每一根线都要手工测,手工画。几十年过去了,还是那么准确。 |








(责任编辑:admin)





















