最好的电子音响科技diy制作网站

haoDIY_音响电子电脑科技DIY小制作发明

当前位置: 主页 > 音响DIY > 胆机DIY > 后级DIY >

中秋版12ax7+6bq5/el84/6P14推挽胆机诞生啦

时间:2012-10-12 15:04来源:hifidiy.net论坛 作者:paul979 点击:
中秋节前赶着做一台6P14-PP 昨晚终于开声,在此祝论坛朋友们中秋快乐! 按惯例先上图 霍霍! 下载 (57.48 KB) 2011-9-12 11:18 下载 (44.94 KB) 2011-9-12 11:18 还是惯例上电路图 再来点制做过程,自已绕牛自然不在话下.铁芯76X40 MM2推挽绕法. 下载 (66.42 KB)
中秋节前赶着做一台6P14-PP 昨晚终于开声,在此祝论坛朋友们中秋快乐!

按惯例先上图 霍霍!
中秋版12ax7+6bq5/el84/6P14推挽胆机诞生啦


中秋版12ax7+6bq5/el84/6P14推挽胆机诞生啦


中秋版12ax7+6bq5/el84/6P14推挽胆机诞生啦



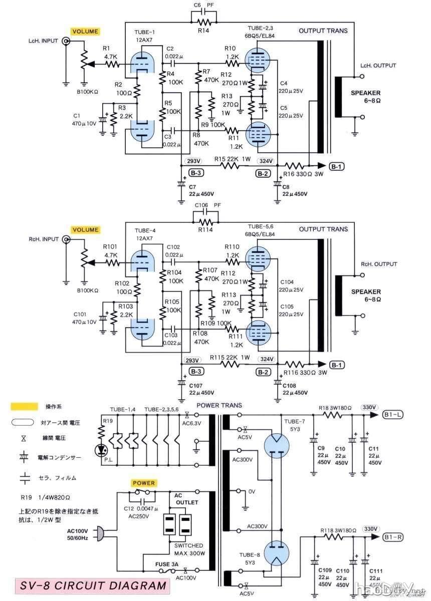
还是惯例上电路图
中秋版12ax7+6bq5/el84/6P14推挽胆机诞生啦



再来点制做过程,自已绕牛自然不在话下.  铁芯76X40 MM2推挽绕法.

中秋版12ax7+6bq5/el84/6P14推挽胆机诞生啦

中秋版12ax7+6bq5/el84/6P14推挽胆机诞生啦


中秋版12ax7+6bq5/el84/6P14推挽胆机诞生啦


牛完了该搭棚了.

中秋版12ax7+6bq5/el84/6P14推挽胆机诞生啦


织梦二维码生成器
顶一下
(0)
0%
踩一下
(1)
100%
------分隔线----------------------------
发表评论
请自觉遵守互联网相关的政策法规,严禁发布色情、暴力、反动的言论。
评价:
表情:
用户名: 验证码:点击我更换图片
栏目列表
推荐内容