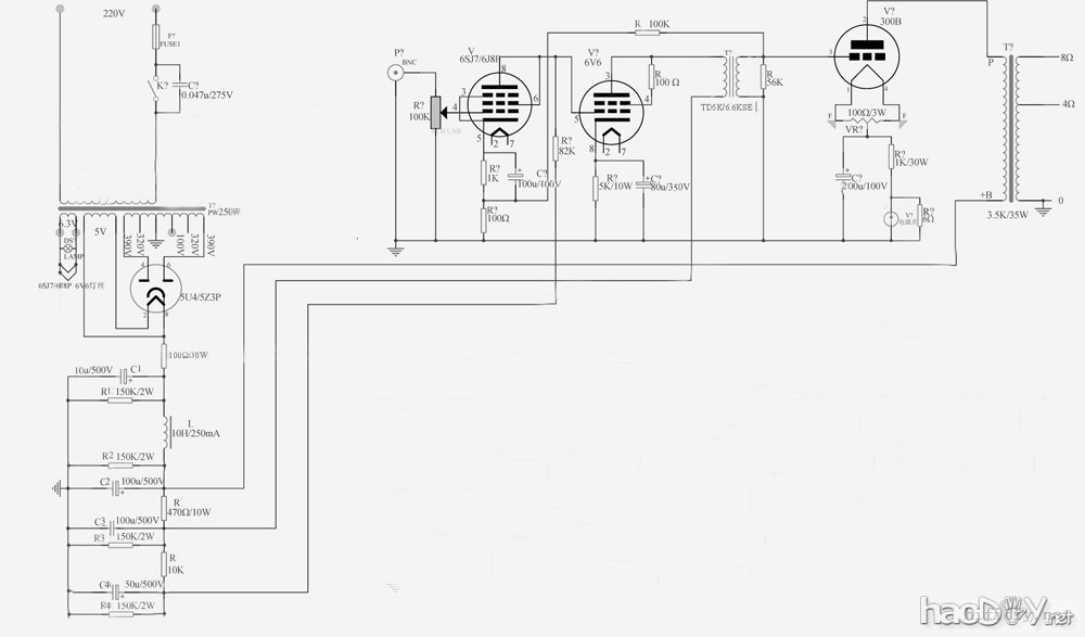
![]() ![]() ![]() ![]() ![]() ![]() ![]() ![]() ![]() ![]() 电路简单,容阻精简,牛是关键。(实际制作时请取消环路负反馈100k电阻)。机箱定做,这里不便广告 看到大家喜欢,不由得想多说几句,300b追捧者无数,唾骂者也不少,有个性的三极管,高频天生细腻飘逸,中频味足,唯低频诟病,所以一定要在电路上深挖它的潜力,俗话说“吃饱了才能有力气”,这是玩好它的不二之选。我的经验是确定两个系统:一个系统是300b电路系统,所有的容阻,线材牛都为其出“力”,形成一个小系统,其次自己的周边器材配置为300b整机出“力”,形成一个大系统,两个系统结合,必然胜算。现在的300b管不是当年的西电管,时代不同,个性也有变化,但绝对没有垃圾管一说。希望大家都玩得开心, 就线路来说这是一个很全面的线路,各频段很均衡,因为推动牛系数比很低基本上不起放大作用,所以在这一级上的失真达到了最低,牛的耦合取代容阻耦合,避免了各种“味精”的调剂,自然属于比较hifi型的。至少我觉得好牛胜过天价容阻。听感是一个很个人的东西,实际上关乎的是整个系统的取向问题,说的简单点,搭配才是关键,好声,劣声,大到房间,小到一个电阻,无不相关,“蝴蝶效应”放这里也不算谬论,所以我无法回答“听感”这词,真的不是故弄玄虚,有意卖关子,说白了,听着喜欢的,就是好的,就像有时在街边不经意偶尔飘进耳朵的几句歌词,可能来自某位的电脑2.1,可您觉得仿佛是天籁,一听难忘。 6n8直耦没做过,一级推动的线路很早以前做过6j7五级管推的,后来改成三极管推,加前级抬高增益,说实话,说是听音色,人声,弦乐小品尚可,稍微复杂动态大点的音源就露怯了,不提也罢。所以我还是那句话,先出够力再来谈音色才是正道,工作点都不对,推动电压电流都不够,就换线材,折腾容阻,那是瞎子摸象。 推动牛的制作对于现在的绕牛技术来说并不是难点,只要材料达标,制作用心,一般都能有好的频宽,听过日本的“探戈”推动牛,实际上比我手上的牛并无太大优势,只要容阻元件够班,中国牛造就的300b绝对不比小日本差,我想论坛上有心的朋友都能发现,小日本喜欢的原件都是为300b的中低频段做铺垫,而牛的味道恰恰走的是“中庸”之道,主要的调声还是在前级上做文章。这就是充分认识了这只三极管后的高明之处。为什么他们喜欢用牛?一个是没有相位问题,一个就是可以用牛来放大,这都是容阻无法达到的。我用的什么牛有心之人都能找到答案,广告之嫌在本坛是个敏感的东西。 (责任编辑:admin) |




































