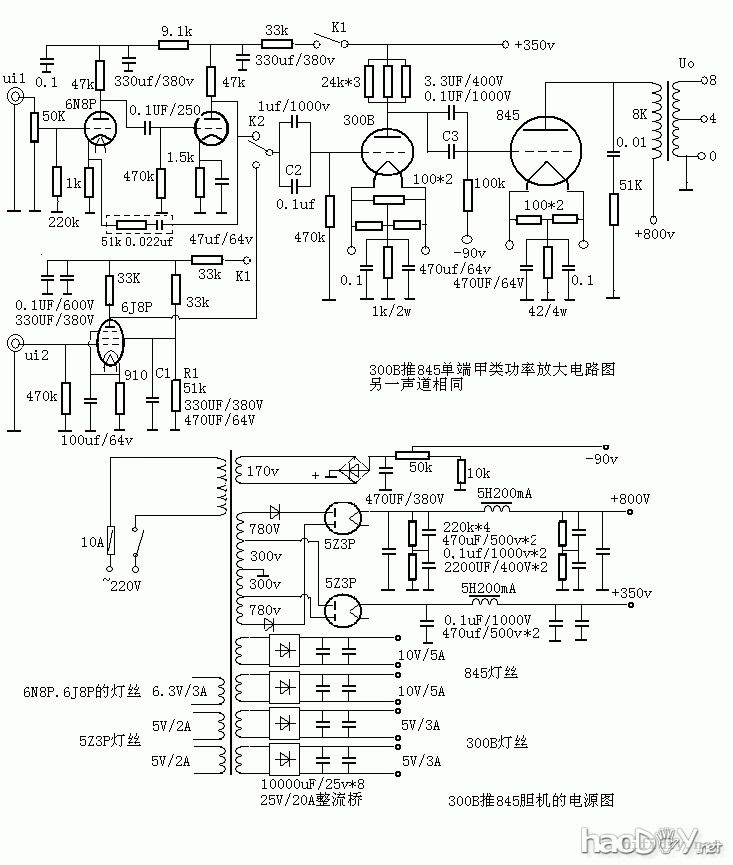
我制作 6n8p+300b+845单端胆机(2)
时间:2012-10-20 11:31来源:hifidiy.net论坛 作者:半山 点击:
次
为了克服上述缺点,通常用一个RC电路并在输出变压器初级两端如图6所示,使放大器总的负载阻抗尽可能不随频率变化而变化。 其工作原理是:当Za随频率升高而增大时,RC支路的阻抗随频率的升高而减小;当Z。随频率降低
为了克服上述缺点,通常用一个RC电路并在输出变压器初级两端如图6所示,使放大器总的负载阻抗尽可能不随频率变化而变化。
其工作原理是:当Za随频率升高而增大时,RC支路的阻抗随频率的升高而减小;当Z。随频率降低而减小时,RC支路的阻抗则随频率的降低而增大。这样,就使放大器总的负载阻抗基本上不随频率变化,从而减小了放大器的非线性失真与频率失真。
RC的常用数值是:
C=0.001—0.Oluf
R=(1.5—2)Za最佳
当帘栅管功率放大器中具有电压负反馈时,由于电压负反馈已能补偿由于负载阻抗的不稳定而引起的失真,所以,一般不再接入稳定负载阻抗电路。
综上所述。胆机的安装与调试,考虑是否遵循这样一个原则;先固定小零件后固定大零件;先布置公共地线后设置信号线;先接通变压器电源后接上灯丝的连接线;先焊接电阻后连接电容。先做好整流滤波电路后做好直流供电电路;先连接初调栅负压后连接高压直流电;先接假负载通电实验后接扬声器测试信号噪声比;先搞好功率放大后调整音色音质;
三、体验“香巴拉”之路
“香巴拉”美妙的音乐是什么;大凡玩胆机的人都确认这样一个事实;那就是胆机声底特别干净,音色纯正,声音鲜活。并且随着机子工作时间的延长,逾加炉火纯青,音色洁净醇厚。为了遵循和发挥胆机的特长,务必掌握这样几点;
(一)、去掉负反馈,让胆机的声音更加鲜活。大家都知道;放大器中主要是采用负反馈的方式来降低失真。对晶体管电路来说尤其必要。负反馈能显著地降低失真度。但在实际的听感中我们发现,负反馈越深,失真度越小,可声音鲜活度也越少。而胆管因本身失真小,电路中负反馈量无须很大,甚至不用都是可以的,让胆管放大具有较高的真实度和声音的鲜活度。
(二)、做好电源与滤波,让胆机声底更干净,音色更纯正。研究表明,半导体晶体中的杂质是导致闪变噪声的主要原因。在电子管中,电子运行的外部环境就要好得多。真空中的电子运动基本上不受限制,除了受输入信号控制,基本上不发生无规则运动。当然不存在闪变噪声。既然电子管本身不产生噪声,那么只要我们做好电源与滤波,尤其要注重选择挡次比较高的滤波电容,就可以获得较高的信号噪声比,听起来就显得声底特别干净。
(三)、采用单端甲类放大电路,让胆机的韵味更加丰富。我们知道一个非正弦波可以分解为直流、基波和各次谐波成分,而在放大器中三次以上的谐波振幅已经很小,主要是二次谐波成分(理论上讲是非线性失真),它就是胆机韵味的主要来源。如果采用推挽功率放大电路,当两只管子的负载电流发生变化时,两只管子同时有一个微变量增加,但在输出时,它们的影响是相互抵消的,理论上讲减少了非线性失真,但是,宝贵的二次谐波成分没有了。
(四)、选择比较好的阻容元件,让我们的胆机更有品位。选择什么样的阻容元件,说法不一,以我之见:阴极电阻选择美国的DALE高精度无感轴向引脚电阻。滤波电容首选性价比较高的RIFA(瑞典)、ROE(德国),NI CZI CON(日本);耦合电容选择的余地比较宽常见的有;VQ(美国)、ERO(德国)、SOLEN(法国)、AUDIO-CAP(美国)、JENSEN(丹麦)。就电容而言,毕竟一分钱一分货,价钱越贵声音素质也相对越高,在此笔者要特别强调;胆机电路中的零件应用,重在配搭;在你的机子里,最贵的不一定就是最合适的,应针对自己机子以外的情况,什么样的电子管?什么样的输出变压器?声音如何?有针对性地选用合适的电容,进行有针对性的安装与调试。例如;机子声音暗,动力不足和分析力不足 可选用MIT电容。声音单薄火气猛,可选用REL-CAP。下列的配搭是笔者多次验证,自我感觉配搭得比较完美,SCR配搭Audio CAP 、SPRAGUE配搭德国ROE、VQ搭配瑞典RIFA。
综上所述;安装与调试胆机,积累选择合适的电子线路、阻容元件的经验,是一个时间、耐心和技术交流的问题,或许有一天;在我们看不见、想不到的时候,在我们看不见、想不到的方向,你瞧!你播下的种子早巳生根发芽开花结果了!
四、发烧友的“香巴拉”并不遥远
采用原创“达芬奇”CD机,HL Compact 7ES音箱,超时空RSC-CD信号线,MITT2双线分音喇叭线,和发烧们一起试听, 当我们一口气听完了童彤的《天上草原》;顿感“松松的”、“甜甜的”,低频的宽松、中频的丰美、高频的柔和所汇聚而成的感染力使发烧们难忘,途中尽然没有一个人提出换碟。这让我们仿佛看到:这是一片为永恒、透明和和平所统治的雪山和草原的世界,这里是草原人民的家园。蔚蓝的湖水、碧蓝如洗的苍穹、写有喇嘛教经文的色彩鲜艳的藏族幡旗,以及远处隐约可见的神秘寺庙。在洁白的大雪山的山谷间散落着质朴的房屋,金的玉米从屋檐上悬挂下来,忘情玩耍着的草原少年黝黑的笑脸是那么天真烂漫。
突然;有一位不修边幅的乐团指挥自言自语道:啊!我心目中的“香巴拉”就是它了!





浅谈一点实际的DIY调音色经验;抛砖引玉而已.
A、旁路电容Ck与Rk并联,引入电流负反馈,起到了在稳定阳极电流的同时对交流信号构成通路。取值范围在47—100uF之间即可,容量太大则会造成低音过重,整体音感不能脱箱。容量过小不能建立合适的栅极电压。选择的电容;建议使用RIAF和ROE轴向引脚电容,其特性为沉稳后润、乐味浓郁,是摩机的好材料。例如845阴极电阻上并联的ROE 64uf/64V和0.1uF/64v轴向引脚电容,这样做的好处是在建立负反馈的同时,使整机的频率响应得到延伸,而且音色优美,晶莹通透。
B、滤波电容;是衔接在直流电源的正、负极两端,使直流电平滑且具有存储电荷的能力。后级功率放大部分经常使用的品牌电容有;德国的ROE,尤其是具有金外皮包装的这一种,音色可用雍容华贵来形容。美国的SPRAGUE电容,音色甜美、余韵丰富、收放自如。瑞典的RIAF白色电容,音色清爽流畅、声音带有一层柔滑晶莹的光泽。前级电压放大部分的滤波电容;有条件者建议使用油浸电容,取值在5-10uF之间,这样做的好处在于不会影响系统的平衡与通透度,音色非常优美。
C、耦合电容;是利用电容具有通交流阻直流的这一特性,衔接在两级放大电路之间,是调整音色最关键性元件之一。世界名牌胆机上使用频率较高的耦合电容有;美国的SPRAGUE、VITAMINQ、日本的NIC HI CON音色极为通透甜美。法国的SOLEN非常适合古典音乐、人声、弦乐,音乐味浓郁,具有很深的文化底蕴。丹麦的JENSEN属于世界级极品电容,音色与其外包装一样,气质高贵,品质非凡。毕竟一分钱一分货,价钱越贵的素质也相对越高。
D、电阻对音色的影响不如电容明显,但不同材料的电阻应用于电子线路的不同位置,对其音色的影响就很明显。尤其是电子管的负载电阻(Ra)和阴极电阻(Rk)。例如:中国早期生产的绿色碳膜电阻,其音色甜润圆滑、醇厚耐听。美国的DALE电阻,性能稳定、音色通透。法国的金膜电阻,精度高、噪声小、音质晶莹细腻。还有美国的AB电阻也是非常好的调音材料。
E、胆机内部的连接线材也是有讲究的,例如;所有的接地线一般采用比较粗的单股无氧铜线或者是银线,比较理想。线路上的连接线采用特富龙线材,信号线尤为重要,要使用什么线呢?众说风云,但必须遵循两个原则:一要具备有效的屏蔽作用,二要具备“芯”是纯银的,当然还有用碳纤维作为导体的。只有这样才能出好声
这个胆机推HL Compact 7ES音箱,感觉比较好。听童彤的《天上草原》;顿感“松松的”、“甜甜的”,低频的宽松、中频的丰美、高频的柔和所汇聚而成的感染力使发烧们难忘,途中尽然没有一个人提出换碟。这让我们仿佛看到:这是一片为永恒、透明和和平所统治的雪山和草原的世界,这里是草原人民的家园。蔚蓝的湖水、碧蓝如洗的苍穹、写有喇嘛教经文的色彩鲜艳的藏族幡旗,以及远处隐约可见的神秘寺庙。在洁白的大雪山的山谷间散落着质朴的房屋,金的玉米从屋檐上悬挂下来,忘情玩耍着的草原少年黝黑的笑脸是那么天真烂漫。 
再一曲《幽兰》第2 段那美艳不可方物的古琴,其线条的细致与顺滑,如精雕,如流水,这古朴而独具一格的旋律,把民乐的那种温情、含蓄、细腻刻画的淋漓至尽,余不由屏息静听;仿佛我们进入了花的神妙之中,与花共舞在大自然的阳光、雨露、风雪之中,让花的美,深驻心灵
答:发烧友们就300B+845中提出的问题。
老牛:您好
很长时间没有光顾“HIFIDIY”了,并且没有及时满足您的要求。对不起了。您要的这个电路以及制作方法,在《无线电与电视》2010、9、期。以及《无线电》2010、7、期上都有,请您查看。这些笨拙的作品让您见笑了。只能参考,千万别迷信,大凡玩胆机的人都确认这样一个事实;那就是胆机声底特别干净,音色纯正,声音鲜活。并且随着机子工作时间的延长,逾加炉火纯青,音色洁净醇厚。为了遵循和发挥胆机的特长,在选择耦合电容时务必掌握这样几点;
(一)、好声音是“挑”出来的。挑选什么样的电容元件,说法不一,目前音响DIY的发烧圈里公认的说法是:滤波电容首选性价比较高的RIFA、ROE、NI CZI CON;耦合电容选择的余地比较宽,常见品质比较好的有;VQ、ERO、SOLEN、AUDIO-CAP、M-CAP、AZ-CAP、JENSEN等。这就象挑“情人”一样,要注重外表,更要注重内在的“品质”。否则,您要吃亏倒大霉的(玩笑)。
(二)、好声音是“煲”出来的。上机试验的耦合电容要多“煲”一段时间,才能听出来这电容的声音是什么“味道”。因为大部分音响DIY的发烧友们,在购买耦合电容时,首先考虑在二手市场掏宝(大部分新电容都是天价),所以购买回来的电容往往存在诸多问题,尤其是油浸电容,更要认真检查、测试、配对、通电试验。在外观无疑问的情况下,再上机反复试听。这就象小俩口过日子一样,需要“磨合”,历尽风霜之后这生活才过的更有“味道”。
(三)、好声音是“选”出来的。制作一个电容电路板,将诸多耦合电容焊上去,再做一个切换电路,反复比较它们之间的差异,选择您自己最喜欢的声音取向。这就需要大量的时间和精力,要耐得住枯燥与寂寞,用不同的耦合电容来尝试同一首曲子。好电容有时候真正的能让您眼前一亮,让您的耳朵享受到更多的音乐细节,一种激情、一种成就让您美的浑身舒服。这就象于连一样;感到“快乐的到了极点”,兴奋地跑来跑去,这是一种“野心家实现后的狂喜”。
(四)、好声音是“练”出来的。好声音要靠我们自己的技术经验,发烧友的耳朵更需要长期历练!经常接触高档的、最新的、不同国家的音响设备,有比较才能有鉴别,时间一长自然练就了一副好耳朵。依笔者的经验,借用佛典里的一句话:“福不唐捐”。唐捐就是白白丢了的意思。我们也应该说:“功不唐捐”。努力是不会白白地丢了的。要深信,今日的失败,都是由于过去的不努力。今日的努力,必定有将来的大收获。或许有一天;在我们看不见、想不到的时候,在我们看不见、想不到的方向,你瞧!你播下的种子早巳生根发芽开花结果了
(责任编辑:admin) |
织梦二维码生成器
------分隔线----------------------------